历史上的今天
今天是:2025年03月25日(星期二)
2020年03月25日 | 高集成度模拟前端AFE AD7124在RTD测温场合的应用
2020-03-25 来源:EEworld
随着工业生产的发展,温度测量与控制十分重要,温度参数的准确测量对输出品质、生产效率和安全可靠的运行至关重要。作为一家高性能模拟大厂,ADI公司拥有完善的测温/控温方案,从无源的电阻式温度检测器RTD、热电偶Thermocouple (TC),到直接电流/电压模拟量输出、SPI/IIC数字接口输出的半导体温度传感器。
与ADI合作三十多年的代理商——Excelpoint世健公司技术支持工程师Vincent Chen向我们介绍了ADI公司广受欢迎的适用于工业接触式RTD测温的模拟前端AFE AD7124-4/8。

图1:AD7124-4/8内部框图
AD7124针对RTD测温而优化的丰富特性有以下几点:
1)6种可编程匹配激励电流,从50 µA、100 µA、250 µA、500 µA、750 µA到1 mA
2)xMux可将两路恒流源,切至所需通道,灵活构成2/3/4线制PT100测温
3)50 Hz/60 Hz同时抑制(25 SPS,40mS单周期建立,62dB rejection)
4)模拟输入缓冲器AIN buffer,再加上8种PGA可编程增益,1-128 V/V,无需外部额外的调理电路
5)比例式Ratiometric测量,消除激励电流源的精度和漂移等误差源。
ADI官网可以检索到测试验证过的实验室电路Circuit Note: 《CN-0381, 采用低功耗、精密、24位Σ-Δ型ADC的全集成式4线RTD测量系统》;以及《CN0383, 采用低功耗、精密、24位Σ-Δ型ADC的全集成式3线RTD测量系统》。
采用两点校准和线性化,在−50℃至+200℃的温度范围内,3线系统的整体精度优于±1℃。 在全功率模式、选择sinc4滤波器、输出数据速率为50 SPS的条件下,系统的典型无噪声码分辨率为17.9位;在低功耗模式、选择后置滤波器、输出数据速率为25 SPS的条件下,系统的典型无噪声码分辨率为16.8位。

图2:温度精度测量(Sinc4滤波器、全功率模式、50 SPS,仅执行25℃一次性校准)
ADI出版的技术周刊《模拟对话Analog Dialogue》,解析了ADC前端R-C无源器件对测量精度的影响,详见ADI官网的《RTD比率式温度测量的模拟前端设计考虑》。

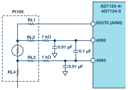
图3:使用AD7124进行RTD测量的模拟输入配置
一片AD7124-8最多可支持8路3线制RTD。若对EMC抗扰要求很高,建议改用右侧的接法,一阶无源滤波的R/C值,可以取大。此时一片AD7124-8,仅支持4路3线制RTD。

图4:三线制的两种接法,侧重于通道密度或者EMC性能
AD7124灵活的硬件配置,需配合同样灵活的软件配置,来最终实现。共计有8种独立设置(Channel Register不同于物理通道,甚至可以8/16路物理通道,采用同一套Config),每种设置包括以下四个寄存器:
• 配置寄存器 Config_N
• 滤波器寄存器 FILTER_N
• 失调寄存器 OFFSET_N
• 增益寄存器GAIN_N

图5:差分和单端混合配置(使用多种公用设置)
ADI官网提供non-os的驱动代码,一段典型的驱动初始化代码,如下:

以下为建议ADC配置流程:

据了解,在世健公司的技术支持下,多家业内知名的本土工控大厂采用AD7124-8设计的多通道RTD/TC测温板卡,已量产上市。
史海拾趣
|
altium designer 和Protel 99se哪个更好? 我只用过protel 99se 但是听说altium designer 很不错,就有打算把protel换成altium designer ,大家说觉得有必要吗,有用过的大侠现身说法一下吧 呵呵多谢了 比如说,altium designer 好不好上手 资料好不好找 呵呵… 查看全部问答> |
|
gpio寄存器都是以组的形式出现(一个寄存器对应一组gpio.pin),我们的多个驱动会用到同一组gpio的不同pin来做一些使能复位等控制,那么会出现对不同pin但同组即同寄存器操作的状况吗?在同一进程下,我们可以用线程同步的互斥体来避免冲突。如果是 ...… 查看全部问答> |
|
【项目内容描述】把原来裸机写的3000行代码移植到ucos上,使具有tcp/ip的socket通讯功能,和别的主机通过tcp/ip通信 最好在北京。 费用大概1.5万左右,还可以再商量。 联系qq:340283020… 查看全部问答> |




