历史上的今天
今天是:2025年03月29日(星期六)
2020年03月29日 | 双线同步示波器的业余制作
2020-03-29 来源:eefocus
本文介绍的一款简单易制的示波器,是基于旧式的电子管双线示波器SBR-1制作,Y轴频率响应为O—1MHz,灵敏度为2mV/cm—20V/cm(按1-2-5进制分档),输入电阻1MΩ,×轴扫速为l u s/cm~5s/cm(按1—2-5进制分档)。读者如果有其它型号的旧式示波器零件,也可使用本电路作为参考。
电路原理
本示波器的电路分为如下几个部分:
1、垂直通道(Y轴),见图1;
2、水平通道(X轴)与时基电路,见图2、3;
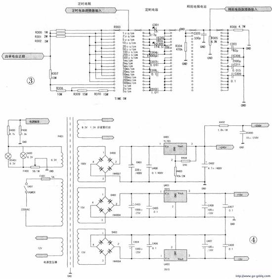
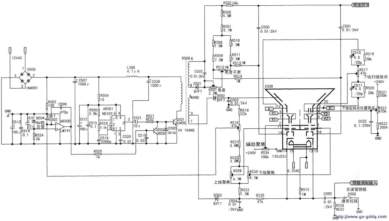
3、高压电源和示波管电路,见图5;
4、中低压电源,见图4。
下面逐一介绍各部分电路原理。
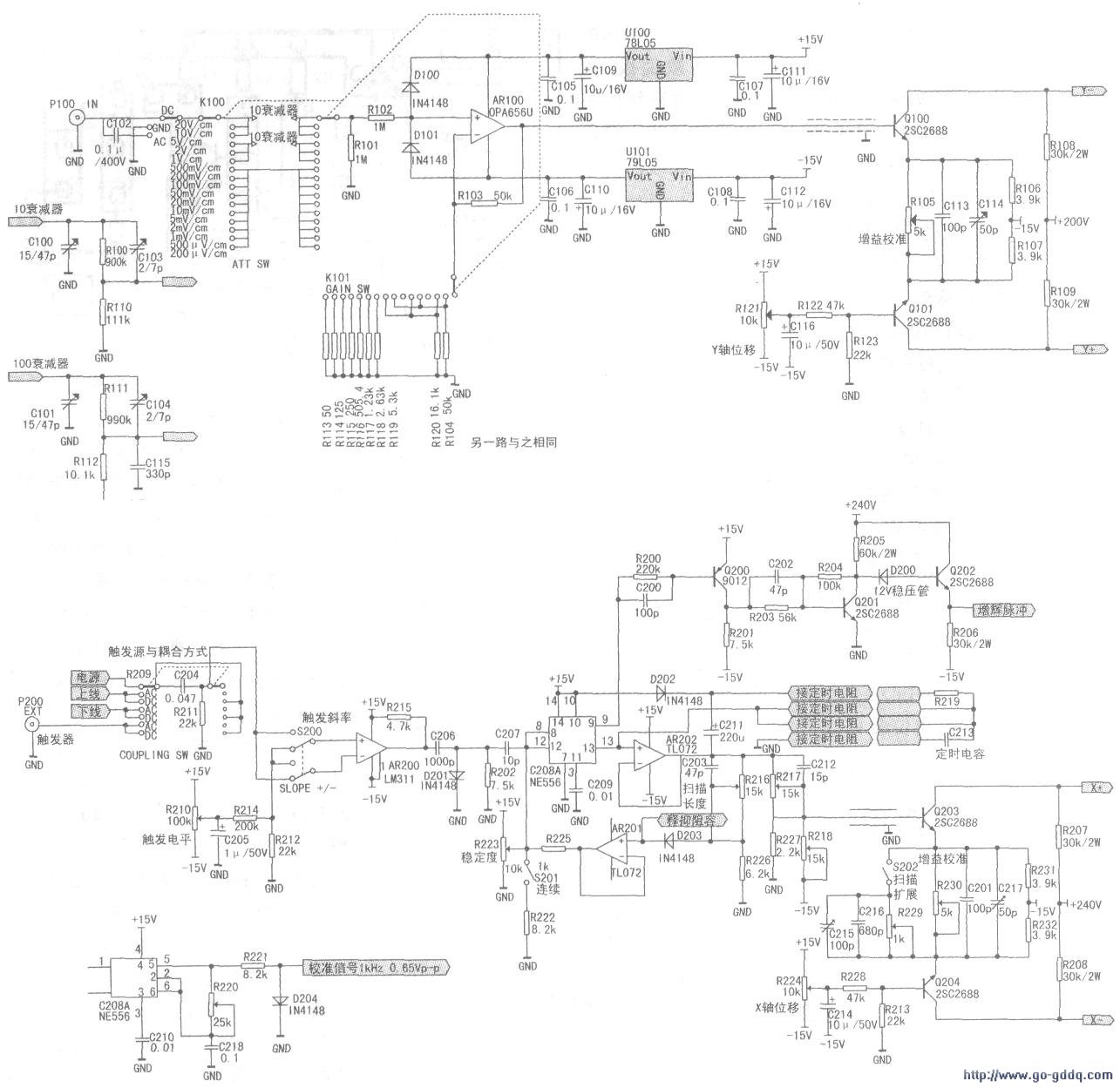
垂直通道由输入衰减器、前置放大器和输出放大器组成。输入衰减器为RC补偿式衰减器。前置放大器采用FET输入的高速运放组成的同相放大器,具有很高的输入电阻和极低的输入偏置电流,工作稳定。改变反馈电阻的大小,可以改变放大器的增益。为了避免示波管的光点散焦,示波管的偏转极板需要对称供电,因而输出放大器采用一对高反压三极管组成的单级差分放大器,将运放的单端输出转换为差分输出并进一步放大。
水平通道与时基电路由触发电路、闸门与释抑电路、锯齿波发生器、输出放大器和Z轴放大器组成。触发电路由通用比较器LM311构成,并可以改变耦合方式与触发斜率,调节触发电平。闸门与释抑电路以一块NE556为核心器件,它工作在施密特触发器的阻态,兼作锯齿波发生器的控制开关,其输出还加到Z轴增辉放大器,调制光点亮度。锯齿波发生器为自举线性锯齿波发生器,它的输出加到释抑电路,同时由输出差分放大器推动电子束偏转。
我们知道,要使示波管屏幕上产生水平方向的扫描线,需要在X偏转板上加上锯齿波电压。同时为了使有周期信号输入时屏幕上产生稳定的波形,需要一个通过输入信号产生的触发信号使锯齿波与输入信号同步。这个功能由触发电路、闸门与释抑电路和锯齿波发生器共同完成(见图6)。当输入信号以选定的斜率达到触发电平时,触发电路就输出一个负向窄脉冲,这个脉冲触发使闸门电路(实际上是一个施密特触发器)置位,闸门打开,锯齿波发生器产生一个锯齿波上升沿。同时,输出的锯齿波对释抑电容充电,当充电达到一定水平,闸门电路的输入端电位上升达到施密特触发器的上阈后,闸门电路复位,锯齿波进入回程。此时释抑电容通过释抑电阻放电,由于放电时间常数较大,当释抑电容放电后,锯齿波发生器中的定时电容已经充分放电,这样就 防止了触发晃动,使波形显示更为稳定。
释抑电阻电容和定时电阻电容要精密配置,并采用同轴转换。
通常,我们调节稳定度电位器使闸门电路的输入端电位在无信号时略高于施密特触发器的下阈,这样触发灵敏度最高。这种方式称为常态触发方式,在无信号时,屏幕上没有扫描线。有时我们需在无信号时,屏幕上仍有扫描线,这时可将闸门电路的输入端电位调低些,这样当释抑电容放电后,闸门电路自动被置位,处于自激状态,连续不断地产生锯齿波,当有信号时,闸门电路与输入信号自动保持同步。这种方式称为连续触发方式。
高压电源采用高频自激振荡升压方式,这种电源可以采用负反馈机制稳定输出电压并使用较小的滤波电容,同时人体意外触及时危险也较小。这里利用了原SBR-1示波器的高频高压变压器,采用它激式振荡,通过一块NE555产生30kHz左右的方波去驱动开关三极管,高压经整流滤波后经分压电阻输入误差放大器LM741,控制三极管对驱动信号的分流,从而达到控制振荡强弱,稳定输出的目的。
中压电源为240V,保证输出幅度使电子束可以满偏。时基部分用+15V双电源稳压供电,前置放大器则用二级稳压的+/-5V双电源供电,保证电源有较小的纹波。

制作要点
由于本示波器是基于SBR-1制作,所以充分利用原机中的元件可以极大地减少安装和调试的工作量,并保证制作示波器的精度。其中主要包括:示波管及屏蔽罩、衰减器档位开关和扫速开关。其中衰减器档位开关和扫速开关可以基本不用改动,上面的可调元件也不必调整。
前置放大器的质量对示波器的灵敏度和带宽关系密切,所以要尽量选择好的运放。选用OPA656,增益带宽积为500MHz,摆动速率290Wu s,输入偏置电流2pA,输入失调电压仅0.25mV.可省去调零电路,唯价较贵。
输出高反压三极管耐压至少应在300V以上,选用2SC2688.BVCEO=-300V,IC=0.2A,PCM=10W,要安装散热片。由于本机为双线示波器,要求Yl、Y2通道布线基本对称,减小两通道的偏差。
闸门电路选用NE556,其最高振荡频率在300kHz以上,而在本示波器中最高扫描频率仅100kHz,所以它完全可以满足要求。
锯齿波发生器和释抑电路中的缓冲器选用TL072,其200pA的输入电流已经可以达到要求。
高压电源部分最好用铁盒屏蔽,既减少干扰,亦可防止意外触及。振荡管要加散热片。
本机的调试步骤推荐为:
1、中低压电源;2、高压电源和示波管电路;3、水平通道(×轴)与时基电路;4、垂直通道(Y轴)。
首先接上电源变压器,要求中低压电源可以产生稳定的+240V、+15V、-15V、+5V、-5V电压。一般+15V、-15V、+5V、-5V不会有什么问题,如果+240V电压有较大偏差,则应调整TL783的adj管脚的电阻阻值,由于该电阻上的电压较高,功耗较大,故应使用2W以上电阻。另外,TL783输出端的滤波电容不要太大,几微法就足够了,太大可能会导致该电容充电时TL783上压差过大而损坏(TL783只能耐受125V压差l。示波管灯丝的6.3V变压器绕组要有可靠的绝缘,以防击穿。
当电压一切正常后,接通高压电源电路。高压电源部分最好用铁盒屏蔽,既减少干扰,亦可防止意外触及。
示波管要用软磁材料屏蔽罩罩好,防止干扰。示波管亮度、聚焦的电位器外壳不可接地,以防内部打火或击穿。先断开反馈环路,调整振荡器正常工作。如发现阴极和后加速极之间电压比例失调,一般可以调换升压变压器初级线圈的两个端子。为了使稳压电源有较好的稳压效果,应设法使振荡升压器在开环状态下有尽可能高的输出电压,同时工作电流最小,这可以通过反复调整振荡器振荡频率和升压变压器初级线圈匝数来达到。在实验中得到的最佳值是30kHz和15匝。稳定起振后,可以接上反馈环,一般就能稳压。这时接通示波管电路,把除阴极、聚焦极、第一阳极和后加速极外的所有电极接地,应能看到有足够亮度并能良好聚焦的光点。以后制作中若发现有寄生振荡,表现为扫描线的亮度不均,则应想办法减小误差放大器的高频增益并加接消振电容。调试时应避免长时间让光点停留在屏幕某一点上,防止损坏荧光屏。
高压电源和示波管电路调试完毕后,可以接上水平通道与时基电路,看是否能看到扫描线。如果没有扫描线产生,则可调节稳定度电位器,使之滑动臂电位稍低于555的阈值5V,然后仔细调整扫描长度电位器,使闸门电路处于自激状态。这时应能产生稳定的扫描线。
接上垂直通道,直接在输出放大器输入端接上一个信号(可用时基电路中的校准信号),看时基电路产生的锯齿波有没有较好的线性,否则要检查自举电路是否有问题,或者自举电容漏电过大使线性变坏。
最后接上前置放大器,一般不需调试。这里的增益变换开关仍使用SBR-1中的开关,反馈电阻也用原来的,只是原SBR-1中的输入放大器增益虽高频响却较差,因而在反馈电阻上并了不少电容,现在使用宽带的OPA656就不需要使用这些补偿电容了,否则会使信号产生过冲,还易产生振荡。所以还是去掉补偿电容为好。
整机组装完毕后,可以进行校准。
输入一些已知幅度或频率的信号,如市电( 50Hz)、电视机的行频(15625Hz)、超外差式收音机中频( 465kHz)等,调整放大电路中的增益微调电位器和时基电路中的扫描长度电位器等使荧光屏上显示的信号的幅度和周期达到标定值。这样,整机装调即告完成。
史海拾趣
|
用HS1101做温湿度变送器,同样的电路,同样的器件,采回来的数据有很大偏差,4个设备,4个数据,最小值跟最大值比较相差5%RH。 我用的是采频率的方式做的,电路参考HS1101里的电路,不知道还有没有的余地,我的要求很简单,只要做出来的不同设备一 ...… 查看全部问答> |
|
大虾们好啊,我初学wince,遇到很多初级的问题,请大虾们帮助小生解决,分数不是问题。首先:我安装了vs2005,windowsembedded 6.0,wince5.0虚拟机。其他的我什么都不懂了,我想在vs2005里写个小程序。现在觉得一切都好乱,我知道怎么着手,还请高 ...… 查看全部问答> |
|
我有一个数码相机自带win98驱动。我现在装了vista,驱动用不上了。装了win98驱动后,在设备管理器中可以正确识别,但在控制面板中的扫描仪和照相机中没有这个设备,所以用不了。有没有解决办法?… 查看全部问答> |
|
哪位大哥在boot里弄过GIF? 我想在系统启动时做个动态效果。。不知下面的想法是否可行: 1、把5幅400*100的位图去掉头尾,合并到一个BIN文件中,然后在BIN的头用一个结构体来描述这5幅裸RGB数据的位置和大小,以便在BOOT里读取; 2、把做好的BIN ...… 查看全部问答> |
|
EP-51289.RV3.txt :02000002850077 :10000000FAFCB8A90F8ED0BC1027B840008EC0B83B :100010008AAB8ED8BE0000BF0000B9EEEC2BCFD16A 我不知道着个是什么请提供给我详细点的信息 这个是什么源代码吗,可以转成汇编或高级语言吗 用什么工具可 ...… 查看全部问答> |
|
初级问题,用createwindow创建了一个窗口但是窗口是透明的 用evc4.0创建一个新的工程,选WCE Application,自己填了一些代码用createwindow创建一个窗口,然后再创建了按钮,但是在模拟器上窗口是透明的显示的是模拟器的背景只有创建的按钮是不透明的,要怎么设置才可以有背景色? ATOM MyRegisterClass(HINSTANC ...… 查看全部问答> |
|
我的程序一直在SRAM里运行,时钟频率150MHz,程序运行一次时间只需100us。下到FLASH后需要600us!我配置FLASH的一些等待周期寄存器,想提高FLASH的运行速度,结果程序不能正常运行。哪位能教教我怎样提高FLASH速度啊。另外哪位能给我提供怎样把部分 ...… 查看全部问答> |




