历史上的今天
今天是:2025年04月23日(星期三)
2020年04月23日 | 开关降压-升压控制器,具备直通功能,可消除开关噪声
2020-04-23 来源:EEWORLD
简介
常见的DC-DC转换器问题是:在输入电压可能高于、低于或等于输出时生成稳压电压,也就是说,转换器必须执行升压和降压操作。从标称12 V电池为汽车电子供电,就是一个典型场景,从引擎冷启动(低至3 V)到负载突降(高达100 V),或者因为操作员出错导致出现反向电池电压(电压变化范围相当广泛)。从SEPIC到4开关拓扑,有好几种DC-DC转换器拓扑可以执行升压和降压操作,但这些解决方案中没有任何一个能够在主动激活开关的情况,直接将输入电压输入到输出,现在依然是这样。
LT8210是一个同步降压-升压控制器,可以在直通(Pass-Thru™)模式下运行,帮助消除EMI和开关损耗,并且最大化效率(高达99.9%)。当输入电压在用户可编程窗口内时,直通功能直接将输入传递到输出端。LT8210的输入电压范围在2.8 V到100 V之间,所以它的稳压范围从冷启动期间的最低输入电压,一直到未受抑制的负载突降的峰值幅度。LT8210可以作为传统的降压-升压控制器运行,支持引脚可选的连续导通模式(CCM)、脉冲跳跃或突发模式(Burst Mode®)运行,或者在直通模式中,输出电压可以根据编程窗口调节。当这个窗口中的输入电压在不主动开关FET的情况下被直接传输至输出时,运行时IQ极低,且没有开关噪声。
直通操作模式
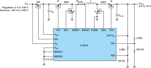
图1显示了简化的LT8210示意图,配置用于实施直通操作,输出调节范围为8 V至16 V。直通窗口的顶部电压和底部电压分别由FB2和FB1电阻分压器设置。
图2显示了此电路的输入/输出传输特性。当输入电压高于直通窗口时,LT8210将其降低到稳定的16 V输出。如果输入电压低于直通窗口,LT8210会增大该电压,并将输出保持在8 V。当输入电压在直通窗口范围内时,顶部开关A和D保持开启,使得输出可以跟踪输入,且部件可以进入低功率状态,VIN和VINP引脚上的典型静态电流分别为4 µA和18 µA。在这种非开关状态下,既不存在EMI,也不存在开关损耗,因此效率可以达到99.9%以上。

图1.LT8210 8 V至16 V直通稳压器电路。

图2.在直通输入电压窗口中,直通操作效率可以达到99.9%。

图3.在直通模式下,LT8210会快速响应80 V未抑制负载突降脉冲,将输出限制在可编程的16 V最大值。

图4.在直通模式下,LT8210通过增压至可编程的8 V最小输出电压来响应冷启动脉冲(<4 V)。

图5.直通区域的效率达到将近100%(与持续导通模式下的效率相比)。

图6.LT8210在直通区域内具有超低静态电流。
结论
对于DC-DC转换器设计人员来说,汽车电池和类似的宽电压范围电源都是较为复杂的问题,它们需要提供保护,且要求能够高效进行降压和升压转换。LT8210同步降压-升压控制器将保护功能与输入范围广泛的降压-升压转换器和独特的直通选项结合在一起,以消除这种复杂性。其工作电压范围在2.8 V和100 V之间,提供内置反向电压保护。直通模式帮助消除开关损耗和噪声,同时达到超低的静态电流。在直通模式下,输出电压不会按传统方式调节,而是受可编程的电压窗口限制。
史海拾趣
|
PCB抄板信号隔离技术是使数字或模拟信号在发送时不存在穿越发送和接收端之间屏障的电流连接。这允许发送和接收端外的地或基准电平之差值可以高达几千伏,并且防止可能损害信号的不同地电位之间的环路电流,主要应用在: (1)系统地的噪声比较大, ...… 查看全部问答> |
|
我想在DM6446的ARM端做个嵌入式视频服务器,就是在PC上可以用IE来浏览DM6446采集的视频,我现在知道一些boa的知识,能移植boa来用IE浏览简单的静态网页,可以把采集的视频通过TCP协议传输到PC上保存成一个文件。 我想问的是:我现在怎样来做这 ...… 查看全部问答> |
|
我想基于NDIS编程监控木马通信实现木马的检测,但现在不知道这样做可行否,并且用它和用Winpcap等开发包有什么不同,比winpcap有优势吗?因为我知道winpcap的底层也是用NDIS的。很迷惑,着急!谢谢!… 查看全部问答> |
|
第一次在PIC单片机中写C语言程序。全按照《嵌入式C语言编程与Microchip PIC》这本书上讲的写的。 但是总是有几个地方编译出错。 以下是在编译器中,出错的代码部分(在编译器中是红色的) 这是怎么回事啊????? #include #fuses ...… 查看全部问答> |
|
工业应用中有大量系统需要远程数据传输,如远程电表抄写,工业调度监控等。GPRS技术在这些系统中得到广泛应用,如何构建高性价比的方案成为系统设计人员的一个首要问题。 S260是一款极具性价比的嵌入式GSM/GPRS模块。S260工作于900/1800/1900MHz频 ...… 查看全部问答> |




