历史上的今天
今天是:2024年08月26日(星期一)
2020年08月26日 | GPS车辆跟踪器
2020-08-26
本文介绍了一种简便的跟踪汽车位置、验证汽车驾驶员是否经过授权的方法。这种方法可用于汽车防盗、自动建立行车日志和货运、公交车队管理等。
车辆的经度、纬度信息通过标准移动电话文本信息传输,从而得到车辆位置的精确信息。
为该方案提供的代码可以从以下网站下载:
EPD-v2-01-3E.BSP:BASIC Stamp 主程序
1WIRE-ID.BSP:读取 DS1990A iButton 序列号的子程序
组成部分
该方案由下列各部分组成:
GPS 接收器(Garmin GPS 35),它提供车辆的位置信息
GSM 模块(Siemens TC35),用于将 SMS (文本信息)发送到预先设定的移动电话
iButton (DS1990A),用来验证驾驶人员是否被授权使用车辆
Parallax 公司的 BASIC Stamp (BS2P)控制模块,连接一个 BASIC Stamp 开发板(www.parallaxinc.com)。
软件:
EPD-V2-01-3E.BPS:BASIC Stamp 主程序
1WIRE-ID.BSP:读取 DS1990A iButton 序列号子程序
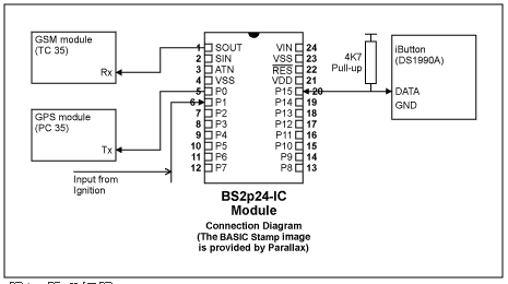
原理框图

图 1. 原理框图
GPS 接收器提供的信息以'NMEA'格式输出(NMEA 是美国国家航海电子协会缩写),纬度和经度信息从'$GPRMC'文句中提取出来,(按格式:"北纬 ABC","西经 DEF"输出)。
GSM 模块将 SMS 信息(文本信息)发送到预置的移动电话上。
而 DS1990A iButton (即所谓的"序列号 iButton")用于身份验证或"钥匙"。它包含一个全球唯一的 6 字节长的身份识别号码和 2 字节长的 CRC 校验码。序列号为“只读”类型,一个系统可以配备 2 枚 iButton 钥匙,其中一枚作为备用或提供给第二位授权司机。当然,也可以方便地配备更多的钥匙。
工作原理
系统启动过程中,BASIC Stamp 不断扫描,检测:
iButton 是否插入输入端?
汽车点火器是否工作?
要想汽车正常工作,该车被授权的 iButton 必须插入读写口,然后,汽车将在设定的 25 秒内启动。
如果出现下列情形,则被认为出现非法入侵:
已检测到汽车点火器开始工作,而合法的 iButton 并未在要求的 25 秒内启动汽车。
如果汽车启动后 25 秒内没有 iButton 连接到系统,同样被认为非法入侵。
一旦确定发生了非法入侵,BASIC Stamp 就开始查询来自 GPS 接收机的信息。等待'$GPRMC'信息出现在 GPS 接收机的串行输出端口。
BS2P 把 SMS 信息,包括从 GPS 接收到的'GPRMC'文本中提取的信息发送到预先设定的移动电话。
每隔 2 分钟上述过程重复一次,以便让车主时刻知道车辆位置。
系统集成
该设计的核心是 BASIC Stamp,它把 GPS 接收机、GSM 调制解调器、iButton 及汽车点火器检测有机的连接在一起,构成一个完整的系统。
点火线用于检测汽车是否被发动,当然,也可使用其他指示器(比如:超声波传感器或其他防入侵检测器等。)
GPS 接收器输出连接到 BASIC Stamp 的 P0。
GSM 接收模块的输入连接到 BASIC Stamp 的'Sout'或引脚 1。
BASIC Stamp 的 P1 引脚连接到点火器,输入高电平表明点火器在工作,反之亦然。
P15 用于与 iButton 接口。
需要提醒的是,BASIC Stamp 系列产品中 BS2P 支持 iButton 的 1-Wire 总线接口协议,而早期产品不支持。
登录移动电话号码
可按如下方法编程,输入移动电话号码:
======================================================
DEBUG "+44********** " ' Enter the destination mobile phone number here
======================================================
输入号码必须按下列格式:
+ 国家代码(上例中的 44 代表英国代码) + 个人移动电话号码。
该号码将是系统发送管理信息的目的号码,包括车辆的位置信息。
登录 iButton 序列号
输入将要使用的 iButton 序列号,如果只有一个 iButton 在该系统使用,则需要将该号码重复写入为备用 iButton 预留的存储器中。
iButton 代码的写入如下列程序所示。本例中,举例用的 iButton 代码已被输入系统。实际写入代码时,请用具体 iButton 的代码代替范例程序中'$'符号后面的数字,序列号以 16 进制表达。
一个单独的子程序可用于显示指定 iButton 的序列号,该串行号码被登录到最终程序代码,再下载到 BASIC Stamp 处理器中。
'登录第一个 iButton 序列号:'
IF romData(0) <> $03 THEN CheckSecond 'First Byte
IF romData(1) <> $F0 THEN CheckSecond
IF romData(2) <> $BC THEN CheckSecond
IF romData(3) <> $08 THEN CheckSecond
IF romData(4) <> $10 THEN CheckSecond
IF romData(5) <> $00 THEN CheckSecond
IF romData(6) <> $00 THEN CheckSecond
IF romData(7) <> $30 THEN CheckSecond 'Eighth Byte
GOTO ButtonOK
CheckSecond:
'登录第二个或其余的 iButton 序列号:'
IF romData(0) <> $01 THEN BadButton 'First Byte
IF romData(1) <> $68 THEN BadButton
IF romData(2) <> $21 THEN BadButton
IF romData(3) <> $24 THEN BadButton
IF romData(4) <> $08 THEN BadButton
IF romData(5) <> $00 THEN BadButton
IF romData(6) <> $00 THEN BadButton
IF romData(7) <> $31 THEN BadButton 'Eighth Byte
完成上述修改后即可跟踪汽车。
史海拾趣
|
最近一直都在调试我的控制板上外扩的ADDA,但是遇到了一个非常让人不爽的问题:同一个程序在不同的电脑上现象不同,在我的笔记本上ADDA都能调通,但是在实验室的电脑死活不行。前一段时间CCS3.3不知道为什么老出问题,我卸了好几次,昨天重装了一遍 ...… 查看全部问答> |
|
U-Boot 1.1.1 (Development build, svnversion: u-boot:已导出 , exec:已导出 ) (Build time: Jan 18 2010 - 21:30:42) BBBdr_hertz=333000000, ddr_ref_hertz=50000000, ddr_config_valid_mask=1 BBBdr_interface_mask=1, ddr_config_valid_mask ...… 查看全部问答> |
|
利用WINCE开发一个无线网络监控程序,希望能扫描得到当前可用的无线资源(这已实现)。 有个问题是,能不能指定扫描的channel呢?就是说,假设有11个CHANNEL可以用,但是我在扫描的时候只想扫描1、3、6号channel,如何在程序中设置呢? 哪位大侠能 ...… 查看全部问答> |
|
用SOPC的IP核生成了一个工程文件(暂时把这个顶层叫vip吧)之后,想要将vip模块作为我一个子模块例化一下。可是这样做了之后编译不能通过,报错如下:Error (10613): VHDL syntax error at video_conver_top.vhd(153): experienced unexpected end- ...… 查看全部问答> |
|
第一套应急灯我做的是3W功率的LED,这个是我独立设计并制作完成的。第二套LED应急灯是灰太狼设计的、我组装的采用MAX16804的应急灯。再次谢谢SOSO 琳子姐姐,还有灰太狼!有机会请你们吃饭!! 下面也是图片展示制作过程:… 查看全部问答> |
|
[诚寻] DSP开发 DSP测试 RF测试工程师 上海 15-22万 非诚勿扰 请自荐或是推荐的朋友发送简历到以下邮箱: Jerome.zhang@focu-search.com QQ:727190736 申请职位请务必在邮件中注明所申请职位的名称、目前的薪酬大致情况和期望、您目前的工作地点。 谢谢! 统招本科 硕士优先(本科3年左右 硕士2 ...… 查看全部问答> |
|
最近在调STM32F439的板子,想用双ADC同时采样,发现ADC1数据正常,ADC2无数据,求大神指点。 下边是程序代码: uint16_t ADC_Value[8]; #define ADC1_DR_ADDR 0x4001204C //ADC1_DR 地址 static void Init ...… 查看全部问答> |
|
基于串口的数字万用表创意进度帖+RL78G14开发环境的安装 有朋友问我怎么安装开发环境,过程中遇到了一些问题,特别是注册那个激活码。 我这里重新搞一遍,与大家分享一下经验 如图,建议把所带光盘使用UltraISO软碟通将光盘制作成ISO文件,然后加载到虚拟光驱,这样运行速度更快.安装更省时. 然后运行根目 ...… 查看全部问答> |




