历史上的今天
今天是:2024年09月02日(星期一)
2020年09月02日 | 电路图天天读(29):基于MSP430的指纹识别门禁系统电路模块
2020-09-02 来源:elecfans
基于MSP430的指纹识别系统,主要有三部分组成,第一部分为指纹识别模块,用来实现指纹的采样和比对。考虑到开发周期,系统稳定性等方面的问题,采用了“可编程指纹模块”B IG1080P- H指纹识别模块。第二部分为读写电路,采用串行MF RC531芯片,用来实现非连接的读写控制。第三部分为键盘与液晶电路,键盘用来触发控制箱从低功耗状态苏醒, 液晶用来提示操作过程。选用HF12232F模块,可以显示7.5&TImes;2个(16&TImes;16点阵)汉字。
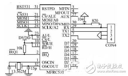
接口电路模块
MFRC531是应用于13.56MHz非接触式通信中高集成读写卡芯片系列中的一员。该读写卡芯片系列利用了先进的调制和解调概念, 完全集成了在13.56MHz下所有类型的被动非接触式通信方式和协议。MFRC531 支持ISO/IEC14443A/B的所有层和MIFARE经典协议, 以及与该标准兼容的标准。支持高速MIFARE非接触式通信波特率。内部的发送器部分不需要增加有源电路就能够直接驱动近操作距离的天线(可达 100mm)。接收器部分提供一个坚固而有效的解调和解码电路,用于ISO14443A兼容的应答器信号。数字部分处理ISO14443A帧和错误检测( 奇偶&CRC)。此外,它还支持快速CRYPTO1加密算法,用于验证 MIFARE系列产品。与主机通信模式有8位并行和SPI模式,用户可根据不同的需求选择不同的模式,这样给读卡器/终端的设计提供了极大的灵活性。在本系统中,与主机通信模式选用SPI模式(如图2所示),同时可以节约CPU的IO口资源。

MFRC531天线设计模块
MFRC531是实现通信的核心模块,也是控制器控制读写IC卡的关键接口芯片。它根据寄存器的设定对发送缓冲区中的数据进行调制得到发送的信号,并通过TX1,TX2脚驱动天线以电磁波的形式发出去。天线(如图3所示)发出频率固定的电磁波13. 56MHz,射频卡接收到电磁波后,由卡中自带的LC串联谐振电路产生共振,从而使电容充电有了电荷,再接一个单向导电的电子泵,将电荷送到另一个电容内存储,经过滤波整流后产生 2V 的电压作为电源供卡片工作使用。卡片处理接收的命令和数据,并将结果返回给读写器。

MODEM通讯模块

电子发烧友网技术编辑点评分析:
在本系统中电源选用了功耗极低MSP430 作为控制器。它的工作电压范围为1.8~3.6V,有一种活动模式和5种低功耗省电模式,6μs内从等待状态唤醒。这些特点使MSP430系列芯片在电池供电,便携式设备的应用中表现出优良的特性。控制箱采用锂电池给CPU及其他模块供电。由于设备使用频率较低,功耗较少,可以设计当设备在夜晚或者周末非正常工作时间时,采用电话线给锂电池充电。电话局交换机通过提供直流馈电的方式向用户供电,一般直拨电话的空载电压为48V,分机为24V,交换机提供的摘机电流大约20mA。因此,控制箱系统可以主动摘机,然后利用这20mA的摘机电流对电池充电,当然,充电不能在正常工作时间进行,这样会造成监控中心需要传输数据时无法拨通本控制箱号码,因为本方事先摘机时对方会检测到忙音。
史海拾趣
|
详细信息: 书籍作者:复旦大学物理系 编 图书出版社:上海人民出版社 图书类别:理科、工程技术 出版时间:1972-09 印刷时间:1972-09-01 开本:大32开 页数:631 页 印张:20 装订:平装… 查看全部问答> |
|
我一直做的是日本的汽车音响的软件(10多年),用的是日本的瑞萨,NEC,富士通单片机,嵌入式操作系统是uiTron,语言是C语言。日式的汽车音响使用现成方案的很少,电路,芯片,软件系统都是厂家自己设计的。 做过汽车音 ...… 查看全部问答> |
|
本帖最后由 jameswangsynnex 于 2015-3-3 20:00 编辑 国产3D音视频解码数字标准已经完成制定,这套拥有完整自主知识产权的标准将填补中国在3D电视标准上的空白。工信部AVS标准(数字音视频编解码技术标准)工作组秘书长黄铁军日前表示,最新版本的 ...… 查看全部问答> |




