历史上的今天
今天是:2024年09月04日(星期三)
2020年09月04日 | 采用MSP430单片机的可穿戴式血糖仪电路设计
2020-09-04 来源:elecfans
介绍了一种便携式血糖仪的设计。该设计主要从低功耗及精确性的角度出发,以MSP430系列单片机为核心,葡萄糖氧化酶电极为测试传感器,较快地测试出血糖浓度。此外,所设计的血糖仪还具有储存功能,有助于用户查看血糖浓度历史值和变化趋势。
血糖测试电路:在酶电极两端滴入血液后,会产生自由电子。由于电极两端存在激励电压,就会有定向电流流过电极。该激励电压是由ADC模块提供的1.5V稳压通过电阻分压而产生的,大约在300mV左右,它能产生μA级别的定向电流。由于A/D转换模块测量的是电压,所以需要将该定向电流转换成电压,并且进行一定的放大。本系统采用图2所示的电路来实现电流到电压的转换和放大。运算放大器LM358的反相端连接血糖试纸上的 酶电极,当有血液滴入时,该电极与地之间为等效电阻Rx,流过该电阻的电流正比于血液中的血糖浓度值。

MSP430的A/D模块输出1.5V的稳压通过R2 和R3分压,产生300mV的激励电压,该电压通过运放的正端加到电极两端。R4起到反馈放大的作用,它将运放的输出范围限定在A/D模块的转换范围内。在PCB板布线时,由于运放输出和MSP430的ADC模块输入I/O口之间的走线比较长,为了确保测量值的准确,需要对测试电压进行滤波,C21就是用来起滤波作用的,以减少走线过长所引入的外来干扰对血糖测试的影响。而运放直接接电容负载容易引起输出震荡,R14的作用就是隔离运放和电容。由于电阻R14上会有电流流过,这样电阻两端就有压降存在,电压信号会受此影响而变化,为了不影响血糖测试的精度,R14 的值不能取得过大。跟据经验值取50Ω。
温度检测电路:由于血糖测试是利用生物电化学反应,而影响该反应的重要因素是温度。在不同的温度下,葡萄糖氧化酶的活性不同。即使是相同血糖浓度的血液,采用相同的激励电压,在不同温度下,由葡萄糖氧化酶氧化产生的电流大小也不同。所以需要根据温度进行补偿以获得正确的血糖浓度值。当温度过高或过低时,葡萄糖氧化酶就会完全失去活性,此时血糖仪需要给出报警,提示用户仪表不能在该温度下进行操作,避免得出错误的检测值。温度测试电路如图3所示。

图中,R9是热敏电阻ET833,该电阻具有负温度特性。 R10是阻值为83k Ω的高精电阻。R9上 端接的是由MSP430的A/D转换模块输出的1.5V稳压,由 于该1.5V稳压也是 A/D转换模块的参考电压,因此这种接法能够消除A/D参考电压抖动所引起的转换误差。血糖仪正常工作时,通过测得P6.1端口的电压,计算出热敏电阻R9的大小,然后根据ET833的特型曲线,推算出温度值,以进行温度补偿。
数据存储电路:为了方便用户能随时查看血糖的变化情况,本血糖仪具有存储血糖值的功能。用户不仅能查询每次测量的历史值,还能够查询最近28d内的血糖值的变化趋势,根据血糖变化趋势,制定正确的用药方式,达到控制血糖浓度的目的。

本系统最多能够存储1000个历史数据,每个历史数据需要8B来保存,数据包含血糖值浓度及测试日期这两个信息,这样就需要8000B的存储空间。 24LC64是微芯公司出产的一片E2 PROM芯片,能够存储8KB,因此选取一块24LC64芯片即足够。
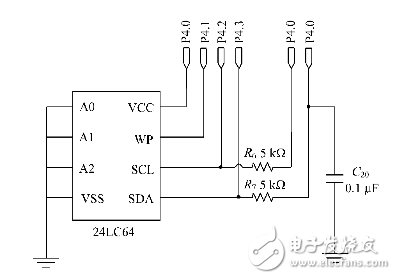
E2 PROM和单片机之间的具体接线方式如图所示,P4.0~P4.3都是MSP430的数字I/O口。P4.1是写保护引脚,用来避免由于外部干扰或者程序出错对EPROM的误写操作。P4.2和P4.3是24LC64和MSP430进行通信的连接口。P4.0用于对24LC64供电,利用I/O口对该芯片供电的目的是为了降低系统运行时的整体功耗,此外,还节省了电子开关,降低了成本,有利于布线。
史海拾趣
|
近年来,Internet得到了飞速发展与普及应用,而作为其核心技术的IP协议体系在数据网络架构中的统治地位已得到了广泛认同。同时,随着IP技术的发展,一些科技智能设备也相继上市。 网络电源控制器就是很有代表性的例子,常被我们称为网络智能PDU。那 ...… 查看全部问答> |
|
各位大虾, 在我的硬件平台上,有SM502,并且Nk中加入了其驱动和DirectX组件,采用TCPMP0.81可以采用DirectDraw。 我不知道在代码中如何设置采用DirectDraw,请大虾指点. & ...… 查看全部问答> |
|
德州仪器公司的eZ430-RF2500开发工具,它包括两个U盘大小的开发板,支持相互间的无线连接(图4)。无线连接对我有吸引力,因为很多年来我都希望用它做一个项目,并且,似乎为一个设计增加无线功能,最后就能实现为系统增加模块,而不必自己从头搭一 ...… 查看全部问答> |
|
UC3842是一种高性能的固定频率电流型控制器,鉴于此,本文提出了一种基于UC3842的医疗开关电源设计方案。该方案中的开关电源设计采用单端反激式结构,实现90-264Vac供电,12V的直流输出,具有瞬态响应快、电磁兼容好、 输 ...… 查看全部问答> |
|
RC632读m1卡密码验证不过,想请大家帮看下问题出来什么地方 #include #include #include\"RC632.h\" #include\"slrc632.h\" #include\"iso14443a.h\" void Delay_50us(unsigned int t); void DelayMs(unsigned int t); extern void UART0_init(void); extern void SendData(unsigned char SendByte); ...… 查看全部问答> |
|
python实现简单爬虫功能 在我们日常上网浏览网页的时候,经常会看到一些好看的图片,我们就希望把这些图片保存下载,或者用户用来做桌面壁纸,或者用来做设计的素材。 我们最常规的做法就是通过鼠标右键,选择另存为。但有些图片鼠 ...… 查看全部问答> |




