历史上的今天
今天是:2024年09月11日(星期三)
2020年09月11日 | 基于msp430f448单片机的交流电压测量
2020-09-11 来源:elecfans
随着时代的进步和发展,单片机技术已经普及到我们生活、工作、科研、各个领域,已经成为一种比较成熟的技术, 本文主要介绍了一个基于msp430单片机的交流电压测量系统,详细描述了利用单片机和简单模拟电路实现交流电压的测量过程,重点对模拟电路与单片机的硬件连接,软件编程以及各模块系统流程进行了详尽分析,对各部分的电路也一一进行了介绍,该系统可以方便的实现交流电压的测量与显示,它使用起来相当方便,具有精度高、量程宽、灵敏度高、体积小、功耗低等优点,以msp430单片机为主,模拟电路为辅,该系统结构简单,抗干扰能力强,有超低功耗等特点。适合于恶劣环境下进行现场温度测量,有广泛的应用前景。
本次设计的目的就是让我们在理论学习的基础上,通过完成一个智能仪表的设计,使我们学生不但能够将课堂上学到的理论知识与实际应用结合起来,而且能够对电子电路、电子元器件、印制电路板等方面的知识进一步加深认识,同时在软件编程、排版调试、焊接技术、相关仪器设备的使用技能等方面得到较全面的锻炼和提高。
描述了一种简易的交流数字电压表的系统设计。系统以msp430f448为核心,该单片机内部集成了12位的A/D转换器,转换器带有内部参考源、采样保持、自动扫描特性,极大地简化了硬件设计。因为单片机内部中断资源丰富,电压转换、定时等都采用中断触发,减少了系统响应时间,提高了软件执行效率。此外该单片机的液晶驱动能力可达160段,可以直接将A/D转化数据显示在LCD上。
MSP430F44x系列是TI公司推出的一款超低功耗的16位单片机,其运算速度快而且体积小。片内集成了8路12位A/D、串行通信接口、看门狗定时器、比较器、硬件乘法器等外围设备模块,从而降低了应用电路的复杂程度,提高了系统的可靠性。该芯片可以工作于2.5 V和3.3 V两种电压下,并且可以处于休眠状态,此时的频率只有32768 Hz,功耗非常低,环境温度范围为-40~+125℃。这些优点非常适合设计便携式,且要求长时间连续工作,环境温度变化宽的智能仪器仪表设备。MSP430F44x系列单片机具有其他单片机无法比拟的优点,用其来实现交流电压的测量是一种很好的设计方案。
1.设计背景
1.1本课题背景
近年来,随着微型计算机的发展,他的应用在人们的工作和日常生活中越来越普遍。工业过程控制是计算机的一个重要应用领域。其中由单片机构成的嵌入式系统已经越来越受到人们的关注。现在可以毫不夸张的说,没有微型计算机的仪器不能称为先进的仪器,没有微型计算机的控制系统不能称其为现代控制系统的时代已经到来。
本课程设计是系统以msp430f448为核心,该单片机内部集成了12位的A/D转换器,转换器带有内部参考源、采样保持、自动扫描特性,极大地简化了硬件设计。因为单片机内部中断资源丰富,电压转换、定时等都采用中断触发,减少了系统响应时间,提高了软件执行效率。此外该单片机的液晶驱动能力可达160段,可以直接将A/D转化数据显示在LCD上。
1.2 设计内容
1、能利用所设计的数字交流电压表测量某一交流电压 2、能在环境温度范围为-40~+125℃的环境下正常工作 3、测量精度为0.01v
4、测量温度由LCD液晶屏直读显示
2交流电压测量系统简介
2.1 设计方案
系统主要由以下4大模块组成:中央处理器、电源电路、电压极性转换电路和显示电路。
为了保证硬件电路设计的通用性,采用单级性电压测量的方法,将输入的双极性电压转换成单级性电压进行测量。然后将转换后的电压送入单片机A/D模拟通道进行模数转换,最终将转换的数字信号在LCD液晶上显示。系统设计框图如图1所示。


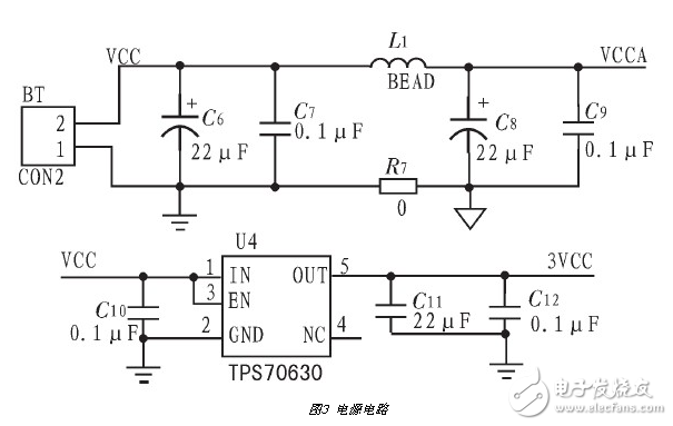
2.3电源电路
用电池给系统供电,由于MSP430系列有内置模拟电源和模拟地,所以要进行模拟电
源和数字电源的转换,以便给芯片供电。然后将电池电源转换为3V左右的电源给系统供电。具体电路如图3所示。


2.4 A/D转换、输出显示电路及JTAG接口电路
A/D转换用到了模拟输入通道A0,LCD显示用到了S0至S20,使用4MUX模式。液晶
所需要的模拟信号由外接的等值电阻产生。具体电路如图4所示。


图2.5晶振及复位电路
2.6系统总硬件电路图
系统总硬件电路图包括中央处理器msp430单片机、电源电路、电压极性转换电路和显示电路及晶振电路。

3系统软件设计
3.1 概述
对于交流采集,需要在1个工作周期内采集40个点,即时间间隔为500μs,时间间隔
采用定时器实现。






3.3 调试及仿真
经软件调试-仿真器proteus调试通过,并烧录芯片,得到所要求的设计结果。如图3.4试验成功。

通过上述结果分析,测量较高值时测量精度有点低,误差大。但数值小的时候测量精度很高。不足之处是本设计的外围分压电路是通过调节电位器来实现的分压效果,实际电路受到电压源等因素影响较大,这之间会因为电压值的不同而引起效果好坏的改变。
结 论
本设计是用基于msp430单片机的一款交流电压测量系统。硬件电路包括晶振及复位电路,电源电路,电压极性转换电路,和显示电路。电路结构小巧紧凑,是比较实用的交流电压测量仪。
文中的程序通过MSP430开发工具IAR EmbeddedWorkbench编译、运行。在实验室做成一个简易电路,并将程序下载到电路板上进行运行,发现此电路可以实现测量交流电压的功能,但在精确度方面需要进一步改进。
参考文献
[1] 李群芳。张士军。单片微型计算机与接口技术。北京:电子工业出版社.2008. [2] 李光飞。楼然苗。胡佳文。谢象佐。单片机课程设计实例指导。北京:北京航空航天大学出版社.2004.
[3] 沈德金。陈粤初。单片机接口电路与应用程序实例。北京:北京航天航空大学出版社.1990.
[4] 徐爱钧。彭秀华。单片高级语言C51应用程序设计。北京:电子工业出版社.1998. [5] 李群芳。单片微型计算机及其应用。南京:东南大学出版社.2004.
史海拾趣
|
1?常见故障分析 (1)开机时调节6W,励磁电流电压无输出。 原因分析:励磁电流电压无输出,肯定是晶闸管无触发脉冲信号,而六组脉冲电路同时无触发脉冲很可能是移相插件接触不良,或者同步电源变压器4T损坏,造成没有移相给定电压加到六组脉冲电路 ...… 查看全部问答> |
|
大概的思想是:通过现场的检测到的数据,用单片机控制GSM发回到我的服务器上进行数据处理,实现远程的无线监控。现在搞不懂的是除了GSM模块之外是不是还要有另外的一个无线天线之类的东东进行信号的发射?请了解这方面的大侠给我简单讲解一下这个过 ...… 查看全部问答> |
|
大家好!我用的单片机是C8051F020,我的三个IO口出了问题,设置IO口是漏极开路状态,交叉开关也没问题,没有数字外设。有两个奇怪的现象 一。我写P2=0XFF;,在KEIL中看P2.7始终是0,其它口是1.量单片机P2.7引脚,引脚上也是0V电压,也就是说无法 ...… 查看全部问答> |
|
出问题的代码如下: #pragma memory = dataseg(DATA16_N) float fa; ... 我的本意是想把变量定义在非易失RAM中(0x200~5ff),在编译后,从第二句开始就提示如下警告信息: Warning[Be008]: a #pragma dataseg is active but is not applica××e to ...… 查看全部问答> |




