历史上的今天
今天是:2024年10月13日(星期日)
2020年10月13日 | 超低功耗MSP430无线充电电路详解
2020-10-13 来源:elecfans
本文无线充电系统的设计是用线圈耦合方式传递能量,使接收单元接收到足够的电能,以保证后续电路能量的供给。由于无线传电电压随能量发送单元和接收单元耦合线圈的间距D在测试中需要改变,而充电时间相对固定,便于控制,所以充电方式上选择固定电流充电的恒流充电方案。在器件选择上选择有多种省电模式,功耗特别省,抗干扰力特强的 MSP430系列超低功耗单片机MSP430F2274作为无线传能充电器的监测控制核心芯片,电压和充电时间显示采用低功耗OCM126864—9液晶屏,以提高充电电路的能量利用效率。
无线充电系统主要采用电磁感应原理,通过线圈进行能量耦合实现能量的传递。如图1所示,系统工作时输人端将交流市 电经全桥整流电路变换成直流电,或用24V直流电端直接为系统供电。当接收线圈与发射线圈靠近时,在接收线圈中产生感生电压,当接收线圈回路的谐振频率与发射频率相同时产生谐振,电压达最大值,具有最好的能量传输效果。通过 2个电感线圈耦合能量,次级线圈输出的电流经接受转换电路变化成直流电为电池充电。
电源切换
直流输入采用单刀双闸继电器,交流上电常开闭合,常闭打开实现交流优先,交流断电继电器断电,常闭闭合,实现自动切换。在切换时,时间很短,C1可提供一定时间的电量,可以实现不断电切换,不影响充电。见图2所示 。


发射及接收电路
发射电路由振荡信号发生器和谐振功率放大器两部分组成, 见图3所示。采用NE555构成振荡频率约为510KHZ信号发生器 ,为功放电路提供激励信号;谐振功率放大器由Lc并联谐振回路和开关管IRF840构成。振荡线圈按要求用直径为0.8mm的漆包线密绕2O圈,直径约为 6.5cm,实测电感值约为142uH , 当谐振在510KHZ时,与其并联的电容c5、c6 约为680P,可用470pF的固定电容并联一个200PF的可调电容,可方便调节谐振频率。大功率管TRF840最大电流为8A、完全开启时内阻为0.85欧,管子发热量大,所以需要加装散热片。当功率放大器的选频回路的谐振频率与激励信号频率相同时,功率放大器发生谐振,此时线圈中的电压和电流达最大值,从而产生最大的交变电磁场。当接收线圈与发射线圈靠近时,在接收线圈中产生感生电压,当接收线圈回路的谐振频率与发射频率相同时产生谐振,电压达最大值。构成了如图4所示的谐振回路。实际上,发射线圈回路与接收线圈回路均处于谐振状态时,具有最好的能量传输效果。


充电电路
如图5所示,电能经过线圈接收后,高频交流电压经快速二极1N4148($0.0054)进行全波整流,3300F的电容滤波,再用5.1v压二极管稳压,输出直流电为充电器提供较为稳定的工作电压。为了准确控制充电时间,我们在设计中采用恒流充电的方法,可以保证充电电流大致为一常数I,上述电容电压与时间的关系可表示为:根据题设要求,充电时间应满足快充小于30s,慢充控制在100到140S , 计算出快充、慢充所需 电流大小快I1慢I2: 分别为,图 5中二极管 D1、 D2的导通电压基本不变,故可作为电压基准。可见在恒流充电电路中,充电电流仅由电阻R1、R2确定。计算中约定U=0.7充电电流Ic( 三极管集电极电流)Ie,计算出快充、慢充所需电阻R1、R2分别,设计中采用可调电阻, 可调节充电电流的大小 。

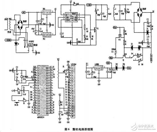
整机电路原理图

充电效率是一个不得不考虑的问题。设计系统可以在发射接收电路的能量传输部分做适当改进,以获得更高的效率和更远的距离;也可以设计充电设备检测电路,在没有能量接收电路时能量发送部分处于睡眠状态,当能量接收电路靠近发送部分时,激活发射电路开始充电。本设计系统达到了设计要求,具有无线充电、携带方便、成本低、无需布线等优势,有着广泛的应用前景。
史海拾趣
|
请朋友帮忙下载的,供大家参考,希望看后大家对数字示波器有个系统的来了解: 示波器的发展与合理选择 结合工作实践,介绍模拟示波器、数字存贮示波器、数字荧光示波器等三代示波器的概念、结构、工作原理及其特点,针对影响示波器价格的多种因素, ...… 查看全部问答> |
|
当初拿到此款PELCO快球也属幸运!朋友送来维修的,刚拿到手里,沉甸甸的,挺有份量,厚实的外观,真的有点美国悍马风范! 原来此球装在潮湿环境,最后经过检测,系转接座电源入口安规电容短路,拆掉其,球机即可恢复上电运转。另外其通信输入口也 ...… 查看全部问答> |
|
location:Beijing 20w/yr luffy.gu@e4u.cn Job Title 产品开发项目经理 Technical Project Manager (Beijing) Roles and Responsibilities 1. 国际台式产品(Think Center)项目经理,负责国际台式产品的设计、开发和产品生命周期内产品维护工 ...… 查看全部问答> |
|
在PDA,安装CAB包后,一般在系统提供的\"remove programs\"工具里,可以将以前安装的某个CAB软件,卸载掉。 请问:WINCE是不是提供了此API,简单调用就可完成此功能。 总不能记着CAB,都做了哪些操作,然后一项一项还原吧?… 查看全部问答> |
|
飞凌ARM9开发板 OK2440-II新增多媒体教程喽!!! 在新生开学之际,飞凌嵌入式技术有限公司为降低学生学习嵌入式的难度特针对OK2440-II型开发板退出了多媒体学习教程,操作详细,针对性强。 飞凌公司OK2440-II开发板是一款功能强大、接口丰富、学习资料详实的开发学习套件!为进一步降低初学者学习 ...… 查看全部问答> |
|
在使用合纵达开发板时查看了一下C语言的执行效率,发现非常之低。 以定时器中断为例(合纵达开发板样例程序),只在在中断中点灯并延时后熄灭,看延时时间,时钟150M,通用定时器不分频,周期中断。延时为while(i<100){i +=1;},即执行100个延时 ...… 查看全部问答> |
|
我用MDK在STM32调试中断时出现了一个问题,当程序下载到Flash调试时运行正常, 但当想在SRAM中调试时程序根本进入不了Main函数里面。请给位大侠帮忙啊~ SRAM调试设置没有问题~我试过在SRAM中调试流水灯~ Jlink会提示一个警告:T-bit of ...… 查看全部问答> |
|
相信很多刚刚涉入到51单片机的人来说,一个简单的Proteus可以解决很多问题,不用一个很小的问题也要去焊接电路。但是在使用Proteus的时候,我们发现很多元件自己找不到!今天分享给大家,希望对大家有所帮助… 查看全部问答> |
|
【连载】【ALIENTEK 战舰STM32开发板】STM32开发指南--第三十六章 DHT11数字温湿度... 第三十六章 DHT11数字温湿度传感器实验、 上一章,我们介绍了数字温度传感器DS18B20的使用,本章我们将介绍数字温湿度传感器DHT11的使用,该传感器不但能测温度,还能测湿度。本章我们将向大家介绍如何使用STM32来读取DHT11数字温湿度传 ...… 查看全部问答> |




