历史上的今天
今天是:2024年10月15日(星期二)
2020年10月15日 | 基于ARM7的指纹考勤机系统电路模块设计
2020-10-15 来源:elecfans
考勤系统现在已经成了很多公司必备的设备,但是传统的考勤系统容易出现代替打卡,刷卡的情况。新的指纹考勤机就彻底避免了这种情况的发生,在本文就介绍了以ARM7芯片为核心,设计了一款指纹考勤机的方案。此产品兼具指纹考勤和刷卡考勤两项基本功能。生物识别技术依靠其鉴别的唯一性和可靠性,经过近十年的发展,应用已经越来越广泛和成熟,目前指纹识别技术已趋向民用市场普及,指纹考勤机就是其主要的应用之一。采用功能强大的S33C44B0X处理器设计了一款指纹考勤机,在功能、接口、价格等方面都有着极大的优势。
系统硬件设计
本系统主CPU采用的是三星公司的S3C44B0X处理器,该处理器具有功能多、功耗低、运算速度快、价格低廉等优点。硬件设计主要包括指纹采集、刷卡采集、和电源管理三个部分。存储器采用外接的方式,分别接了64M的HY57V641620HG的SDRAM和16M的39VF1601的flash。语音提示模块采用的是总长为21S录音时间的AP8921A芯片。上位机通讯通过CH341芯片进行异步串口转USB1.1接口,用户对外可以按照正常的USB接口使用,省去了麻烦的串口。系统采用了MAX1508芯片通过USB接口给锂电充电,平时采用电池供电,插上USB接口后即可通过USB接口给系统供电,并给锂电充电。按键总共有三个,一个是系统的开关机按键,另外两个分别是实时时钟设的置按键和方向键。
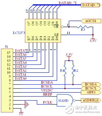
指纹采集电路模块
指纹采集传感器采用OV7620,并以I2C总线及DMA的数据传输方式实现与CPU的信息交互。图2为指纹采集接口。

图2 指纹采集接口
J1为采集头的接口,主要有15个引脚,其中引脚8至引脚15为数据输出接口,连接至锁存器,最终接到数据总线上;引脚6、7为I2C总线,用于对传感器寄存器进行初始化设置;引脚3到引脚5分别为传感器的时钟信号、行同步信号和帧同步信号。帧同步信号直接连接至CPU的通用I/O端口GPF3 上,行同步信号和时钟信号通过与非门接至CPU的外部DMA请求输入nXDREQ1。
当nXDREQ1输出由高电平变得低电平时,传感器便有数据输出,并且数据能够维持至下一个同样的过程的到来。这正好符合44B0的外部DMA 请求的单步模式的要求。于是自然就可以采用DMA的方式来读取数据。最终的数据读取是通过片选锁存器来实现的。由于DMA的方式不干预CPU,因此也大大提高了读取的速度。
刷卡采集电路模块
刷卡采集选用的是MTP-125K4模块,并选择ASCII方式以及固定的9600bps输出RS232数据,感应距离为30cm,其输出数据端口直接连接CPU的串口1接收端即可。输出的数据格式为头码(02)+10ASCII数据+Checksum校验码+结束码(03),事实上我们只需存储10位数据信息中的4位卡号。具体电路如图3所示。

图3 读卡模块
电源管理电路模块
电源管理部分采用了1150mAh的LI电,通过DC-DC升压至5V,再通过LDO给系统所需要的3.3V和2.5V电压。其中DC-DC是LT1308A芯片,LDO采用AMS1117-3.3V和AMS1117-2.5V,可以为系统提供稳定的电压供给。
图4是电源开关控制部分电路,功能为实现USB和电池供电的切换。当未插入USB时采用电池供电,而连接时系统采用USB供电。S9为总电源开关。具体的实现过程为:电池供电时,开关S9按下,TEST1点由高变低,Q0导通,NAND网络为高,系统开始供电,此时程序运转并给与SHDN引脚高电平信号,促使Q6导通,此时即使按键抬起TEST1点仍为低电平,维持Q0的导通。当插上USB后,按键的按下使得Q4导通,Q0此时截至,系统由电池供电切换为USB供电,其它道理相同。关机时按键按下,POWER_DET网络检测电平由高变低,给予SHDN低电平,Q6截至,按键抬起后无论是Q0还是Q4均截至,系统断电。

图4电源管理模块
本系统采用了大量成熟的模块,具有指纹采集、刷卡、语音提示、实时时钟、USB接口等功能的一款便携设备。本产品目前已经研制出样机,经调试检测各项指标合格,实现了上述各项功能,满足了产品的设计指标。
史海拾趣
|
摘要: 介绍了DDFS的原理和Altera公司的FPGA器件ACEX 1K的主要特点,给出了用ACEX 1K系列器件EP1K10TC144-1实现数字频率合成器的工作原理、设计思路、电路结构和仿真结果。 关键词: DDFS;FPGA;快速通道互连;仿真 1 概述 1971年, ...… 查看全部问答> |
|
今天焊了一个ep2c8q208的板子,焊完电源后检查3.3v 1.2v电源正常,开始焊cyclone ii,焊完后,焊接jtag和as下载电路,焊完后检测时发现jtag不能下载,而as可以下载。 经检测jtag原理图正确,jtag管脚和fpga管脚连接没断路没短路 晶振是50m,测试时 ...… 查看全部问答> |
|
本帖最后由 paulhyde 于 2014-9-15 09:17 编辑 免费赠送D78F1203资料,里面全是英文,且没有具体的引脚信息,但是有对它的介绍,相信对大家有用,万一大会让制定用这个芯片就麻烦了 … 查看全部问答> |
|
MPC8245 CPU板,通过底板PCI挂个8139的网卡,boot启动后从网络下载印象时一直下载不了。网卡的链接和数据灯都亮着,主机也提示网络已链接,fpt sever没有客户端访问信息。目标机串口启动信息如下 boot device &nbs ...… 查看全部问答> |
|
我有一台机器 PPT 8846 r3bz00ww 系统pocket pc 2003 是英文的 我想刷成中文版 好像少了一个 OS Image中文版(CS)的HEX文件 哪位大大可以提供点帮助啊 十分感谢 (成功了不限于口头上的) 我的QQ869048686 … 查看全部问答> |
|
开发一个嵌入式东西。cpu300多M,内存60M。现在的程序启动之后,cpu也就10%,内存占11m;想用虚函数的技术。不知道效率上会带来什么问题。嵌入式系统能用虚函数这种耗资源的技术吗 另外,程序对可靠性要求比较高,要求持续运行几年没问题,不知道虚 ...… 查看全部问答> |




