历史上的今天
今天是:2024年10月30日(星期三)
2020年10月30日 | 步进电机的“凌波微步”,是如何炼成的?
2020-10-30 来源:eefocus
自从第二次工业革命将人类带入电气化时代之后,我们这个世界的“运转”在很大程度上都是电机驱动的。作为一种将电能转化成机械能的执行元件,无论是在工业领域的大型装备还是我们身边的小型化电子产品中,都可见电机的身影,其应用的广泛性可见一斑。
根据工作的原理,电机通常被划分为有刷直流电机(BDC)、无刷直流电机(BLDC)、永磁同步电机(PMSM)、交流感应电机(ACIM)、开关磁阻电机(SRM)和步进电机(Stepper)等。它们各具特点,在长期的市场打拼中也都找到了自己最擅长的应用领域,今天我们就着重来谈谈其中的步进电机。
步进电机的机遇与挑战
与其他类型的电机相比,步进电机的工作方式比较特别,它是通过电脉冲信号控制角位移或线位移,给电机加一个脉冲信号,电机就会转过一个步距角,在非超载的情况下,电机的转速、停止的位置只取决于脉冲信号的频率和脉冲数,而不受负载变化的影响。这种脉冲信号与转动/移动位置之间的线性关系,使得人们可以通过控制脉冲宽度、占空比或输入脉冲周期来对电机的运动进行精确的管理。而且步进电机只有周期性的误差而无累积误差,这使得其在需要高精度角运动的数字控制系统中,如鱼得水、应用广泛。
根据中国工控网的分析,在最近三年中,中国的步进电机市场保持着 10%左右的稳定增长,2020 年的总体规模将达到 11 亿元左右。除了传统的工业应用之外,步进电机在一些新兴领域的渗透尤为引人注目。
比如方兴未艾的 3D 打印机,要想精准地控制打印头的“走位”,使其能够按照设计要求将打印材料在 3D 空间堆叠成我们想要的样貌,高精度的步进电机就是不可或缺的部件。
还有在手机领域,如今为了实现完美的全面屏,很多旗舰型手机采用了升降摄像头的解决方案,平时将摄像头模组藏在机身内部,需要的时候通过一个步进电机驱动将其抬升起来,用完了再降回到原先的位置。这样的步进系统不仅要满足运动精确性的要求,还要受到手机产品本身在可靠性、体积、成本、功耗等多方面的约束。
由此可见,今天的步进电机系统在获得新的发展机遇的同时,面临的技术挑战也确实不小。
步进电机控制的新“境界”
有效应对这些技术挑战,除了步进电机自身的品质与能力之外,很重要的一环就在于电机驱动。通俗地讲,一个步进系统中电机驱动器的作用,就是将脉冲控制信号“翻译”为步进电机明白的指令,并据此提供电机运行所需的功率,驱动其完成“规定”的动作。这从原理上很好理解,可是要真正实现完美的电机驱动和控制,一定需要步进电机、驱动 IC、控制算法之间的默契配合。
这就像是帮助步进电机练就“凌波微步”这样的武功绝学,想要真正达到走位精妙、心身合一的境界,就需要电机驱动技术能够满足以下这些要求:
更高的分辨率:毋庸赘言,这是实现精准运动控制的基础,分辨率越高,步进电机步进角的位移也就更精细。
更高的效率:具统计,全球电力供应的 28%是被电机消耗掉的,随着步进电机应用的发展,其效率提升的每一个百分点,带来的节能总量都会相当可观。
更低的成本:步进电机想要渗透进更多应用领域,特别是消费级市场,这个能力必不可少。
更低的噪声和振动:这一优化,将是提升用户体验的一个关键特性。
更可靠和耐用:确保步进电机安全可靠工作的保护功能和防护措施不能少。
要想练就上面所述的这些“功力”,必须有一些“修炼”所需的“法门”,也就是实现高精度、高可靠步进电机驱动的解决方案。为此,不同的电机驱动 IC 厂商,都会有自己独特的技术“绝活儿”,下面我们就以 Toshiba 的步进电机驱动解决方案为例,一窥其中的奥妙。
步进电机驱动的技术“绝活儿“
首先,在提高步进电机的分辨率方面,Toshiba 提供了一种独特的“微步技术“。
步进电机的分辨率取决于其步距角,步距角越小,步进精度也就越高。步进电机的工作原理告诉我们,其在全步模式下工作时,步距角等于 360°除以总极数,电机的极数越多,步距角越小。但是受电机机械结构所限,极数的增加也是有限的,且会越来越难。为了提升电机的分辨率,人们在转换相位之间插入一个关闭状态而走“半步”,由此发展出了半步模式,使得步距角降至全步模式的 1/2,但与全步模式相比,半步模式进通常会导致 15%〜30%的力矩损失。
为了突破步进精度的限制,Toshiba 的微步模式(Micro-step mode)改变了传统的全步驱动的控制方式——即通过打开和关闭两个绕组的电流,以固定角度令其旋转——而是通过逐步改变两个绕组的电流比,以比基本步距角更精细的步距角旋转它们,由此可以实现 1/4、1/8、1/16、1/32、1/64 和 1/128 步的更为精细的运动控制。

图 1:Toshiba 的微步模式可以实现更高的步进精度
在降低步进系统功耗,提高效率方面,Toshiba 的“绝活儿“主要有两点:一方面是通过采用更先进的制造工艺,获得更低的导通电阻和超低待机电流;另一方面,就是优化驱动控制技术。
在这方面,最值得一提的是 Toshiba 原创的主动增益控制(AGC)技术。在驱动步进电机时,为确保所需电机扭矩具有足够的裕度,电机控制驱动 IC 通常提供大于最大负载时峰值电流的电机驱动电流,这就意味着额外的电流会一直持续流动,这也就导致了更大的功耗。
而 AGC 技术可以根据电机的负载条件自动调节电机驱动电流,最大限度减少不必要的电流消耗,从而大大减少电机驱动 IC 和电机产生的热量。与此同时,AGC 技术还可以在提供高电机控制效率的同时,防止电机失步,让更大的电流驱动成为可能。

图 2:步进电机驱动系统由于能量消耗产生的热量
采用 AGC 技术(右)明显低于传统的控制技术(左)
Toshiba 独有的另一个优化控制技术是高级动态混合衰减(ADMD)技术,该技术与传统的混合衰减模式相比,能够更紧密地跟踪输入电流,从而进一步强化了高转速条件下的高效电机控制。从图 3 中可以看出,电机高速运转时,传统的方式可能会发生失步(左),而 ADMD 则可以实现精准的微步控制(右)。

图 3:采用 ADMD 技术能够实现更紧密的输入电流跟踪
在优化步进电机控制系统的尺寸和成本方面,Toshiba 的高级电流检测系统(ACDS)技术可以给开发者带来很大的好处——该技术在提供高精度恒定电流以驱动电机的同时,无需使用外部电流感应电阻,这使得方案所需的外围元器件数量显著减少,电路板的尺寸和物料清单(BOM)成本也相应降低。

图 4:ACDS 技术显著减少了外围元件的数量
优化了 BOM 和电路板尺寸
此外,Toshiba 还开发了 SMD 电流衰减模式选择功能,可有效降低电机驱动期间所产生的噪声和振动。根据实际应用的需要,将上述这些技术“绝活儿“综合应用在电机驱动 IC 中,就可以为用户提供针对性的解决方案,帮助其实现“凌波微步”般精确步进控制。
步进电机驱动解决方案
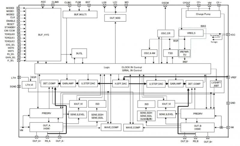
TB67S128FTG 步进电机控制器就是这样一款很有代表性的电机驱动 IC。该方案是采用 PWM 斩波的 2 相双极步进电机驱动器,内置时钟并支持串行控制,可提供额定值为 50V/5A 的大电流驱动。在其优异性能的背后,我们可以发现不少上文提到的 Toshiba 的技术“绝活儿”。
基于微步模式,TB67S128FTG 可实现高达 1/128 步的高分辨率。
采用 BiCD 工艺集成式单片 IC,导通电阻低至 0.25Ω,减少发热量,可实现大电流驱动,支持更高的工作扭矩。
采用 AGC 技术避免电机失速并降低功耗。
集成 ADMD 技术,提高电流跟踪能力,进一步优化效率。实现安全高转速。
采用 ACDS 技术提高电流跟踪能力,减少了外围元件数,优化了 BOM。
具备电流衰减模式选择功能 SMD,有效降低电机驱动期间所产生的噪声和振动。
整合过热保护检测和过流保护,还集成有开路检测功能,确保设备的安全性和高可靠性。
这些特性优势,使得 TB67S128FTG 可以广泛应用于 3D 打印机、监控摄像头、电动执行机构、冰箱和空调、ATM 等银行终端、办公设备、游戏机等产品中。

图 5:TB67S128FTG 的框图
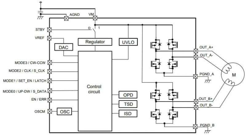
TC78H670FTG 是 Toshiba 今年推出的一款步进电机驱动 IC 新品,其内置双 H 桥,可以提供 2.5V 至 16V 驱动电源,支持最大 2A 的输出电流。它同样是一款采用 PWM 斩波器的 2 相双极步进电机驱动器,可以实现 1/128 步的高分辨率,采用 3mm× 3mm 的 QFN 紧凑封装。
由于采用了 Toshiba 最新的 DMOS 工艺,TC78H670FTG 可确保低导通电阻(0.48Ω @VM=12V)和超低待机电流(0.1μA),进而实现更高的效率。在我们已经熟悉了的 ACDS 高级电流检测系统的加持下,TC78H670FTG 在占板面积和成本方面的优势也很明显。热关断、过流关断检测、电机负载开路、欠压锁定等安全保护功能也是一应俱全。
从上述的特性可以看出,TC78H670FTG 非常适合于 USB 供电、电池供电以及标准 9-12V 系统设备,在照相机、安全摄像头、便携式打印机、手持式扫描仪、微型投影仪和智能手机等产品中都可以找到施展拳脚的空间。

图 6:TC78H670FTG 的框图
在 TB67S128FTG 和 TC78H670FTG 的身上,我们能够很直接地体会到一颗优秀的步进电机驱动 IC 的过人素质;而围绕着步进控制系统建立的一系列优势技术,也令 Toshiba 形成了自己独有的体系化优势,可以根据市场的发展快速开发出相应的产品,提供丰富的步进电机驱动 IC 产品组合。这些产品自带的“武(优)功(势)绝(技)学(术)”,可以让步进电机修炼出“凌波微步”般的功夫,这可以让“修炼”的过程变得更轻松。

图 7:Toshiba 步进电机驱动 IC 产品一览
史海拾趣
|
在多电平系统中,直流电平转换是很常见的事情,这直接关系到一个系统设计的成败,TI在直流电平转换上的方案还是不错的,如SN74LVC4245(3.3V~5V),SN74AVC8T245(1.2V~3.6V)等,附件是TI的相关器件的详细介绍。 … 查看全部问答> |
|
我用lpc1343枚举了一个USB HID键盘设备,描述符我用的USB 键盘的,以前用过没问题的。 用end1 发送键盘数据,但是空闲时段一直发送0x00,0x00,0x00,0x00,0x00,0x00,0x00,0x00.但是按键数据又是正常的,就是表象没什么影响。不知道会不会对别的有影 ...… 查看全部问答> |
|
上海汉的信息技术股份有限公司 诚招嵌入式软件工程师 任职要求: 1.本科以上学历,计算机软件或相关专业,2年以上工作经验。 2.具有2年以上C++语言,linux或unix开发经验。 3.熟悉嵌入式开发。 4.懂日语者优先。 有意者请将简历发 ...… 查看全部问答> |
|
单片机与PC机的串口通信时,刚开始的时候传的数据是正确的,工作一段时间,传的数据就出现错误,当向PC机传固定的一个数据时,还出现时而正确,时而错误的情形,不知道这是为什么。… 查看全部问答> |
|
Building configuration: gas - Release Error[e16]: Segment DATA16_Z (size: 0xb9 align: 0x1) is too long for segment definition. At least 0x38 more bytes needed. The pro××em occurred while processing the segment placement comma ...… 查看全部问答> |
|
哪位大侠写过msp430f149控制DHT11温室读传感器的串口显示程序,我调了好久总是不能显示数据 ?不知道什么原因?高手帮忙啊,不胜感激之至!! 串口程序; #include \"usart.h\"struct DHT_data{ unsigned char DH_H; ...… 查看全部问答> |
|
ucos ii 的中断处理过程是这样的(直接上代码): { OSIntEnter(); //Call ISR... OSIntExit (); return; } OSIntExit () { #if OS_CRITICAL_METHOD == 3&n ...… 查看全部问答> |




