历史上的今天
今天是:2024年11月06日(星期三)
2020年11月06日 | 德赛西威模块化毫米波雷达技术,让定位更精准
2020-11-06 来源:集微网
德赛西威的模块化毫米波雷达专利,通过对多个雷达模块的发射线阵和接收线阵进行排布,使其进行物理级联,之后又采用FMCW调制信号校准,实现毫米波雷达的模块化,进而使得高精度雷达的设计更加灵活,也更易于实现。
随着汽车工业的飞速发展,越来越多的毫米波雷达国内自主品牌开始发力,其中致力于成为未来出行变革创领者的德赛西威,其生产的毫米波雷达已在多款量产车型中搭载。
在毫米波汽车雷达设计中,多输入多输出(MIMO)技术正在广泛应用,使得接收端和发射端之间形成了虚拟通道,进一步在雷达通道数一定的情况下提高了雷达的角度分辨率,为车载高精度雷达的发展奠定了基础。同时,为了增加雷达通道数本身,在单芯片集成多通道的基础上可以对芯片进行级联。但是在传统的整体设计条件下,由于走线复杂,级联芯片越多,芯片到天线之间的走线距离就越远,在毫米波段引入很大的插入损耗,降低了系统的能量效率。
为此,德赛西威在2019年10月底就申请了一项名为“一种模块化毫米波雷达”(申请号 201911033502.3)的发明专利,申请人为惠州市德赛西威汽车电子股份有限公司。
此专利提出了一种模块化毫米波雷达,含有多个雷达模块,而雷达模块包括雷达芯片、以及连接在雷达芯片的接收线阵和发射线阵。多个雷达模块进行模块化级联步骤如下图1所示。

图1 多雷达模块级联步骤
首先根据雷达模块的接收线阵和发射线阵的排布,将多个雷达模块进行物理级联。

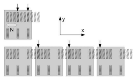
图2 构建MIMO模块化雷达方式示意图
接收线阵可采用等间距阵形式分布或者稀疏阵形式分布,假设接收线阵的总长度和发射天线的间距都为N,参见图2。而且由图可知,接收线阵和发射线矩阵分别包括4个接收天线(图2斜纹)和3个发射天线(图2横纹)。在完成了模块以后,模块间的级联可通过在基板上直接摆放实现,并且雷达模块大小应该与接收天线或发射天线物理尺寸一致,使得每一个新添加的发射天线将对应一个虚拟接收阵列,而且这种长度尺寸关系可以按照如图的方法无限延展下去,通过使用多个雷达芯片进一步将虚拟阵扩展,以实现更大的虚拟阵列。
然后就是对一个所述雷达模块进行模块内校准,且对完成物理级联的多个所述雷达模块进行模块间校准。
在一个雷达模块内,通过发射线阵的多个发射天线分时对已知目标发送信号,并对接收线阵的接收天线接收的相位进行计算,完成模块内校准。
而对完成物理级联的多个雷达模块进行模块间校准则包括LO频率同步校准和RF信道校准。对于L0信号,首先将LO信号耦合至雷达模块的基板中,再通过传输线将同步LO信号输入到不同雷达模块的雷达芯片并且结合发射线阵发射的信号,以此判断LO频率是否同步。如果LO频率不同步,则通过数字延长线对LO频率进行时延调解。针对RF信道校准,首先校准雷达模块的接收线阵和发射线阵,在多个雷达模块物理排布后,由FMCW调制信号校准进行校准,从而实现多个雷达模块的级联。
综上所述,德赛西威的此项专利,通过对多个雷达模块的发射线阵和接收线阵进行排布,使其进行物理级联,在物理级联完成之后,又采用FMCW调制信号校准,实现毫米波雷达的模块化。
而通过模块化的车载雷达,其构建虚拟阵变得更加容易,只需要将模块前后装在基板上就可以进行模块级联,德赛西威模块化毫米波雷达让高精度雷达设计更加灵活,也更加易于实现。
史海拾趣
|
被动安全系统方面 被动安全系统是指在交通事故发生后尽量减小损伤的安全系统,包括对乘客和行人的保护。 福特公司通过不断创新,推出先进的乘客约束系统和安全气囊技术,在乘员保护方面 ...… 查看全部问答> |
|
怎么一进中断I/O的状态就改变了,我在中断里面读取I/O的状态,怎么跟示波器显示的不一样? 怎么一进中断I/O的状态就改变了,我在中断里面读取I/O的状态,怎么跟示波器显示的不一样?… 查看全部问答> |
|
[转载] 簡易開核 輕鬆暢玩 ASUS M4A89GTD PRO/USB3 (存開箱) AMD 現今最夯的口號 我想還是 核心動力全開 小弟也藉由這次開核風氣 入手了M4A89GTD PRO/USB3 入手也一陣子了 就來發個開箱吧 本次的主角出現了 X2 555 與M4A89GTD PRO/USB3 這次華碩用的主機板的彩盒還滿亮眼的 在一張,把閃 ...… 查看全部问答> |
|
各位大哥大姐: 小弟求教! WinCE操作系统镜像生成以后,希望可以将其下载到Flash中,在以后系统复位或者重新上电以后,WinCE操作系统可以自动运行。可是,当我把镜像文件下载到Flash中后,却启动不起来,请问: &n ...… 查看全部问答> |
|
不知不觉已经wince驱动快一周年,写点学习经验,顺便散分,嘿嘿 刚洗完澡,头发未干,精神抖擞。想起自己快毕业一年了,特别来劲,情不自禁的在键盘上敲打起来。 我清楚的记得,我是2008.07.01被“轰出”校门的,然后申请了延迟离校,才可以在学校住宿,但是手里有几千块钱,于是就跑 ...… 查看全部问答> |
|
12岁的编程天才 田众和,1999年生,今年12岁,任时代网络软件工作室CEO兼CTO(技术总监)。小学4年级自学编程,创作第一个比较成熟的编程作品Othink系统,获得第一笔创业资金300元,招聘并领导11人团队,集资2000余元创建工作室,4个月盈利三万余 ...… 查看全部问答> |
|
本帖最后由 jameswangsynnex 于 2015-3-3 19:56 编辑 Canonical公司在职位的描述文字中写道“寻找业务拓展的精英来发展与行业伙伴的深度合作关系,来促进Ubuntu作为智能手机系统最终登陆手机”,以及“目标是创立一种围绕Ubuntu智能手机系统的良好 ...… 查看全部问答> |




