历史上的今天
今天是:2024年11月11日(星期一)
2020年11月11日 | 介绍一款新型的万用表9V电池代用电源
2020-11-11 来源:elecfans
1.电路工作原理
万用表代用电源的电路,如图1所示。电路由三极管VT、升压变压器T、二极管VD、电容C与电源GB五个元器件组成。三极管VT和升压变压器T构成变压器反馈式振荡器,当电源输出端有负载电流通过时,三极管VT就有基极电流通过,电路就振荡工作;反之,没有基极电流,电池也不消耗电流,所以此电路不设电源开关。

图1万用表代用电源的电路
2.元器件选择及安装调试
VT:PNP型小功率三极管,如2N3906,β》200。
VD:1N4148型开关二极管。
C:1uF/16V。
T:升压变压器,采用Φ10mm磁环作骨架,初级绕组L2用Φ0.15mm漆包线绕16圈,次级绕组L1用Φ0.08mm漆包线绕140圈。绕制前,可以用塑料片或竹片自制一个小梭子。两端各剪一小叉口,把漆包线绕在梭子上,然后再绕制,如图2所示。

图2升压变压器制作图
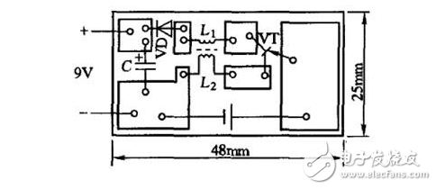
万用表代用电源的印制电路,如图3所示。电源的印制电路板可按图示尺寸用刀刻法制作,不用打孔,全部元器件直接焊接在铜箔面上即可。电池安装在电路板上,其正、负极处用有弹性的磷铜片做一个卡子,焊在印刷板相应位置上固定。外壳同叠层电池的体积相仿,也可直接安装在万用表盒内。

图三万用表代用电源的印制电路
整个电路焊接完毕并检查无误后,就可以通电进行调试了。首先在电压输出端连接上一只3 kΩ/0.125W电阻,用万用表直流电压档测量电容C两端的电压,查看是否在直流9V左右,如输出电压较低,可适当调换变压器L2绕组两端引线的位置。该电源长期使用性能良好,应注意定期检查镍镉电池的容量,及时补充电能。
史海拾趣
|
1 引言 在某物理层线路驱动电路的热关断(TSD)电路是作为过热保护电路。RS-485物理层电路的低阻抗输出驱动器需要TSD功能用于保护其免受故障或因使用不当而造成损坏。TSD电路的基本功能是检测器件结温(封装硅片温度)是否超过其允许值,并关断驱动器 ...… 查看全部问答> |
|
2M 128X64示波器制作 全套资料:创易电子整理出品,创易更懂电子, http://52edk.taobao.com/ 全系列阻容感一本全掌控。 最高实时取样率2M点/秒,精度8Bit 取样缓冲器深度:256字节 模拟频带宽度 0 - 1MHz 垂直灵敏度10 ...… 查看全部问答> |
|
一个古老的嵌入式设计问题,就是在你的新设计中使用 8位还是32位内核?如果你问自己的同事,可能会发现他们的观点截然不同。无论是否喜欢,32为内核存在于今。那么这意味着什么呢?它意味着,在某一天,无论你多么努力尝试避免,都不得不从你喜爱的 ...… 查看全部问答> |
|
CE启动的时候,我自动运行了一个dialog主程序,屏幕是800×480,而窗口320×240, 我的目的是:触摸屏点击不在dialog上的时候,dialog能隐藏起来。 实际上是做一个系统托盘,托盘图标部分已经实现,我双击图标的时候弹出对话框, 当点桌面其他位 ...… 查看全部问答> |
|
如何配置OV9650数据为ITU656输出触发S3C6410的CAMERA的中断 在三星的BSP代码中有OV9650的配置代码,不过是配置成ITU601格式输出的,通过VSYNC的变化触发S3C6410的CAMERA的中断,有谁知道如何将OV9650输出的数据为ITU656格式,不用VSYNC及HSYNC信号,能够触发S3C6410的CAMERA的中断呢? 附上BSP中配置OV9650 ...… 查看全部问答> |
|
请教高手:VS2003中模拟器是如何通过ActiveSync与电脑连接来实现同步的?!!!!! 我使用.net2003与ppc2002进行模拟器与pc的同步,可是怎么都同步不上,不知道在安装了activesync后还需要进行哪些设置才能实现模拟器与pc的同步? … 查看全部问答> |
|
EmbestSTM32V100开发板(全新推出,集成仿真器) STM103V100是英蓓特公司新推出的一款基于ST意法半导体STM32系列处理器(Cortex-M3内核)的全功能评估板。该评估板采用主板与子板组合的工作方式,只需通过换插不同的CPU子板,即可实现STM32系列多款处理器的代码调试。STM103V100评估板有USB,USB ...… 查看全部问答> |
|
16.1 引言 38616.2 历史 38616.3 函数库 38616.4 实现概述 38816.5 集中式或非集中式 39016.6 并发 39116.6.1 粗锁 391 ...… 查看全部问答> |




