历史上的今天
今天是:2024年11月26日(星期二)
2020年11月26日 | MSP430单片机的比较器工作原理解析
2020-11-26 来源:elecfans
这两天研究了一下430的比较器,开始的时候,没有看懂是怎么一回事,在网站看这方面的博客,好像懂了,但是一到编程,就变得无从下手,但是,皇天不负有心人,笔者还是把他弄懂了
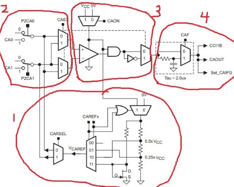
其实这里就是看懂一幅图,两个寄存器,明白工作原理就可以了

这是比较器A的逻辑图,比价器A由4个部分组成
标号1:内部参考电压发生器,可以产生0.25V,0.50v的参考电压
标号2,:外部电压输入端,CA0对应P2.3,CA1对应P2.4
标号3:内部比较器,今天上课刚好上了比较器,也就是正输入端大于负输入端的时候,比较器输出一个1,同时产生一个中断标志位
标号4:也就是比较结果输入端
因此,一般的模版就可以出来了
1:设置内部的参考电压
2:打开外部的输入端
3:设置外部I/O的属性,也就是P2.3或者P2.4的输入属性
4:判断输出的结果
步骤一对应上个步骤的1:这时候就要熟悉寄存器了,比较器A有两个寄存器CACTL1,CACTL2
设置内部参考电压是用CACTL1:这里举一个模版例子:CACTL1 = CARSEL+CAREF1+CAON;
翻译就是,将CACTL1 = 内部参考电压在比较器的正向端输入还是反向端输入+选择是0.25V参考电压还是0.5V参考电压+打开比较器A
步骤二对应上个步骤的2
打开外部的输入端:用的是CACTL2,CACTL2=P2CAO
翻译就是,外部选择的是P2CAO也就是讲P2.3作为输入端,
步骤三:设置I/O属性
P2DIR = 0x00;//把IO设为比较器的输入端
P2SEL “=BIT3;
步骤四:比较输入输出结果:
这时候也要熟悉寄存器了,CACTL2中的最低位,也就是CAOUT,如果正向端大于负向端的话,cout变为1,这时候典型的判断语句就是
if((CACTL2|0xfe) == 0xff)//最低位如果置位为1的话,CACTL1中的最低位,也就是比较器的中断标志位也会置位
{
进一步操作;
中断标志置位为1
}
示例代码:将P2.3输入的电压与0.25进行比较,如果大于的话,点亮led灯,并将中断标志清除
#include
void main( void )
{
// Stop watchdog timer to prevent TIme out reset
WDTCTL = WDTPW + WDTHOLD;
CACTL1 =CARSEL +CAREF1 +CAON;
CACTL2 = P2CA0;
P2DIR = 0x00;//把IO设为比较器的输入端
P2SEL |=BIT3;
P3OUT |=BIT5;
P3DIR |=BIT5;
while(1)
{
if((CACTL2 |0xfe)==0xff)
{
P3OUT &=~BIT5; //比较电压是否超过0。25V
CACTL1 &=0xfe; //清除中断标志
}
else
{
P3OUT |=BIT5;
}
}
}
史海拾趣
|
拼音输入法的I2C字库程序仿真拼音输入法的I2C字库程序仿真这是在http://proteus.814e.com上下载的, 版权是他的 拼音输入法的I2C字库程序仿真 拼音输入法的程序不多,有的是找一些字把它放在程序中,这样的拼音输入法的程序简单,但实用性不高 ...… 查看全部问答> |
|
[C++ Error] OS_CPU_C.C(264): E2342 Type mismatch in parameter \'__src\' (wanted \'const void *\', got \'int\') 264---> memcpy(*ppbos, MK_FP(_SS, 0), 384); … 查看全部问答> |
|
各位大侠,小弟刚刚接触网卡驱动开发,有几个问题需要请教,请大侠们不吝指教啊。 1,注册表里的Sysintr做什么用的?可以去掉嘛? [HKEY_LOCAL_MACHINE\\Comm\\CS89001\\Parms] \"BusNumber\"=dword:0 &nbs ...… 查看全部问答> |
|
我想在WinCE启动的时候启动SD卡内的一个程序,遇到了一些麻烦. 一开始想,直接在注册表添加启动项或者在\"\\Windows\\Startup\"中添加,发现启动非SD卡的内容可以,而SD卡上的确不行.不知道大家有这个问题吗?(SD卡目录未Storage Card,不是应为空格问题 ...… 查看全部问答> |
|
半导体照明企业建言三中全会——让照明亮起来,让硕鼠无处藏身云龙科技 举世瞩目的中共十八届三中全会即将召开,全国人民对新一届领导集体方针政策的调整充满期待。8月27日,中央政治局会议强调:共产党应把思想和行动统一到反腐败斗争的形势 ...… 查看全部问答> |




