历史上的今天
今天是:2024年12月09日(星期一)
2020年12月09日 | TQ210——底板部分原理图
2020-12-09 来源:eefocus
1、主电源接口(过压过流保护)

2、串行接口
2路5线RS232电平的DB9接口,4路TTLT电平扩展接口

COM1和PC之间通信需使用直连串口线

COM2和PC通信需使用交叉串口线

接口UART2可接GPRS模块实现打电话发短信功能;
接口UART4可接GPS模块实现定位导航功能
3、USB OTG接口(miniUSB接口)

4、100M网络接口
DM9000AEP,内部集成变压器,插上网线配置正确就可实现上网。

5、音频接口
粉红色为麦克风输入接口,另外话筒也可以实现声音的录入;绿色接口为音频输出接口。

声卡芯片WM8960内部集成D类双声道功放,可分别外接2个1W 8欧小喇叭,使用2路2pin2.0mm间距的白色接口引出。
6、MIPI接口

7、USB HOST接口
通过USB-HUB扩展的4路USBHOST接口,可外接USB-WIFI模块,USB3G模块,蓝牙模块,USB鼠标键盘,U盘等设备。

8、TV
一路DAC的TV输出接口。

9、HDMI接口
支持HDMIv1.3,1080p@30fps高清数字输出,能实现音频视频同步输出。

10、ADC接口
6路12位ADC接口。

11、JTAG接口电路

12、I2C电路

13、6*6按键接口

14、复位按键

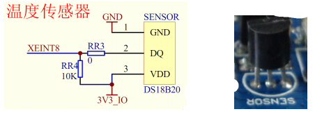
15、温度传感器(-55~125)

16、红外接收器电路

17、用户按键
可实现上下左右,ENTER,ESC,MENU,休眠唤醒功能。

18、蜂鸣器控制电路(PWM控制蜂鸣器输出)

19、camera接口
20、40pinLCD接口

21、SPI接口
可用于加速度传感器模块和zigbee模块。

22、启动方式拨码开码(NAND,SD,USB)

23、启动按键

24、指示灯

25、TF卡接口

26、SD卡

27、RTC时钟电路(3V电池断电继续工作)

28、485电路

上一篇:TQ210——常见问题
下一篇:TQ210——核心板和底板
史海拾趣




