历史上的今天
今天是:2024年12月16日(星期一)
2020年12月16日 | 您见过电力智能电缆井盖吗?
2020-12-16 来源:eefocus
“智慧城市”、“智能电网”、“泛在电力物联”...... 近几年一些新概念相继被提出,这些规划相互交叉影响,在一些试点城市快速建设推进,如高压电缆线已由空架开始转到地下,以青岛为例,主干道、高新区老区改造新区建设都要求电缆下地,每 50m-100m 覆盖一个智能井盖来保证城市安全,释放城市空间资源。
电力智能井盖产品定义及终端功能
产品定义: 智能井盖监控系统,可以检测井盖是否丢失,智能井盖监控系统利用目前先进的无线通讯技术、电源技术、可以持续采集井盖状态和井下环境信息,包括水位、温度、有害气体等,然后存储和远传。将井盖的开启、井盖巡检纳入到统一的维护管理系统中,并建立相对应的报警处理机制,通过电子地图展示井盖所处位置的状态和报警内容,例如井盖被盗或者破坏,监控人员能够及时到达现场处理,快速地解决安全遗患。
电力井盖监控终端功能:
入侵报警: 实时监控井盖的开启及破坏情况
环境监测:井下 O2 浓度有毒气体如 CO,H2S......
状态管理: 远程控制或密钥开启、关闭井盖
通过通讯协议接口实现与其他系统的互联互通
基于物联网的设备的全生命周期的管理
与 ADI 合作三十多年的技术型分销商——Excelpoint 世健公司的工程师 Ethan Li 向我们介绍了 ADI IC 从感知(iSensor MEMS)、采集(Analog to Digital Converter),到数字隔离通讯接口(iCoupler)、电源供电系统(ADI Power by Linear),在一个典型小而智慧的应用“电力智能井盖”中的应用。
产品典型信号链

图 1 电力智能井盖典型信号链
系统技术要求
系统供电: 24Vdc(Range16V~36V) 在线式供电系统(同样要求有后备电源系统或者锂电池供电系统)
井盖倾斜检测: 阈值报警,1~2°误差
气体检测精度:~5%
通讯方式:隔离 RS-232/485 总线通讯,速率<115200bps,2G/4G/NB-IOT 无线
静态功耗:<0.02W
报警响应时间:<10S
免维护时间:1 年以上
电源供电系统 - ADI Power by Linear
电源需启动较大功率机械动作开关,也要保证下井后系统断电的人工安全,所以供电方式上采用在线式 24Vdc 供电 Vin=16~36V,后备电源为 6~8 节 Li-ion(25.2Vfull/29.4Vfull)串联充电。
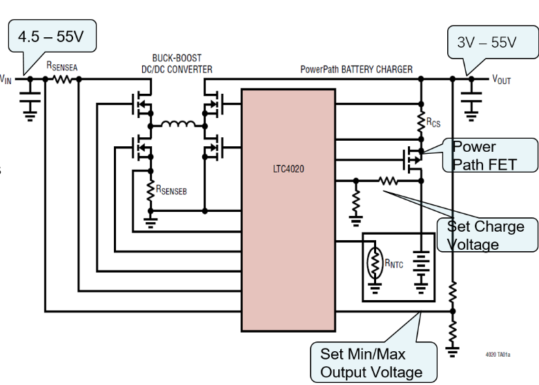
成功设计使用案例:LTC4020 高压 buck-boost 兼容 MPPT 太阳能充电功能+LTC4416 外部路径管理的高可靠性设计方案。
Multi-chemistry support
VOUT tracks VBAT
4 switch topology charges “any battery from any source”
External power FETs and current sense R allow for high current charging

图 2 LTC4020 应用简图及特点
此外,还有反激式 LT8302 隔离电源方案,LT860X 多路同步整流 DC/DC,以及 Silent switcher 技术的 LT8609S、LTC8645S、LTC8650S 等全套电源供电可参考方案。
ADI MEMS G-sensor 在倾角检测的应用
成功设计使用案例:超低功耗 3 轴 MEMS 加速度计 ADXL362,保证整机的静态功耗。



超低功耗
1.8 μA(100 Hz ODR、电源 2.0 V)
3.0 μA(400 Hz ODR、电源 2.0 V)
270 nA 运动激活唤醒模式
10 nA 待机电流
深度嵌入式 FIFO 最大程度地减轻主机处理器负荷
片内温度传感器
关于 3 轴 G-SENOR 测倾角的设计,可参考 ADI 官网完整的应用笔记 AN1057。
井下气体检测
系统一般会要求有 O2、CO、CO2、H2S 四种气体加常规辅助量检测,检测误差精度~5%,要求不高,现在客户设计方案还是电化学传感器加放大器,如 ADA4528、AD623 TIA 信号调理后 MCU 片内 ADC 采集的方案。
Ethan Li 向我们推荐了 2019 年 ADI 发布的一颗基于电化学传感器方案气体检测的平台级产品——ADuCM355。

LGA Package

CO 检测 base on ADuCM355 完整方案

ADucM355 内部框图
低功耗
数字部分的有功电流消耗为 30 μA/MHz
带外部传感器偏置的休眠,8.5 μA
不保留 SRAM 的关断模式,2 μA
26 MHz ARM Cortex-M3 处理器
16 位,400kSPS ADC
2 个低功耗低噪声 TIA 放大器适用于电化学检测
ADuCM355 高集成度、高精度、高安全可靠性、小体积、低功耗等特性,在基于电化学传感器做气体检测中应用中优势显著,有客户已开始导入评测,ADuCM355 具体的应用设计本文不展开细说,可参考 ADI 官网电路笔记 CN0425、CN0429 了解。
隔离通讯接口
通讯方式:隔离 RS-232/485 总线通讯,功能性隔离 2500Vdc,通讯速率<115200bps,以及 2G/4G/NB-IOT 无线。
成功设计使用案例:隔离 RS-232、 ADM3251E、 隔离 RS-485、 低成本 ADM2483, 集成 isoPower 的 ADM2587E。相比于传统的光耦隔离与电容隔离,ADI iCoupler 专利的磁隔离技术鲁棒性高,抗干扰能力强。新一代的磁隔离编解码技术在原有解码基础上又升级进一步增加抗干扰性,集成度高、设计简单。

磁耦技术 聚酰亚胺隔离

单端“一脉冲两脉冲”编码架构

差分开关键控架构
Ethan 表示,ADI 可提供的 iSensor+ Single process+ iCoupler+ ADI power by Linear 全套产品方案。此外,Excelpoint 世健公司在山东区域已配合客户设计支持,具有成功设计使用的经验,并且已经量产。随着城市发展和泛电力物联网的大力推进,电力智能井盖产品功能也会不断丰富。相信将来 ADI 产品与客户方案设计上会有更全面、更深入的合作。
史海拾趣
|
鸡毛蒜皮之一:成本节约 现象一:这些拉高/拉低的电阻用多大的阻值关系不大,就选个整数5K吧 点评:市场上不存在5K的阻值,最接近的是4.99K(精度1%),其次是5.1K(精度5%),其成本分别比精度为20%的4.7K高4倍和2倍。20%精度的电阻阻值只 ...… 查看全部问答> |
|
对之前3*1W的线路板进行改版;整流桥输入端是否需要开槽(多宽?);一个专业工程师说不用开;桥堆本身就过了安规的;现在市面上我买的大多数产品,输入端也大多有开槽的; 不知道有经验人士怎么看待这个问题?… 查看全部问答> |
|
如何将uboot linux内核 应用程序做成bin文件烧录 我自己做的一个嵌入式应用程序 现在我需要将uboot linux内核 然后和自己的应用程序 打包做成一个bin文件烧写入板子 请问应该怎么做啊? 本人对烧录知道的不多 请大家帮忙 说得越仔细越好 3Q… 查看全部问答> |
|
所有基于WinCE的驱动程序都是以用户态下的dll文件的形式存在的。也就是说,一方面所有WinCE下的驱动程序都是运行在用户态下的,另一方面我们开发WinCE驱动程序的方法与开发普通的win32dll是完全一致的,还需要补充的一点就是所有的 ...… 查看全部问答> |
|
-- ****************************************************************************--版权所有:www.eeleader.com--------------------------------------------------------------设计日期:2010.3.4------------------------------------------- ...… 查看全部问答> |
|
本帖最后由 paulhyde 于 2014-9-15 08:58 编辑 D-LC谐振放大器D题172697592群D-LC谐振放大器D题172697592群 … 查看全部问答> |
|
我在硬件设计的时候没有设计ID线,只需要STM32F107工作于设备模式即可,请问下如何让STM32F107强制工作在设备模式下呢,就是检测到VBUS以后能够上拉DP… 查看全部问答> |
|
DCO_Library.h!如何正确使用?DCO产生标准的时钟信号! 我想利用DCO_Library.h 和DCO_Library.s43,通过DCO产生标准的时钟信号 根据DC0_ Library.h可以产生的标准的1MHz 或2MHz 但我使用时 有 Error[e46]: Undefined external \"TI_SetDCO\" referred in main ( E:\\桌面20120730\\Msp430\\铁电\\MSP430 ...… 查看全部问答> |




