历史上的今天
今天是:2025年01月19日(星期日)
2021年01月19日 | 电容传感器测量系统模块电路设计之精密放大电路
2021-01-19 来源:eefocus
基于海上溢油回收的特殊环境,该文设计了一种基于AT89S51单片机的海上液位测量系统。该系统采用分段电容检测的原理,以实现油水双液位的检测。合理搭建了微小电容测量的硬件电路。系统可以准确无误地应用于海上油位的测量。
方波产生电路

图4 方波产生电路
由NE555构成的多谐振荡器是二极管交流电桥测量的方波信号源,其具体电路如图4所示。频率计算如式(4)、式(5)和式(6)所示。
(4)
(5)
(6)
令
,
,
,则:
。因此,NE555可以为电容检测电路提供电压幅值为5V、频率为500kHz的方波信号源。
双T二极管交流电桥电容测量电路
电容传感器将液位高度转化为电容量,再通过电容测量电路将其转化成与其成线性函数关系的电压、电流或频率信号。由于电容只有几个PF,所以采用双T二极管交流电桥微电容检测电路将电容的变化量转化成电压输出。测量原理如图5所示。

图5 二极管T型网络
在图5中:e为高频电源,D1、D2为特性完全相同的两个二极管。
精密放大电路
将0~0.5mV电压转换成0~5V,以进行A/D转换。采用OP07构成两级集成运算放大电路,第一级放大倍数为20,第二级放大倍数为50,其电路构成如图6所示。

图6 精密放大电路
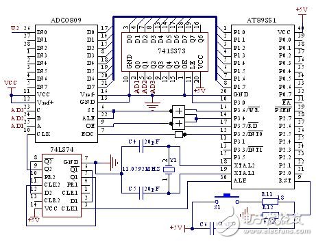
单片机与A/D接口电路
传感器和单片机之间需要A/D转换器将输入的模拟电压信号转换成二进制数字信号。本文采用逐次比较A/D转换器ADC0809。与单片机具体的接口电路如图7所示。

图7 ADC0809与单片机接口电路
在图7中,单片机通过P1.0,P1.1,P1.2口控制ADC0809的地址选择端口A、B、C。单片机ALE端口输出2MHz时钟频率信号,经过74LS74四分频电路产生ADC0809所需要的500kHz时钟信号。P3.4作为片选信号,当它为低电平时,打开或非门,允许写信号通过,选中ADC0809的某一通道进行A/D转换。转换结束标志位通过非门触发外部中断0,读取转换数据。
数码管显示电路
采用三位LED数码管作为液位数据的显示。74HC245为显示驱动芯片,其输入接P0口,输出接数码管八个管脚。三段数码管分别由P2.0、P2.1、P2.2控制。AT89S51单片机与数码管的显示电路如图8所示。

图8 数码管显示电路
下一篇:51单片机扩展中断的方法
史海拾趣
|
求毕业设计——基于单片机的(DS18B20)温度自动控制系统 急啊,这个月16号就要交初稿啊。我电路图都不会画,还要做PCB板。 各位XDJM如果有资料的麻烦发给我啊。linzhao1216@163.com 谢谢!… 查看全部问答> |
|
我单步调试只显示一个数码管时数码管两端的电压是5v,但动态扫描两个时,每个数码管的电压就变为2v了,请问是怎么回事?怎样解决?提高电压吗? 我单步调试只显示一个数码管时数码管两端的电压是5v,但动态扫描两个时,每个数码管的电压就变为2v了,请问是怎么回事?怎样解决?提高电压吗?… 查看全部问答> |
|
前两天一个朋友问我18b20在市场上有c3和c4两种版本(我孤陋寡闻,没听说过),原来用的c3版的,后来他们公司买了一批c4版本的,结果全部都不能用,读出来的温度全都是0。我想问一下大家,有没有听说过这两个版本,这两个版本有没有区别?… 查看全部问答> |
|
很简单的程序.在网上却不太好找.最后还是用智林的例程改的.最近要做的摄像头部分.基本用这个就能搞定了.接下来要看看AD DA TIMER I2C了~大家一起加油… 查看全部问答> |
|
串口发数据的一个问题,发数据用了break怎么还是跳不出来? /******************************************************************************** 标题: 串口通信 ** 作者:麒麟刀* 功能:发送两个数,发完结束 ...… 查看全部问答> |
|
以前,本来有学习过一段时间的51单片机,但是换工作后一直加班都没时间继续学下去。现在终于有空闲时间了,决定继续学下去,每天至少写一个程序,无论多少。先重温一下以前学过的东西: 单片机最简单和基础的操作就是对 ...… 查看全部问答> |
|
自从2008年注册eeworld已经5个年头了。期间,在论坛上下载了很多东西。但是由于个人原因,从中汲取的知识很少。后来有幸,做了PCB部分的版主,但我自己感觉给论坛出力很少。近来由于公司工作较为繁多,所以很少登陆eeworld。但是一有时间就会登陆ee ...… 查看全部问答> |




