历史上的今天
今天是:2025年03月02日(星期日)
2021年03月02日 | MODEL 3 BMS上的高压检测与绝缘检测电路
2021-03-02 来源:eefocus
年过得真快啊,反正我在家是没有待够,就恋恋不舍地返岗了;不管咋地,新年新气象,打起精神,继续奋战了。
这次聊一聊MODEL 3上BMS控制板的高压检测与绝缘检测电路。
高压检测与绝缘检测电路的输入都集中在P4连接器上面,如下图所示。

具体地,P4连接器为直插封装、共24PIN,Pitch为3.5mm,PIN针接触位置是镀锡的,其内部又分为AB两个线端接口。

在这个连接器上面一共有6个高压信号输入,其PIN脚安排如下图所示:由于是高压信号,所以是按照安规间距最大来布置的;而且,没有使用的PIN脚的焊盘都是非金属化孔,这样进一步增加了爬电距离。

这六个引脚具体的定义与位置如下图,一共四个继电器,都是串联结构(这里闲扯一句,关于主继电器与快充继电器之间的连接形式,有串联的也有并联的,但似乎没有什么标准),所以一共6个采样点。

高压检测电路
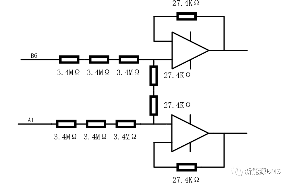
高压检测一共有3对信号,每一对看起来是相同的电路,就以B6A1举例:我拿着万用表测了很久,再加上三防漆的原因,一直测不完全;其部分采样电路的样子如下图,但是我相信是不完整的,需要大家自己去补充。

其中,整个高压采样电路的参考平面为低压GND,也就是说高压信号通过大电阻分压后直接连到了低压GND,从电气上面来讲没有进行隔离,但实际很多厂家也这么干。
下图为高压检测的分压电阻,为3.4MΩ/1206封装;它把大阻值的分压电阻都布置在连接器端口处,同时不同高压信号的分压电阻之间拉开了距离,然后再把经过限流后的信号向PCB的低压区域走线,而小阻值的分压电阻布置在低压区域;可以看到此处是没有铺低压地的。

采样电路的几个关键元件如下图,主要为运放与参考源;最终的模拟信号采集由TI的单片机TMS570完成;这些器件布置在低压区域。

关键元件型号如下,在板上由3.3V电源供电:
①、运算放大器:TI-TLV2434②、3V基准参考源:TI-REF5030③、运算放大器:TI-TLV274
绝缘检测电路
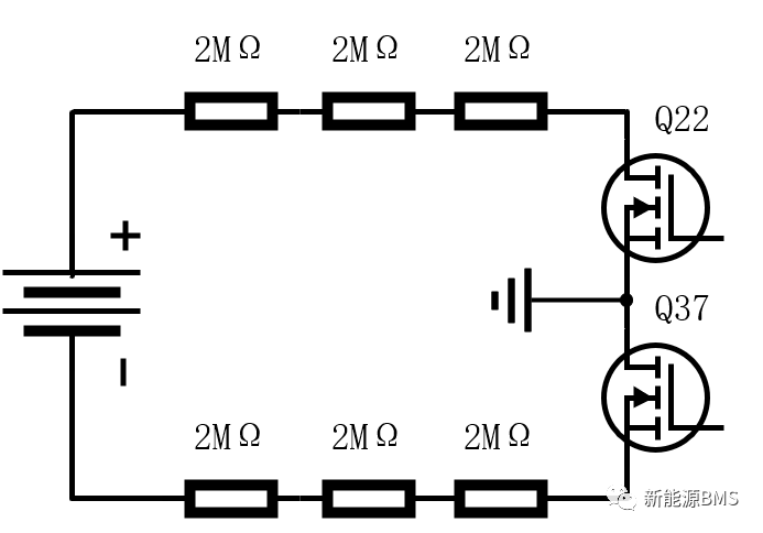
绝缘检测采用电桥法,而且只有上下两个桥臂,拓扑如下图:每个桥臂上面有6MΩ的电阻,通过开关接入车身地;这种方式比常见的电桥法有所简化,没有并入更小阻值电阻,在Y电容的影响下,采样时间可能长一些;同时它没有独立的电压观测点,应该是与高压检测电路共用。

两个桥臂的电阻如下图:电阻为2MΩ/1206封装。

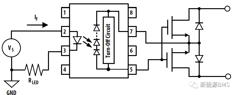
其电路的关键元件如下图:主要为正负极两个桥臂的开关电路部分,这里选取高压MOS作为控制开关,直接由单片机低压信号控制;其中负极桥臂的开关的控制电路使用了单独的驱动器。

①、负极桥臂双向TVS二极管:VISHAY-P4SMA540②、负极桥臂高压NMOS开关:Infineon-BSS127③、负极桥臂高压MOS光驱动器:BROADCOM-ACPL-K30T④、正极桥臂双向TVS二极管:VISHAY-P4SMA540⑤、正极桥臂高压NMOS开关:Infineon-BSS127
下图中,正极桥臂的NMOS开关正常驱动即可;但是针对负极桥臂的开关控制电路,这里面有点事情,因为负极桥臂电位相对于GND来讲都是负电压,所以NMOS需要按照下图中的Q37方式来放置,并且需要隔离驱动Q37。

具体地,这里选用了光隔离驱动器(U37/ACPL-K30T)来实现NMOS的驱动,典型的驱动电路如下,将Q37的G级接到U37的5脚,S级接到U37的7脚。

负极桥臂开关电路放大图如下:

总结:
特斯拉的绝缘检测方案一直是电桥法,有空会把MODEL S上绝缘检测方案也总结一下;节后第一篇,经过一周上班调整,人已经进入到正常的工作节奏中了;以上所有,仅供参考。
下一篇:V2X技术时代已来临
史海拾趣
|
给已经初学工控和即将进入工控的初学朋友几点忠告; 1. 如果你是一个性格外向,不喜欢逻辑思维。建议你不要学工控,因为工控是一门逻辑性很强的学科。 2. 如果你是一个对金钱期望值很大很高的 ...… 查看全部问答> |
|
EVC 4.2下实现系统托盘,出问题了。strcpy不能实现功能。提示szTip的类型是unsigned short数组,奇怪了 NOTIFYICONDATA tnd; strcpy(tnd.szTip,\"Left Click To Main Frame\"); //图标提示为”单击打开主界面” 错误提示在下面的strcpy处 error C2664: \'strcpy\' : cannot convert parameter 1 from \'unsigned short [64]\' to \'char *\' 指针好 ...… 查看全部问答> |
|
我是一个在校生,由于临时被拉到一个机器人项目组来,以前是学网络编程在这方面实在是没时间学,所以请大家帮帮忙啊,在编译的时候出现了这样的一个错误: error C2597: illegal reference to non-static member \'CSerialPortDlg::hFile 源代码\ ...… 查看全部问答> |
|
哪位在wince下实现过 wifi的ADHOC功能? 据说,改功能能够在两台wince设备间互传文件,不需要连接AP。 那不就可以替代蓝牙了? 哪位实现过?是驱动的支持?OS有相关组件?还是纯应用层的?… 查看全部问答> |
|
我最近用VxSim作仿真,我知道系统默认的时钟频率是一秒钟60tick,但是我想修改,可不可以再VxSim下修改每秒钟的tick数?要是能修改怎么修改阿?先谢谢大家了!!… 查看全部问答> |
|
我的2440开发板上除了标准的三个串口,还有用16c2550芯片扩展的总线型串口,小弟欲写wince下扩展串口的驱动,请问哪位大侠写过或指点一下,谢谢… 查看全部问答> |
|
欲购买ARM、DSP、FPGA、单片机、GPRS、数据采集卡、总线控制器等设备----实验、开发、仿真及调试 欲购买ARM、DSP、FPGA、单片机、GPRS、数据采集卡、总线控制器等设备----实验、开发、仿真及调试 目的:学习、开发 要求:资料全、有例程、价格合理,售后服务好、所买的实验设备和开发板(装置)要一致。 由于计划要求一次性购买,所 ...… 查看全部问答> |




