历史上的今天
今天是:2025年03月08日(星期六)
2021年03月08日 | 德州仪器高集成电机驱动器加速车辆48V混动系统的普及
2021-03-08 来源:EEWORLD
当今汽车中的大多数电动机都采用标准的12V汽车系统,使用带有皮带驱动的交流发电机以产生电压并使用铅酸电池进行存储。这种结构几十年来一直很好,但最新的车辆要有更多的舒适性、娱乐性、导航、驾驶员辅助和安全功能。
双电压12V和48V系统可以将部分较高电流负载从12V电池中移出。使用48V电源的优点是相同功率的电流降低4倍,并且伴随着电缆和电机绕组重量的减轻。可能更新到48V电源的高电流负载的应用包括起动电机、涡轮增压器、燃油泵、水泵和冷却风扇。为这些组件安置48V电气系统可能会节省约10%的燃料消耗。
48V轻混系统具有诸多优势
按照德尔福的测算,48V轻混系统是高压轻混系统成本的30%,能达到高压轻混系统70%的节能效果。
1. 低于60V安全电压,不需要采取额外的电压防护,相对高压混动系统,成本更低;
2. 相对于12V系统,相同功率下工作电流只有1/4,损耗只有12V系统的1/16;
3. 由于BSG/ISG的电功率辅助,可以进一步缩小发动机的体积,进而降低排放;
4. 可以将传统发动机上的高负载附件电动化,比如空调压缩机、冷却水泵、真空泵等,降低发动机的负载,即使在发动机关闭的情况下,这些设备也能工作;
5. 将车载电器工作电压提升到48V,可以进一步降低损耗,同时可以降低线束外径;
6. 可以支持更大功率的车载设备。
7. 可以涡轮电动化,进一步提高发动机的效率,并且不会有涡轮增压器延迟现象;
8. BSG/ISG点火时间更短,更低噪音和更小震动。
9. 48V Belt Starter Generator (BSG) 容易替代原有的12V Belt Starter Generator,无需大幅更改设计即可配套。
另外,对于汽车动力总成应用,典型的48V电机驱动系统需要10kW至30kW的电功率。传统的12V电池系统无法满足该功率水平,因此必须采用48V架构来支持大功率电机驱动。
48V系统升级需要克服的难处
48V系统虽然美好,但是也有一些额外的设计要点,具体表现在:
1. 电压的升高,电磁兼容要求会更高;
2. 48V电压下会存在电弧,是风险隐患,需要处理;
3. 原来的12V车载设备迁移到48V需要重新开发以及测试,代价巨大并且周期长;
4.比12V 启停系统成本高。
因此,48V系统要求实现小尺寸,大功率,符合汽车安全完整性等级(ASIL D的系统级功能安全性)以及对恶劣条件具有很强的耐受性。
德州仪器0级BLDC电机驱动器的优势
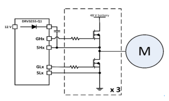
德州仪器日前推出的集成的0级BLDC电机驱动器DRV3255-Q1可将48V动力总成系统的尺寸缩小多达30%,并简化轻混电动车(MHEV)设计。
德州仪器电机驱动器业务部门总经理Kannan Soundarapandian表示,DRV3255-Q1具有六大优势,可有效帮助客户解决48V系统的升级问题。
1.集成高侧和低侧的有源电路逻辑,并且是业内领先的三相无刷驱动器。
2.提供大功率驱动,驱动功率能够高达30KW,甚至能够满足驱动一些重型车辆的需求。
3.集成保护机制,能保护48V动力总成系统免受高达95V恶劣开关瞬态电压的影响。
4.内部高度集成,能减少12-24个无源器件,最终可节约多达30%的电路板空间。
5.满足ISO26262标准进行设计,能够帮助客户容易实现ASIL-D等级的系统设计。
6.符合AECQ-100 0级标准,具有很广泛的工作温度范围,能在-40摄氏度到150摄氏度环境下的应用。
高集成度优化48V系统
正如德州仪器电机驱动器业务部门市场营销工程师Issac Hsu在《如何优化48V轻混电动车(MHEV)的电机驱动器设计》一文中所述,高度集成化对于48V系统来说非常有益。
利用集成在DRV3255-Q1中的主动短路逻辑,您可以决定在检测到故障情况时应如何响应。可以将该逻辑配置为启用所有高侧MOSFET、启用所有低侧MOSFET或在低侧和高侧MOSFET之间动态切换(具体取决于故障情况),而不是通过禁用所有MOSFET来响应故障情况。此外,DRV3255-Q1符合ISO 26262规定的功能安全标准,并包含诊断和保护功能,可支持ASIL D级的功能安全电机驱动器系统。
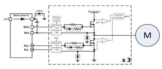
发动机舱中的空间有限,因此要求48V电机驱动器系统的电路板具有较小的尺寸。如下图展示了传统48V大功率电机驱动器设计的典型电机驱动器方框图。要实现具有强大保护功能的安全电机驱动器系统,需要使用钳位二极管、外部驱动电路、汇路电阻器和二极管、比较器以及外部安全逻辑。这些外部器件会导致布板空间增大并使系统成本升高。


典型的48V大功率电机驱动器方框图与简化的DRV3255-Q1电机驱动器方框图对比
因此,对于设计者而言,选择高度集成的电机驱动,在可靠性、便捷性、成本、体积等不同角度而言,都是更好的选择。
上一篇:固态电池:让人欢喜让人忧
史海拾趣
|
一段 你刚开始进入这行,对PMOS/NMOS/BJT什么的只不过有个大概的了解,各种器件的特性你也不太清楚,具体设计成什么样的电路你也没什么主意,你的电路图主要看国内 杂志上的文章,或者按照教科书上现成的电路,你总觉 ...… 查看全部问答> |
|
请问linux-2.6.22.14内核自带SD卡的 驱动么? 源文件夹下有/drivers/mmc,同时make menuconfig的时候也选择了SD/MMC选项, 编译 的 时候从log看也编译了 mmc下的文件。 但是,下载到开发板上后启动log里却没有mmc,sd这样的信息,同时/dev/mmcblk0文件也存在。… 查看全部问答> |
|
我现在完全按数据手册所有控制和地址,数据口上的时序都对的,可是读写仍然没反应,有用过改片子的兄弟嘛,默认该RAM上电后,内容是多少?是0x00还是0xFF… 查看全部问答> |
|
玩这个片子一年啦,可没找到战友呀!我的qq是8814405,有搞这个加我,最近有其他项目,暂时没搞,逛到这里,str9还是冷冷清清,悲哀呀。。。。看到有人问I2C问题,贴上我以前的代码,看能不能借鉴?算是推广一下了!/************************ ...… 查看全部问答> |
|
请问版主,STM32的datasheet中标明USB控制端点是有8个的,可是现在我一使用控制端点4会出现问题,具体描述如下: 1.使用官方版本STM32_USB_FS_Device_Lib_V3.1.1中的JoyStickMouse例程,运行正常。 2.将Dvice_Table中的EP_NUM改为5,将JoySt ...… 查看全部问答> |
|
quartus 调用modelsim 仿真时 出现错误 不能找到这个altera.alt_dspbuilder_package 昨晚一晚上也没解决 ,哪位大侠指点一二 ,多谢… 查看全部问答> |




