历史上的今天
今天是:2025年03月22日(星期六)
2021年03月22日 | 技术文章:pwm逆变器原理详解
2021-03-22 来源:21IC
pwm,也即脉宽调制。在诸多电路中,都存在pwm的应用。在往期pwm文章中,小编对pwm优点、pwm波占空比等均有所介绍。为增进大家对pwm的认识,本文将对pwm原理以及pwm逆变器工作原理图予以介绍。如果你对pwm具有兴趣,不妨继续往下阅读哦。

PWM 是一种对模拟信号电平进行数字编码的方法。通过高分辨率计数器的使用,方波的占空比被调制用来对一个具体模拟信号的电平进行编码。PWM 信号仍然是数字的,因为在给定的任何时刻,满幅值的直流供电要么完全有(ON),要么完全无(OFF)。电压或电流源是以一种通(ON) 或断(OFF) 的重复脉冲序列被加到模拟负载上去的。通的时候即是直流供电被加到负载上的时候,断的时候即是供电被断开的时候。
只要带宽足够,任何模拟值都可以使用PWM 进行编码。
如图1 所示,用一系列等幅不等宽的脉冲来代替一个正弦半波,正弦半波N 等分,看成N 个相连的脉冲序列,宽度相等,但幅值不等;用矩形脉冲代替,等幅,不等宽,中点重合,面积(冲量)相等,宽度按正弦规律变化。

SPWM 波形——脉冲宽度按正弦规律变化而和正弦波等效的PWM 波形。
PWM逆变器
标准的三相功率级(power stage)被用来驱动一个三相无刷直流电机,如图1所示。功率级产生一个电场,为了使电机很好地工作,这个电场必须保持与转子磁场之间的角度接近90°。六步序列控制产生6个定子磁场向量,这些向量必须在一个指定的转子位置下改变。霍尔效应传感器扫描转子的位置。为了向转子提供6个步进电流,功率级利用6个可以按不同的特定序列切换的功率MOSFET。下面解释一个常用的切换模式,可提供6个步进电流。

MOSFET Q1、Q3和Q5高频(HF)切换,Q2、Q4和Q6低频(LF)切换。当一个低频MOSFET处于开状态,而且一个高频MOSFET 处于切换状态时,就会产生一个功率级。
步骤1) 功率级同时给两个相位供电,而对第三个相位未供电。假设供电相位为L1、L2,L3未供电。在这种情况下,MOSFET Q1和Q2处于导通状态,电流流经Q1、L1、L2和Q4。
步骤2)MOSFET Q1关断。因为电感不能突然中断电流,它会产生额外电压,直到体二极管D2被直接偏置,并允许续流电流流过。续流电流的路径为D2、L1、L2和Q4。
步骤3)Q1打开,体二极管D2突然反偏置。Q1上总的电流为供电电流(如步骤1)与二极管D2上的恢复电流之和。
显示出其中的体-漏二极管。在步骤2,电流流入到体-漏二极管D2(见图1),该二极管被正向偏置,少数载流子注入到二极管的区和P区。
当MOSFET Q1导通时,二极管D2被反向偏置, N区的少数载流子进入P+体区,反之亦然。这种快速转移导致大量的电流流经二极管,从N-epi到P+区,即从漏极到源极。电感L1对于流经Q2和Q1的尖峰电流表现出高阻抗。Q1表现出额外的电流尖峰,增加了在导通期间的开关损耗。图4a描述了MOSFET的导通过程。
为改善在这些特殊应用中体二极管的性能,研发人员开发出具有快速体二极管恢复特性MOSFET。当二极管导通后被反向偏置,反向恢复峰值电流Irrm较小。
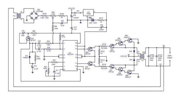
结合一种简单的逆变器电路图分析PWM逆变器电路的工作原理

电阻R2和电容C1套集成电路内部振荡器的频率。预设R1可用于振荡器的频率进行微调。14脚和11脚IC内部驱动晶体管的发射极终端。的驱动晶体管(引脚13和12)的集电极终端连接在一起,并连接到8 V轨(7808输出)。可在IC的引脚14和15两个180度,淘汰50赫兹脉冲列车。
这些信号驱动器在随后的晶体管阶段。当14脚的信号为高电平,晶体管Q2接通,就这反过来又使晶体管Q4,Q5,Q6点从目前的+12 V电源(电池)连接流一个通过的上半部分(与标签的标记)变压器(T1)中,小学通过晶体管Q4,Q5和Q6汇到地面。
因此诱导变压器二次电压(由于电磁感应),这个电压220V输出波形的上半周期。在此期间,11脚低,其成功的阶段将处于非活动状态。当IC引脚11云高的第三季度结果Q7的获取和交换,Q8和Q9将被打开。从+12 V电源通过变压器的初级下半部和汇到地面通过晶体管的Q7,Q8,Q9,以及由此产生的电压,在T2次级诱导有助于的下半部周期(标签上标明)电流流220V输出波形。
逆变器输出(T2的输出)挖掘点的标记为B,C,并提供给变压器T2的主。在变压器T2的下降这个高电压的步骤,桥梁D5整流它和这个电压(将逆变器的输出电压成正比)是提供的PIN1通过奥迪R8,R9,R16和(该IC的内部错误放大器的反相输入)这个电压与内部参考电压比较。
此误差电压成正比的输出电压所需的值和IC调节占空比的驱动信号(引脚14和12)为了使输出电压为所需的值的变化。R9的预设,可用于调节逆变器输出电压,因为它直接控制变频器的输出电压误差放大器部分的反馈量。
二极管D3和D4续流二极管,保护驱动级晶体管的开关变压器(T2)初选时产生的电压尖峰。R14和R15限制基地的第四季度和Q7。R12和R13为第四季度和Q7防止意外的开关ON下拉电阻。C10和C11是绕过从变频器的输出噪声。C8是一个滤波电容的稳压IC 7805。R11的限制限制了电流通过LED指示灯D2的。
史海拾趣
|
我有一颗芯片 ip210w由 8051内核和一个MAC组成 芯片手册有一句话:CPU starts up and runs instructions at address 0xFFFD of external Flash. 就是这句话把我郁闷了好久,怎么烧程序都不行。CPU都跑不起来。 请教高手如何让我的CPU跑起来,谢 ...… 查看全部问答> |
|
不能捕捉到CArchiveException 请各路英雄指教 大家好, 最近我遇到一个问题,在我的应用程序中(MFC工程), 里面有一句代码,是对文件读写的,如果这儿有一个空文件(里面什么内容也没有), 但我们又对它进行了读操作(调用CArchive >>进行读出),那么这儿一定会有个 CArchiveException异 ...… 查看全部问答> |
|
1.如题 ```` 2.还有就是如果一段时间没有数据传输 是不是就自动断开了? 3.断开后就可以继续发AT指令了么? 4.谢谢。。。。。… 查看全部问答> |
|
1、开始我使用的共享MFC库出错,后来我使用的静态MFC库,不出错了,,,但我在PB里已经向目标板加上了MFC组件,不知道为什么出错 2、我生成的EXE文件里如果有中文会显示乱码,不如应该如何解决 先谢谢了… 查看全部问答> |
|
今天调试板子,发现无法连接。第一个想到的是电源电压(焊DSP之前有测过电压都是对的)。 把所有的电容测了,发现RTS管脚处,用了一个RC 滤波电路。C上电压变成2.75V。去掉电容,DSP可连接。 将原本的4.7K,电阻换小后,电压上抬到3V左右。DSP工 ...… 查看全部问答> |
|
求助:建立了一个任务,就是不停进行打开、写、关闭、删除文件的操作,处于ready的状态,同时只有tShell处于ready状态,但spy后发现没有任何任务占用tick时间,中断也没有。该任务没执行。 出现这种情况是在建立任务后,在任务中输入i等指令后,就 ...… 查看全部问答> |
|
1.最基本的:系统开始运行OSStart()会引发一次调度 2.创建一个新任务时,如果此时系统在运行状态,则引发一次调度。3.某任务调用挂起函数挂起自己后引发一次调度。 4.调用恢复任务函数OSTaskResume()引发一次调度。 5.任务延时时,引发一次 ...… 查看全部问答> |




