历史上的今天
今天是:2025年04月19日(星期六)
2021年04月19日 | STM32双路信号源及配置平台电路设计
2021-04-19 来源:eefocus
随着在雷达探测、仪表测量、化学分析等领域研究的不断深入,不仅要求定性的完成目标检测,更加需要往高精度、高分辨率成像的方向发展。一方面,产生频率、幅度灵活可控,尤其是低相位噪声、低杂散的频率源对许多仪器设备起着关键作用。另一方面,电子元器件实际性能参数并非理想以及来存在自外部内部的干扰,大量的误差因素会严重影响系统的准确性。双路参数可调的信号源可有效地对系统误差、信号通道间不平衡进行较调,并且可以产生严格正交或相关的信号,这在弱信号检测中发挥重要作用。为此本文采用双通道DDS方法,以STM32($18.3200)为控制器,完成了一种高分辨率灵活可调的双路信号源电路设计。
最终设计出的滤波器结构参数及仿真结果如图1所示。
图1 7阶椭圆低通滤波器结构及参数
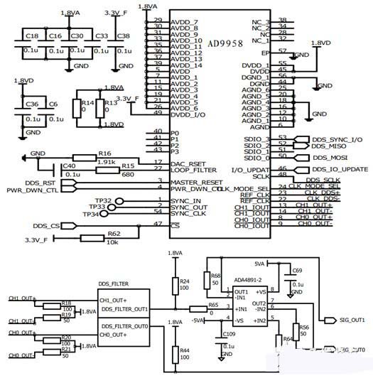
信号源输出电路
由于AD9958($25.1520)频率输出是一个电流型输出,等效模型为内阻为100KΩ的电流源。DAC输出电流的满量程值由外部电阻RSET决定,而需要设计的信号源是电压型输出并能提供一定的输出驱动能力,所以需要对ADC输出进行转换,并在滤波器后插入缓冲放大器。若采用中心抽头变压器进行电流电压变换,在低频时会造成插入损耗过大,固直接通过终端电阻来转换。输出驱动放大器采用高速放大器ADA4891-2($0.8400)。
ADA4891($0.5880)是一款CMOS、高速、高性能、低成本放大器,具有单电源供电,输入电压范围可扩展至负电源轨300mV以下,轨到轨输出级使输出摆幅可以达到各供电轨50mV以内,以提供最大的动态范围,线性输出电流150mA(-50dBc时),-3dB带宽为240MHz,功耗仅为 4.4mA。最终设计的输出电路如图2所示。
图2 AD9958输出转换及驱动电路
结果表明信号源输出特性良好,还具有集成的高、功耗低、配置灵活等优点。为了满足不同应用的需求,可调整滤波器参数或将滤波输出直接引出。由于采用了外设丰富的STM32控制器,使系统具有良好扩展性。该信号源可应用于嵌入式仪表测量、相关弱信号检测等领域,也可作为激励源为电路调试带来极大方便。
上一篇:STM32-GPIO
史海拾趣
|
求助:Local ROM 和 NOR Flash 是什么意思啊?谢谢! 请教: 我在书上看到 Local ROM NOR Flash 问题1: Local ROM 是不是相当于电脑的 内存条? NOR Flash 是不是相当于电脑的 硬盘? 问题1: Local ROM 是什么? 还有别的 ROM 吗? ROM 的主要作用是什么? 问题2: NOR Flash 是什么 ...… 查看全部问答> |
|
本帖最后由 paulhyde 于 2014-9-15 08:54 编辑 山东省2010电子设计大赛群,速加啊,咱讨论讨论!!! 116389549 山东省2010电子设计大赛群,速加啊,咱讨论讨论!!! 116389549 山东省2010电子设计大赛群,速加啊,咱讨论讨论!!! &n ...… 查看全部问答> |
|
最近想用LM3S的片子学习下音频采集和分析的知识,要能够分析音频的SNR,THD,计算频率等 本人之前没有这方面的经验,不知道该如何实现。 望论坛的朋友指点思路,谢谢! [ 本帖最后由 hnustlxj 于 2011-12-24 00:48 编辑 ]… 查看全部问答> |
|
这是代码: #include __CONFIG( FCMEN_OFF & IESO_OFF & CLKOUTEN_OFF & BOREN_OFF & CPD_OFF & CP_OFF & MCLRE_ON & PWRTE_OFF & WDTE_ON & FOSC_INTOSC); //__CONFIG( FCMEN_OFF & IESO_OFF & CLKOUTEN_OFF & BOREN_ON & CPD_OFF & CP_OFF & M ...… 查看全部问答> |
|
刚刚发现了两个可以降低自激振荡的方法 : 1.主极点校正法:比较简单而常用的校正措施是在负反馈放大电路的适当位置接入一个电容,接入的电容相当于并联在前一个放大级的负载上。在中频和低频时由于电容的 ...… 查看全部问答> |




