历史上的今天
今天是:2025年04月19日(星期六)
2021年04月19日 | 用超低功耗MSP430单片机设计数据采集系统
2021-04-19 来源:eefocus
1.MSP430单片机简介
MSP430是TI公司近几年推出的16位系列单片机,其最早是面向于驱动LED显示的应用设计,由于极好的应用效果和很大的市场潜力,TI很快将其发展为通用单片机。现已有X1XX、X3XX、X4XX几个系列,并且还在不断的发展。MSP430作为一种新型的单片机,采用了TI公司最新的低功耗技术,使其在众多的单片机中独树一帜。MSP430工作在1.8~3.6V电压下,有正常工作模式(AM)和4种低功耗工作模式(LPM1、LPM2、LPM3、LPM4),在电源电压为3V时,各种模式的工作电流分别为 AM:340uA、LPM1:70uA、LPM2:17uA、LPM3:2uA、LPM4:0.1uA。单片机可以方便的在各种工作模式之间切换。MSP430的超低功耗使其在电池供电、便携式设备的应用中表现出非常优良的特性。MSP430也具有非常高的集成度,单片集成了多通道12bit的A/D转换、片内精密比较器、多个具有PWM功能的定时器、斜边A/D转换、片内USART、看门狗定时器、片内数控振荡器(DCO)、大量的I/O端口以及大容量的片内存储器,单片可以满足绝大多数的应用需要。MSP430的这种高集成度使应用人员不必在接口、外接I/O及存储器上花太多的精力,而可以方便的设计真正意义上的单片系统。MSP430的片内存储器有ROM(C型)、OTP(P型)、EPROM(E型)、Flash Memory(F型)4种型号,采用冯.诺伊曼结构,因此,RAM、ROM和全部的外围模块都位于同一地址空间内。
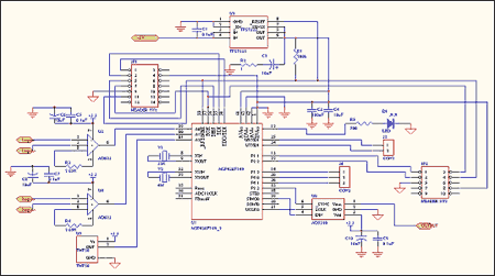
2 数据采集系统硬件设计
本设计所需要的数据采集系统为油井测量设备的井下部分,其安装在几千米深的油管底部,通过前端的传感器采集油井的温度和压力数据,编码后由后端的换能器经声信道发射到地面,完成对油井的监测。数据采集部分采用蓄电池供电,并要求在井下工作半年到一年的时间,因此,低功耗是整个系统的首要工作条件。另外,受油管可利用空间的限制,整个电路面积也要求尽量小。综合上述两点,采用MSP430单片机设计数据采集部分为很好的选择。MSP430F149为x1xx系列中硬件集成度最高的产品,相对于其它的产品,它有了硬件乘法器、48个I/O端口、更多的定时器(10个)、更多的USART端口(2个)以及高达60KB的Flash、2KB的RAM,为MSP430系列中的首选产品。 MSP430提供多种晶振方案,设计采用了两种时钟输入,4MHz的高频晶振配置为CPU主系统工作时钟,32.768KHz的看门狗为外围系统工作时钟。输入通道为两路仪表放大器通路,输出通道为两路SPI驱动A/D转换芯片,同时,I/O端口提供电平控制。双面PCB板面积为6.5cm×4.5cm。如下为原理图:

图1 电路原理图
3 软件设计
MSP430的内核CPU结构是按照精简指令集和高透明指令的宗旨来设计的,使用的指令有硬件执行的内核指令和基于现有硬件结构的高效率的仿真指令。MSP430F149仅仅有27条内核指令,使用起来非常方便。如下为初始化及触发I/O端口电平的程序示例:
软件完成数据采样以及编码发射的功能,因为油管声信道的复杂性,数据保持在较低的发射速率。如下为程序流程:

图2 软件流程图
参 考 文 献
MSP430x1xx Family User's Guide. Texas Instruments. MSP430系列超低功耗16位单片机原理与应用. 胡大可. 北京:北京航空航天大学出版社.
史海拾趣
|
引 言 先进的智能变送器是工业过程控制技术发展的需要,也是工艺过程实现高精度控制的必需,具有很好的市场前景。现场总线是目前国际上过程控制领域的一个热点,通过现场总线,数字通信技术可以延伸到现场仪表,给控制体系带来一场革命。HART协议作 ...… 查看全部问答> |
|
WINCE实现TCPMP的背景播放电影,发现如果不把视频窗口设置为活动窗口则无法刷新视频窗口,但是当设置了TCPMP的窗口为活动窗口后,其他窗口就无法显示. 但是在PC上,当TCPMP处于非活动状态时,其背景的视频窗口是可以刷新的,这到底是WINCE对于窗口切换的 ...… 查看全部问答> |
|
“采用MSP430 LaunchPad启动开发工作”精品课程学习心得 由于近期在用TI比较高端的Stellaris 9B92单片机,所以反观MSP430并不觉得很复杂。但是对430身材如此娇小却还具备如此完善的功能表示很惊叹!其实开发很多小玩意儿的时候不一定用得上如9B92般丰富的功能(那可是基于Cortex-M3的高端货),一块小系统 ...… 查看全部问答> |




