历史上的今天
今天是:2025年04月19日(星期六)
2021年04月19日 | 如何通过集成式有源EMI滤波器降低EMI并缩小电源尺寸
2021-04-19 来源:EEWORLD
从事低电磁干扰(EMI)应用的设计工程师在进行设计时通常面临着两大挑战:即如何在降低设计中电磁干扰的同时,缩小方案的体积。前端无源滤波可减少开关电源产生的传导性EMI,从而确保符合传导性EMI标准,但这种方法可能与增加低EMI设计的功率密度的要求相矛盾,特别是考虑到更高的开关速度对整体EMI信号的不利影响。这些无源滤波器往往体积庞大,可占电源方案总体积的30%。因此,在提高功率密度的同时,有效缩小EMI滤波器体积仍是系统设计人员的首要任务。
有源EMI滤波技术是一种较新的EMI滤波方法,可减弱电磁干扰,让工程师能够大幅缩小无源滤波器的尺寸、降低成本并提升EMI性能。为了说明有源EMI滤波器在EMI性能提升和空间节省方面的主要优势,在本文中,我将回顾集成了有源EMI滤波器功能的汽车同步降压控制器设计的结果。
EMI滤波
无源滤波使用电感器和电容器在EMI电流路径中产生阻抗失配,以此减少电源电路的传导发射。相比之下,有源滤波可感应输入总线上的电压,并产生反相的电流,该电流可直接与开关级产生的EMI电流抵消。
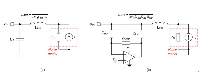
在此背景下,请看一下图1中简化的无源和有源滤波器电路,其中 iN 和 ZN 分别表示针对直流/直流稳压器的差分模式噪声诺顿等效电路的电流源和阻抗。

图1:常规的无源滤波(a)和有源滤波(b)电路安装启用
在图1b中,配置了电压感应和电流消除(VSCC)的有源EMI滤波器使用运算放大器电路作为电容倍增器来代替无源设计中的滤波电容器(CF)。如图所示,有源滤波器的感应、注入和补偿阻抗使用相对较低的电容值和较小的元件尺寸来设计增益项,用GOP 表示。有效的有源电容由运算放大器电路增益和注入电容器 (CINJ) 设置。
图1包含有效滤波器截止频率的表达式。高效的GOP 可降低有源设计的电感和电容值,且截止频率与无源设计实现等效。
滤波性能优化
图2比较了基于传导EMI测试的无源和有源EMI滤波器设计,该类设计使用峰值和平均值检波器来满足国际无线电干扰特别委员会 (CISPR) 25 5 类标准。每种设计都使用基于 LM25149-Q1 同步降压直流/直流控制器的功率级,通过13.5V的汽车电池输入提供5V和6A的输出。开关频率为440kHz。

图2:比较无源滤波器方案(a)和在等效功率级工作条件下有源滤波器设计(b)
图3所示为启用和禁用有源EMI滤波器电路时的结果。与未滤波或原始噪声信号相比,有源EMI滤波器的中、低频减弱情况更不明显。440kHz的基频分量的峰值EMI水平降低了近50dB,这使设计人员能够更加轻松地符合EMI的严格要求。

图3:比较有源EMI滤波器处于禁用(a)和启用(b)状态下的滤波性能
节省PCB空间
图4提供了无源和有源滤波器级的印刷电路板(PCB)布局比较,结果如图2所示。电感器占用的空间从5mm x 5mm缩小到4mm x 4mm。此外,两个随着外加电压而大幅降低的1210电容器被适用于有源EMI滤波器传感、注入和补偿的几个小型且值稳定的0402器件所代替。该滤波器解决方案占用的面积减少了近50%,而体积则减少了75%以上。

图4:无源(a)和有源(b)滤波器设计的PCB布局尺寸比较
无源器件的优势
如前所述,与无源滤波器设计中的电感器相比,有源EMI滤波器拥有较低的滤波器电感值,可减小占用的空间并降低成本。此外,物理尺寸较小的电感器通常具有寄生绕组电容较低而自谐振频率较高的绕组几何形状,从而在CISPR 25的较高传导频率范围内提升滤波性能:30MHz提升至108MHz。
一些汽车设计需要两个输入电容器串联连接,从而确保直接通过电池供电轨道连接时的失效防护稳健性。因此,有源电路可额外节省空间,因为小型0402/0603电感和注入电容器的串联可替代多个1210电容器。较小的电容器可简化器件的采购过程,因为这类器件随时可以买到且不受供应商限制。
结束语
我们会持续关注EMI,尤其是在汽车应用中使用电压感应和电流注入的有源滤波器实现低EMI信号,并最终减少所占空间及体积,同时降低解决方案的成本。有源EMI滤波器电路与同步降压控制器的集成有助于解决直流/直流稳压器应用中低EMI与高功率密度之间的权衡问题。
上一篇:直流电能计量应用
史海拾趣
|
近年来,Internet得到了飞速发展与普及应用,而作为其核心技术的IP协议体系在数据网络架构中的统治地位已得到了广泛认同。同时,随着IP技术的发展,一些科技智能设备也相继上市。 网络电源控制器就是很有代表性的例子,常被我们称为网络智能PDU。那 ...… 查看全部问答> |
|
各位大虾, 在我的硬件平台上,有SM502,并且Nk中加入了其驱动和DirectX组件,采用TCPMP0.81可以采用DirectDraw。 我不知道在代码中如何设置采用DirectDraw,请大虾指点. & ...… 查看全部问答> |
|
德州仪器公司的eZ430-RF2500开发工具,它包括两个U盘大小的开发板,支持相互间的无线连接(图4)。无线连接对我有吸引力,因为很多年来我都希望用它做一个项目,并且,似乎为一个设计增加无线功能,最后就能实现为系统增加模块,而不必自己从头搭一 ...… 查看全部问答> |
|
我知道打广告不好,但是确实是非常不错的活动。 需要的同志们去买吧。 不是那么实惠我也不会发。 原价500的,目前特价限量促销中,一个208 2个-3个198 http://item.taobao.com/item.htm?id=15010483611… 查看全部问答> |
|
我用的是ti给的例程,在调的时候用CCS看变量的值,发现变量的值根本没变,我先看了一下变量的值,然后让他跑一会,再看。两个数组变量里面的值,根本没变。求哪位大神,给我指点一下,这个例程到底怎么用? #include \"DSP28x_Project.h\" & ...… 查看全部问答> |
|
Altera FPGA/CPLD设计(基础篇) 编辑 本书可作为高等院校通信工程、电子工程、计算机、微电子与半导体等专业的教材,也可作为硬件工程师和IC工程师的实用工具书,结合作者多年工作经验,系统地介绍了FPGA/CPL的基本设计方法。在介绍FPGA/CPLD ...… 查看全部问答> |
|
UC3842是一种高性能的固定频率电流型控制器,鉴于此,本文提出了一种基于UC3842的医疗开关电源设计方案。该方案中的开关电源设计采用单端反激式结构,实现90-264Vac供电,12V的直流输出,具有瞬态响应快、电磁兼容好、 输 ...… 查看全部问答> |




