历史上的今天
今天是:2025年04月22日(星期二)
2021年04月22日 | ARM光学指纹识别系统模块电路
2021-04-22 来源:eefocus
本系统采用光学指纹传感器与ARM Cortex M3 内核意法半导体公司的32 位高性能单片机STM32F205RE 组成功能主体,采用Sobel 边缘检测算子、Gabor 滤波、图像二值化等图像采集与处理算法对指纹图像进行识别,构建了小体积的嵌入式指纹识别模块,具有积木式嵌入、微功耗、程序接口简单易用、便于二次开发、识别准确度高、高性价比等特点。
系统硬件电路设计
整个系统设计构成了一体化光学指纹识别模块。模块设计采用光学暗背景成像原理,加入特有活体检测芯片,在解决干手指效应的同时解决残留指纹误识别、橡胶假指纹等问题。
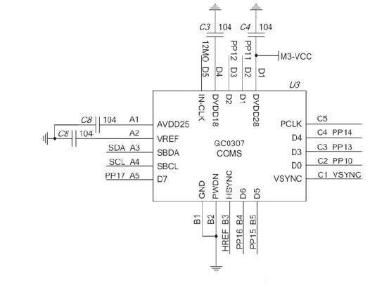
图所示为光学GC0307 CMOS 图像采集芯片应用电路原理图。该款CMOS 图像采集芯片是高精度、低功耗、微体积的高性能相机的内置式组件,它把实现优质VGA 影像的CMOS 影像传感器与高度集成的影像处理器、嵌入式电源和高质量的透镜组结合在一起,输出JPEG 图像或图像视频流,支持8/10 位数字传输JPEG 图像和YCbCr 接口,提供了完整的影像解决方案。

CMOS 图像采集芯功能输出串行数据引脚、时钟信号引脚、复位引脚、串行总线引脚等都接入到STM32F205RE的GPIO 口, 通过GPIO 口模拟时序读取CMOS 芯片采集到的图像信息。由于STM32F205RE 的GPIO 口工作频率可达120 MHz,因而可以非常准确高效地模拟时序,实测640×480 的原始图像能以10 帧/s 的速度采集到主处理器STM32F205RE 中进行图像处理。
史海拾趣
|
叠拓(原迪易通)信息技术有限公司 (Tieto),成立于1968年,是一家北欧的从事软件解决方案的全外资集团公司,分别在赫尔辛基和斯德哥尔摩证券交易所挂牌。是综合实力北欧地区第一,欧洲前三的IT业务供应商。 请将简历发送到 xiaoli.yang@tieto.co ...… 查看全部问答> |
|
汽车收音机应用环境的特殊性对电路性能具有更高的要求,而射频电路的设计是实现高性能的关键。本文介绍了TDA753的射频电路设计方法,作者根据实际设计经验提出了提高射频电路EMC特性和噪声特性的设计方法和措施,并指出了射频电路性能测试的注意要 ...… 查看全部问答> |
|
书上说世界上信号都是模拟信号,我很奇怪,要连续的信号才是模拟信号啊,我总感觉时间不是连续的,我在想是不是任何一个信号都是由很多个正弦波组成的, 如果我对一个人发出的声音进行处理,比如说把声音放大了,那么到底放大的是什么? 网上说声 ...… 查看全部问答> |
|
我用的evc里带的那个wince模拟器,我想得到wince模拟器的ip。用了下面的程序,只显示了name但不能显示ip怎么回事啊。 void CCxView::OnDraw(CDC* pDC) { CCxDoc* pDoc = GetDocument(); &nbs ...… 查看全部问答> |
|
现做两单片机之间的串行通信仿真实验,当我用共阴极LED时,其显示发生错误,但是当我换成共阳极LED时,其显示正确。用共阴极或共阳极时,其显示段码也换成相应的显示段码。段码应该没有错,因为我用它做LED静态或动态显示时是正确的。 代码如下: ...… 查看全部问答> |
|
嵌入式LINUX?如果你只听过Java、C++、Linux,那你赶快去Baidu、Google上搜索一下‘嵌入式Linux’,这个21世纪最具发展¥钱景,但是很多人还不熟的领域。商场上有商海,技术领域也有蓝海,嵌入式Linux就是最大的蓝海。 现在的Java程序员、C程序员 ...… 查看全部问答> |
|
在STM32的FSMC相关技术资料文档中,都提及到了非总线复用的问题,The IS61WV51216BLL memory is a nonmultiplexed, asynchronous, 16-bit memory.我现在选用的IS61WV20488BLL的SRAM,按照技术文档应该设置为非总线复用,但是设置为非总线复用 ...… 查看全部问答> |
|
求助:湿度精确到小数点后一位,始终弄不出来,不知道是什么原因! SHT21的驱动我用的是胡磊前辈的驱动。 计算温湿度程序,我基本上没做到什么改动: 如下: // 命令--0xF3测量温度//命令---0xF5测量湿度 long ReadSht21(char test_temp_or_humi){ unsigned long temp; unsigned long ...… 查看全部问答> |




