历史上的今天
今天是:2024年09月14日(星期六)
2021年09月14日 | 搭建STM8S001开发环境
2021-09-14 来源:eefocus
1、IAR。
由于keil不支持STM8,所以改用IAR。
IAR For STM8 3.10或以上版本才支持STM8S001,可以直接在官网免费下载,如下图所示。

破解工具用IAR Offline License Generator v1.4 by unis。如下图所示。
注意:v1.3是无法破解IAR For STM8 3.10及以上版本。
v1.4的破解工具可以在CSDN上找到,然后在淘宝下单,即可下载。

IAR为Debug模式,可以烧写代码到STM8,也可以做硬件仿真,但是不能输出.s19文件。

IAR在Release模式下,可以在linker选项卡中输出.s19文件,改后缀名即可。

在Project菜单下Edit Configurations可以设置Debug和Release模式。

2、STVP。
STVP也要用新版本,这里用42.0.0版本。需要在官网注册账号才能免费下载。

代码还需要调试的话,不要修改ROP,默认是OFF的。
因为STM8S001只有8个引脚,没有RST,如果把ROP改为ON,这样代码不能被读出,也不能写入。
只有带RST引脚的STM8才能用STVP改ROP。
用IAR生成.s19文件,再用STVP打开才能烧写代码。

3、SWIM引脚当GPIO口。

由于STM8S001引脚太少,可用的只有5个引脚。
SWIM引脚当GPIO口时,上电时先延时5秒,再初始化为GPIO口,否则将不能烧写代码。
或者将另一个GPIO口接上按键,按键按住再给板子上电,这样STM8先跳入死循环,也可以烧写代码。
所以,只要板子上引出GND和SWIM引脚,板子上电后,即可用ST link v2烧写代码。
4、PB4、PB5引脚。
PB4和PB5都是开漏的引脚,但是PB5与PA3复用了,而PA3不是开漏引脚。
所以PB4必须加上拉电阻,才能输出高电平。
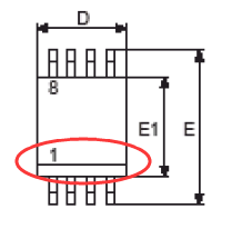
5、STM8S001封装。
STM8S001是SOP8封装,但是丝印上没有标明1引脚。
但是封装上,有一边是个切面,切面侧有1引脚,如下图所示。

6、STM8S001固件库。
这里用STM8S_StdPeriph_Lib2.3.1,旧版本可能不支持STMS001。
可以看stm8s_conf.h文件中,是否有红框的条件。
上一篇:STM8的线中断和端口中断
下一篇:STM8 点亮第一个发光二极管
史海拾趣
|
windows CE6.0 中的 Pdf 和office 等文档该怎么读啊? CE6.0 中的 Pdf 和office 等文档该怎么读啊? pdf 阅读,excel word 等 文档 是否有开源的模块可以移植呢?… 查看全部问答> |
|
使用wince自带的ie打印1024×768的网页,发现网页打印不全,右边的内容会丢失。 不知道大家有什么解决方案可以提供,或者有谁开发出解决这个问题的wince下的程序了嘛,可以考虑购买!谢谢!!… 查看全部问答> |
|
小弟现在编写evc串口程序,目的是arm和dsp的串口通讯。 但是现在在编写调试中遇到一个问题。 这是程序中的串口接收线程: DWORD WINAPI CSerialDlg::CommRecvThread(LPVOID lparam) { & ...… 查看全部问答> |
|
编写个程序,平台CE5.0,工具VS2005; 程序是个基于对话框的MFC程序,代码参考CE5.0的WIN32例子TrayApp; 在OnInitDialog相关代码如下: NOTIFYICONDATA tnd; memset(&tnd, 0, sizeof(NOT ...… 查看全部问答> |
|
最近做隔离的数字输入输出碰上了郁闷的问题... 图中给出的数字量输入(上)与输出(下)电路中,控制板还未落实,我直接上电测试光耦是否导通的,结果在输入口那边,输入24V的话光耦确实导通了,光耦3脚输出的电压有4.9V,可是经过R3后就只剩0.22V ...… 查看全部问答> |
|
请教:如何把下面的二進制码转换为图片文件,谢谢 (二進制码在液晶屏1602上可显示图片) 0xC0,0x00,0x00,0x00,0x00,0x00,0x00,0x00,0x00,0x00,0x00,0x00,0x00,0x00,0x00,0x00, 0x00,0x03,0x80,0x00,0x00,0x00,0x00,0x40,0x01,0x08,0x12,0x20,0x21,0x04,0x10,0x00, 0x00,0x00,0x00,0x01,0x00,0x00,0x00,0x00,0x00,0x4F,0xE0,0x90,0x2A,0 ...… 查看全部问答> |
|
此模式有没有人用过?有没有发现过什么问题?我的程序主要设置内容:转换通道:IN2(8通道全部由ADC1转换)和IN3(8通道全部由ADC2转换)转换触发:全设为SWSTART,软件程序出发间断模式,DISCNUM[15:13]=111(CR1),即8个通道序列长度,L[3:0] ...… 查看全部问答> |
|
又要有开发板团购。真是一个大喜讯。 只是用过51,没有用过MSP430. 听说MSP的门槛很高。一直没有下决心进入 这次EEWORLD搞MSP430开发板团购提供了一个很好的机会。 使我可以进入MSP430的大门。 期待中。 [ 本帖最后由 daijun 于 2011-11-18 0 ...… 查看全部问答> |




