历史上的今天
今天是:2024年09月16日(星期一)
2021年09月16日 | 连接无限可能——PoE LED Lighting
2021-09-16 来源:EEWORLD
PoE市场前景
以太网供电市场(PoE)调查数据以及对全球PoE市场预测情况显示,截止到2022年底,全球PoE市场的年复合增长率(CAGR)预计将增长13%(如图1所示),达到10亿美金。

图1 全球PoE市场预测
(数据来源Research And Markets)
最受欢迎的PoE产品主要有交换机、供电器、IP摄像头、VoIP电话、无线AP这五种。根据市场研究公司Research And Markets的预测,无线AP和PoE Lighting将成为未来十年PoE市场的两大主要增长动力。
到2025年,无线AP和PoE Lighting将获得40%的市场份额,占据PoE市场的主导地位。而这一发展趋势主要得益于能源、油气、电信、汽车以及交通行业对PoE应用需求的急剧增长。
PoE优势
据技术型授权代理商Excelpoint世健的工程师David Rao介绍,POE有以下几点优势:
节省时间和成本:由于不需要电源线,成本和安装时间都会减少。同时由于无需适用市电布线规定,也不需要合格的电工,因此安装得到了简化。
灵活性:靠近电源不再是一个考虑因素,设备可以放置在任何能运行LAN电缆的地方。
可靠性:集中式电源取代了低成本的墙式适配器,允许使用单个不间断电源来备份系统。
安全性:提供比无线更强大的安全协议,加强了对黑客的防范。
轻松便捷:可同时传输电源和数据,减少线束,高效便捷。
PoE LED Lighting产品介绍
项目背景
PoE LED Lighting的推广基于新推出的IEEE 802.3bt标准,同时也在传统的LED Lighting进行了重要改进。这一改进的主要推动因素是通过使用四对网线,在长达100m的电缆上传输高达90W的电力。这可让多个灯具使用菊花链连接,从而简化安装过程。
应用场景
POE可应用于商业楼宇体育场馆以及大型基础设施、智能家居。而将PoE与照明相结合则具有令人兴奋的新优势。例如,PoE可用于为UVC灯供电以攻击病毒,包括COVID-19。
产品框架
将PoE交换机或非PoE交换机(配合PSE供电器)分别与PoE LED灯具以及其它配件,例如无线AP和IoT传感器相连,则可建立一个PoE Lighting系统。用户只需要通过一些装有配套软件的移动终端或服务器云端,即可控制整个LED照明系统。
PoE照明系统包括五个基本组件:网关、用户界面、PoE交换机(非PoE交换机+PSE 供电器)、PoE节点灯具,以及传感器或开关等辅助设备。
LED灯具的数据和电源接收,是通过在LED灯具外壳内增加一个“节点”,并连接到LED电源和调光输入端来实现的。

图2 PoE Lighting 系统架构和产品框架
PoE LED Lighting的实现
通过以太网电缆(例如Cat5e/Cat6/Cat6a等)给设备供电主要需要两个组件:供电设备端(PSE)和受电设备端(PD)。其中PSE端负责像电源一样供电,而PD端接收并使用功率(负载)。同时在PoE配置中,每个LED灯具都可以是标准的RJ45连接器(即插即用设备),所以工业以太网也是不可或缺的重要组件。

图3 以太网供电框图
PoE LED Lighting 交换机--供电设备端(PSE)
根据不同的应用场景,供电设备端PSE可以有三种产品型态:

图4 PSE端三种产品型态
1.Endpoint PSE—PoE交换机是实现PoE供电最便捷的方式,PoE交换机直接连接终端PoE受电设备PD进行供电和数据传输;
2. Midspan PSE—也称PoE供电器(injector),一般在网络中没有PoE交换机的情况下使用,它的主要功能是将自身的电能和来自普通交换机的数据信号一起通过网线,传输给PoE受电设备端PD;
3. Extender PSE—PoE扩展器,扩展PoE供电设备传输距离>100m。
ADI定义的专有标准 LTPoE++™,该标准定义高达90W的受电设备(PD)功率规范,可支持多种功率级别:IEEE PoE(13 W)、IEEE PoE+(25.5 W)、IEEE PoE++(71 W) 和 ADI LTPoE++(高达 90 W/123W)标准。

图5 ADI PoE PSE端支持功率级别

图6 ADI LTC4279
LTC4279支持123W输出,默认完全自启动模式。

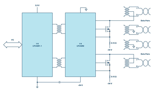
图7 LTC4291-1和LTC4292 PoE++ 4端口PSE芯片组的简化原理图
如图7所示,用户可以通过I2C接口与LTC4291-1/LTC4292 PSE芯片组进行通信,并可根据不同应用,选择四种PSE工作模式(自动、半自动、手动或关断)中的一种;LTC4291-1提供一个PSE主机隔离数字接口,而LTC4292则提供一个高压以太网接口。可将多达6个昂贵的光耦和1个隔离电源替换为更便宜、更可靠的10/100Mbps以太网变压器;可以通过配置setting AUTO high为自动模式。
图8 采用了LT4290A/LT4271芯片组的工业PSE交换机
工业PSE交换机采用了LT4290A/LT4271芯片组,具备6个10/100/1000M RJ45端口、支持IEEE802.3 bt协议。其中1-4口支持超大功率71W输出,并向下兼容IEEE 802.3af/at PoE国际标准,单端口PoE功率高达95W;工业PSE交换机能自动检测识别符合标准的受电设备,并通过CAT5或更高等级网线为其供电,为大功率无线AP、网络球机、大功率PoE照明,工业传感器等PoE终端设备供电。
PoE Lighting节点--受电设备(PD)
ADI提供LTPoE++、PoE+和PoE标准,具有集成隔离式开关稳压器的PD控制器;功率等级从2 W至90 W。
部分PD设备集成DC-DC控制器(LT4295/LT4275A 图8所示),对一些特定应用能简化设计。
对于那些需要能够支持辅助电源的LTPoE++ PD设计,PD可以选择由电源适配器供电,图12所示的LT4321兼容PoE、PoE+、和 LTPoE++™。
PoE Lighting节点可以共享通过LED灯具外接传感器收集数据(如光环境、人体红外感应、温湿度、空气质量等),用于从自动调节空气质量和舒适度到健康和安全威胁侦测、人流控制和优化运营等各个方面。

图9 PoE Lighting节点产品指标

图10 PoE Lighting节点

PoE Lighting接口--工业以太网/RS485
ADI同时可以提供工业以太网PHY ADIN1300(速率范围为10 Mbps至1 Gbps)和ADIN1200(速率范围为10 Mbps至100 Mbps)。

图13 ADIN1200/ADIN1300
总结
PoE照明的优势远远超越单纯LED的节能、环保和控制能力。作为集成在网络上的基于IP的设备,PoE lighting可以通过软件从任何地方进行控制和管理,并与其他网络应用功能集成。
世健可以提供完整的ADI PoE电源解决方案(PSE+PD+Bridge Controller),同时结合先进成熟的传感器技术,建立基于网络的理想平台。
史海拾趣
|
IO Read这个引脚在有输入的时候应该呈低电平,没输入的时候应该一直高,但我的却呈2.5V,高的话应该是4.8V才对,这样导致工控机启动不起来,我的程序是这么写的 if(outputflag = \'0\') then if(addr = \"0001\") then &nb ...… 查看全部问答> |
|
//打开执行远程SQL语句窗口 void CRDAExamDlg::OnBtnsubmit() { ::MessageBox(NULL, L\"1\", L\"\", MB_OK); ISSCERDA* &n ...… 查看全部问答> |
|
本帖最后由 paulhyde 于 2014-9-15 04:00 编辑 ADC采样中断和键盘中断不能一块儿用,单独的模块儿都没有问题的,这是为什么,求大神们指导 … 查看全部问答> |
|
TI 开发软件CCS5.5.0.00068_win32下载啦! https://focus-webapps.ti.com/lic ... eleases/CCSv5/beta/ 迅雷下载… 查看全部问答> |




