历史上的今天
今天是:2024年09月28日(星期六)
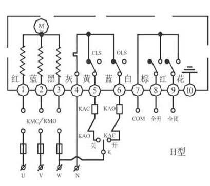
2021年09月28日 | 电动调节阀的电路图
2021-09-28 来源:elecfans
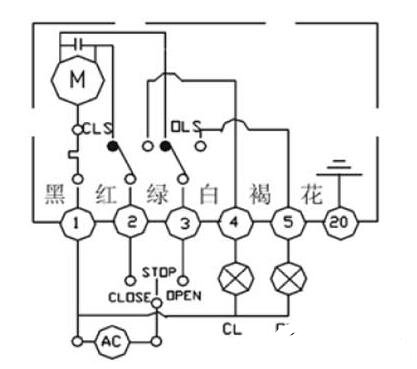
一、开关动作模式:通过交流开关量实现开启,关闭操作,并输出一组只是全开,全闭的有源位置信号。

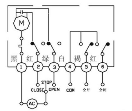
二、开关动作模式:输出无源触点信号。
结构:带两个中间位置开关。

三、开关动作模式:输出0~1000Ω反馈信号。
结构:带500Ω或1KΩ电位器。

四、开关动作模式:通过开关电路控制阀门开启角度与电位器阻值对应,并同时实现中间位置控制功能。
结构:带电位器和中间位置开关。

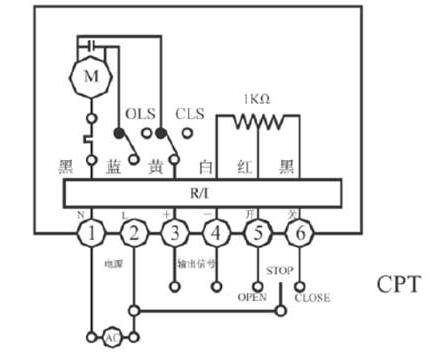
五、开关动作模式:输出4~20mA阀位反馈信号。
结构:带1KΩ电位器和R/I变换器。

六、调节动作模式:输入4~20mA控制信号,输出4~20mA阀位反馈信号。
结构:带1kΩ电位器和控制模块(伺服放大器)。

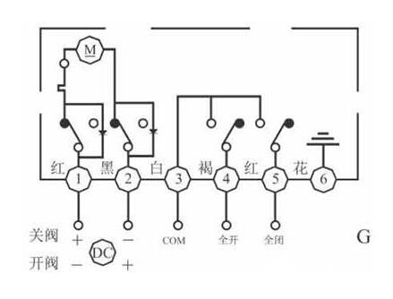
通过外部交流电源向电路输出直流开关量控制开启,关闭程序,并输出一组对应全开,全闭位置的无源触点信号。

通过外部三相电源倒相电路输出三相交流开关量控制开启,关闭操作并输出一组对应全开,全闭位置的无源触电信号。
史海拾趣
|
大二,暑期实习, 我们的目标是完成线性稳压电源,串联开关稳压电源,功率放大器中的一个。我选择的是线性稳压电源,选择的是用w7800三端稳压器,实验要求是输入电压Ui=18V(交流),输出电压为Uo=7~18V。输出电流Io要小于1.5A,我想请教大家帮忙提 ...… 查看全部问答> |
|
有大量PCB设计高清图供大家欢赏 https://home.eeworld.com.cn/my/space.php?uid=257400&do=album&id=1232 前几天有些朋友在问我联系方式我的QQ:1211406057 有朋自远方来 ...… 查看全部问答> |
|
本人想学习arm从而进入嵌入系统的领域,会点单片机,和c语言,c++正在学习当中 大家能不能推荐一下快速入门的书啊?还有没有二手的板子,可以的话,我想买,, 我没钱,新的买不起来。。 谢了,,帮顶也给分… 查看全部问答> |
|
由于研究Vxworks下的Goahead webserver(2.18版本)移植(这是用的最多的一种方式虽然存在BUG,但作为初学者很有学习价值); 按: (1)建立基于bsp 的downloadable 工程,名称为 goaheadweb (2)将下列下载的源文件加入到工程中 ...… 查看全部问答> |
|
当你21岁,有了第一个自己创办的公司时,你一定认为你是这么的聪明,比以往任何一个人都聪明,你不需要建议或帮助,只想拼命的干活,做一个很酷的产品,卖给上百万的用户,然后在25岁的时候退休。这种初生牛犊不怕虎的信心对于年轻的创业者来说非常 ...… 查看全部问答> |
|
STM32F103VCT6的I2C出问题了(好像跟映射有关系),难以解决 调了好几天了,快崩溃了,下面我把情况说一下: STM32F103VCT6的PB8\\PB9用作I2C1,连接PCF8563,硬件连接是没有问题的,8563的读写函数也没有问题,因为是原来用在RBT6上的软件,区别是按照STM32F103VCT6的手册,PB8\\PB9用作I2C1的话是需要 ...… 查看全部问答> |
|
如题,附件中为一个DC-DC转换,开关频率为525KHZ,问题是因为在使用的环境糟糕,需要输入端加入三个电感滤波:防止外部对内部电路干扰,防止内部对外部环境干扰。一直对滤波电路都不熟,所以得请帮忙。不胜感激 [ 本帖最后由 fengboning ...… 查看全部问答> |




