历史上的今天
今天是:2024年10月15日(星期二)
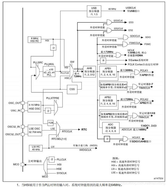
2021年10月15日 | STM32学习笔记3——stm32系统时钟树
2021-10-15 来源:eefocus

①HSI 是内部高速时钟, RC 振荡器, 频率为 8MHz。 可作为系统时钟或 PLL 锁相环的输入。
②HSE 是外部高速时钟。 可通过外接一个频率范围是 4-16MHz 的时钟或者晶振。 HSE 可以作为系统时钟和 PLL 锁相环输入, 还可以经过 128 分频后输入给 RTC。
③LSI 是内部低速时钟, RC 振荡器, 频率大约为 40K, 可供独立看门狗和 RTC 使用, 并且独立看门狗只能使用 LSI 时钟。
④LSE 是外部低速时钟,芯片上有相应的外部低速时钟管脚。 通常在此管脚上外接一个 32.768KHz 的晶振, 供 RTC使用。
⑤PLL 是锁相环, 用于倍频输出。
上一篇:STM32串口通讯协议浅析
下一篇:STM32的时钟树深入详解
史海拾趣
|
本帖最后由 paulhyde 于 2014-9-15 09:48 编辑 活动介绍 恩智浦半导体(NXP Semiconductors)是一家新近独立的半导体公司,由飞利浦公司创立,已拥有五十年的悠久历史,主要提供工程师与设计人员各种半导体产品与软件,为消费电子、安全应用、 ...… 查看全部问答> |
|
6集成电路运算放大器 6 .1.1集成电路运算放大器的特点 6.1.2集成运算放大电路中的电流源 6.1.3基本型差动放大器 6.1.4双电源长尾式差放 6.1.5差动电路的几种接法 6.1.6恒流源式差放… 查看全部问答> |
|
本帖最后由 paulhyde 于 2014-9-15 09:18 编辑 衰减器的功能是能处理大功率信号且不会影响信号性能,所以在对大功率信号处理和测试时需要用到高频衰减器。尤其是一些特殊的信号,例如在商业广播和军用雷达系统中常见的超过1kW的信号来讲,在任何测 ...… 查看全部问答> |
|
2440 ARM 的ADC驱动是和touch screen共用的吗? 2440 ARM 的ADC驱动是和touch screen共用的吗? 2440的ADC端口和touch screen端口公用一个端口,那windowsce里面是不是也可以用touch 驱动程序来读出ADC的值? 目前我在开发板的软件包里面,找不到ADC驱动,我发现触摸屏的驱动里面有ADC的代码, ...… 查看全部问答> |
|
中嵌学院的嵌入式培训怎么样?保证就业是真的吗?就业怎么样?有在中嵌培训过的大哥大姐能回答下吗?学费太贵,农村的我想把来之不易的钱用到实处, 有知道的说下… 查看全部问答> |
|
比如我U8 firmware_data[128];firmware赋值{0,22,1e,4d,。。。。。。。e3} U32 *ptr=(U32 *)&firmware_data[0]; 我用的arm9,读出来ptr内的数据是4d1e220格式,怎么变成02214d即大端模式?用htonl吗,怎么用? 谢谢啊… 查看全部问答> |
|
大家都知道,LED灯采用半导体原理,其光源的寿命是很长的,可达50000h以上,然而最近和节能灯行业一位前辈交流,他却称,这种说法是不实之言,他是这样给我分析的: LED发光原理普通节能一样,都是利用稀土三基色荧光粉发光,只是激发方式不同。 ...… 查看全部问答> |
|
我最近在做AD转换,具体是这样的:我用电位器的电压做给定,通过AD转换,转换结果作为和定时器比较寄存器比较的依据. 可是怎样看AD转换后的结果?是不是真的电位器给定的值变化,AD结果寄存器的值就是变化的? 各位大侠帮帮我,我都困住三天了,不知道怎 ...… 查看全部问答> |




