历史上的今天
今天是:2024年11月12日(星期二)
2021年11月12日 | stm32之时钟控制
2021-11-12 来源:eefocus
本文提到的有以下内容:
时钟系统与总线矩阵
SysTick系统定时器
RTC实时时钟
看门狗定时器
通用定时器
一、时钟系统与总线矩阵
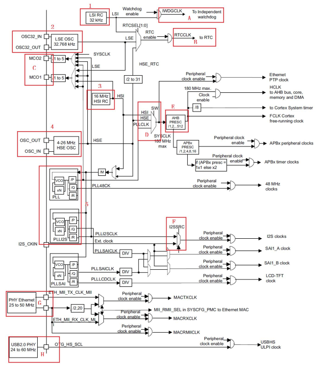
stm32F4的时钟树如下图所示:

在STM32中,有五个时钟源,为HSI、HSE、LSI、LSE、PLL。
HSI是高速内部时钟,RC振荡器,频率为8MHz。
HSE是高速外部时钟,可接石英/陶瓷谐振器,或者接外部时钟源,频率范围为4MHz~16MHz。
LSI是低速内部时钟,RC振荡器,频率为40kHz。
LSE是低速外部时钟,接频率为32.768kHz的石英晶体。
PLL为锁相环倍频输出,其时钟输入源可选择为HSI/2、HSE或者HSE/2。倍频可选择为2~16倍,但是其输出频率最大不得超过72MHz。
我们在学习51单片机的时候,其内部是没有晶振的,而stm32是有的。stm32可以通过RCC(时钟控制寄存器)对时钟进行参数配置以及使能。我们还可以通过修改system_stm32f4xx.c文件,来配置上述时钟树上的一些分频、倍频参数,得到理想的频率。
在单片机系统中,CPU和总线以及外设的时钟设置是非常重要的,因为没有时钟就没有时序,组合电路需要好好理解清楚。我们先来看
一下总线矩阵。

片上总线标准种类繁多,而由ARM公司推出的AMBA片上总线受到了广大IP开发商和SoC系统集成者的青睐,已成为一种流行的工业标准片上结构。AMBA规范主要包括了AHB(Advanced High performance Bus)系统总线和APB(Advanced Peripheral Bus)外围总线。二者分别适用于高速与相对低速设备的连接。
一般性的时钟设置需要先考虑系统时钟的来源,是内部RC还是外部晶振还是外部的振荡器,是否需要PLL。然后考虑内部总线和外部总线,最后考虑外设的时钟信号。遵从先倍频作为CPU时钟,然后在由内向外分频,下级迁就上级的原则。
二、SysTick系统定时器
SysTick—系统定时器是属于CM4内核中的一个外设,内嵌在NVIC中。系统定时器是一个24bit的向下递减的计数器,计数器每计数一次的时间为1/SYSCLK,一般我们设置系统时钟SYSCLK等于180M。当重装载数值寄存器的值递减到0的时候,系统定时器就产生一次中断,以此循环往复。
因为SysTick是属于CM4内核的外设,所以所有基于CM4内核的单片机都具有这个系统定时器,使得软件在CM4单片机中可以很容易的移植。
系统定时器一般用于操作系统,用于产生时基,维持操作系统的
心跳。
一般用于系统内部运行以及延时函数。
三、RTC实时时钟
RTC(Real-Time Clock)实时时钟为操作系统提供了一个可靠的时间,并且在断电的情况下,RTC实时时钟也可以通过电池供电,一直运行下去。
RTC通过STRB/LDRB这两个ARM指令向CPU传送8位数据(BCD码)。数据包括秒,分,小时,日期,天,月和年。RTC实时时钟依靠一个外部的32.768Khz的石英晶体,产生周期性的脉冲信号。每一个信号到来时,计数器就加1,通过这种方式,完成计时功能。
RTC实时时钟有如下一些特性:
1,BCD数据:这些数据包括秒、分、小时、日期、、星期几、月和年。
2,闰年产生器
3,报警功能:报警中断或者从掉电模式唤醒
4,解决了千年虫问题 (详见http://baike.baidu.com/view/9349.htm)
5,独立电源引脚RTCVDD
6,支持ms中断作为RTOS内核时钟
7,循环复位(round reset)功能

如图,RTC实时时钟的框架图,XTIrtc和XTOrtc产生脉冲信号,即外部晶振。传给2^15的一个时钟分频器,得到一个128Hz的频率,这个频率用来产生滴答计数。当时钟计数为0时,产生一个TIME TICK中断信号。时钟控制器用来控制RTC实时时钟的功能。复位寄存器用来重置SEC和MIN寄存器。闰年发生器用来产生闰年逻辑。报警发生器用来控制是否产生报警信号。
四、看门狗定时器
看门狗定时器又分为独立看门狗IWDG和窗口看门狗WWDG。
1、独立看门狗
独立看门狗IWDG其实是一个12位递减计数器,有故障时,计数器减到0,产生复位,无故障时,计数器减到0之前就刷新计数值(喂狗),不进
行复位。其采用独立时钟,主要用于监视硬件错误(不受系统时钟影响)。
2、窗口看门狗
窗口看门狗WWDG其实是一个7位递减计数器,有计数上下限,下限位0x40,上限由用户指定,上下限之间刷新计数值则不复位,其他都复位。采
用系统时钟,主要用于监视软件错误。
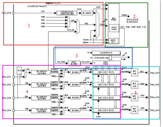
五、通用定时器
stm32的定时器有基本定时器、通用定时器和高级定时器。这里以通用定时器为例,其内部结构如下图所示,需要设置预分频系数,并不是直接
使用APB1的时钟。

通用定时器的计数模式分为5种:
向上计数:计数器从0计数到自动装载值。
向下计数:从自动装载值计数到0。
向上向下计数(中心对齐计数):计数器从0计数到自动装载值,再从自动装载值计数到0,反复循环。
输入捕获:测量输入信号的脉宽、PWM波的占空比等。
输出比较:PWM波用的就是这种模式。
定时器的时间公式:T=((n-1)*(pre-1))/Tclk,其中n为计数值,pre为预分频系数,Tclk为定时器时钟。
为什么计数值和预分频系数要减一?因为计数是从0开始的,而预分频系数为0时,表示不分频。
定时器用于中断时,注意更新中断标志位。
史海拾趣
|
针对好多Linux 爱好者对内核很有兴趣却无从下口,本文旨在介绍一种解读linux内核源码的入门方法,而不是解说linux复杂的内核机制; (参考资料来源:飞凌 http://www.witech.com.cn/) 一.核心源程序的文件组织: 1.Linux核心源程序通常都安 ...… 查看全部问答> |
|
手上有一个楼控的项目,有一个日本松下的楼控产品需要熟悉一下,也是刚接触这个行业。 这个产品上有两个网口,一个232串口,还有RS485,485有6个接口,上边是1S+,1S-,1SE;下边也是1S+,1S-,1SE 还有两个NMAST接口,上下都是2S1,2S2,2SE。 ...… 查看全部问答> |
|
今天把TCPMP放到我的CE6.0上面试。但是发现的情况是用GDI模式的非常好用。但是用directdraw放的时候就是几个彩条在闪什么都没有。。结果在程序中发现我的HALinit根本就没有调用。当然我的directdraw就没有调用了。还有当我一打开我的palyer.exe的时 ...… 查看全部问答> |
|
CPU:OMAP730B ROM:M-Systems DiskOnChip G3 MD4832-d512-V3Q18 RAM:HY25L256160AC-7.5 已有bootloader文件,及这款裸板。请问具体需要什么设备、怎么连接、怎样操作,才可以把bootloader文件写进板里 … 查看全部问答> |
|
2011来了,2012还会远么。呵呵…… 现在觉得M3内核的东西还是不错,就STM32F103RET6这个片子吧,512Kb的ROM,64Kb的RAM。还是不错的,在以前的公司找朋友拿了两块最小系统空PCB板,自己买元件焊接起来了。 板子与开发工具如下: 电路图如 ...… 查看全部问答> |




