历史上的今天
今天是:2024年12月06日(星期五)
2021年12月06日 | 优化信号链的电源系统 — 第3部分:RF收发器
2021-12-06 来源:EEWORLD
简介
本信号链电源优化系列文章的第1部分讨论了如何量化电源噪声以确定其影响信号链器件的哪些参数。通过确定信号处理器件可以接受而不影响其所产生信号的完整性的实际噪声限值,可以创建优化的配电网络(PDN)。在第2部分中,该方法被应用于高速模数和数模转换器,证明将噪声降低到必要水平并不一定要提高成本、增加尺寸、降低效率。这些设计参数实际上可以在一个优化的电源解决方案中满足。
本文重点关注信号链的另一部分——RF收发器。本文将探讨器件对来自各电源轨的噪声的敏感度,确定哪些器件需要额外的噪声滤波。本文提供了一种优化的电源解决方案,并通过将其SFDR和相位噪声性能与当前PDN(当连接到RF收发器时)进行比较来进一步验证。
优化ADRV9009 6 GHz双通道RF收发器的电源系统
ADRV9009是一款高集成度射频(RF)、捷变收发器,提供双通道发射器和接收器、集成式频率合成器以及数字信号处理功能。这款IC具备多样化的高性能和低功耗组合,可满足3G、4G和5G宏蜂窝时分双工(TDD)基站应用要求。

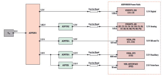
图1.ADRV9009双通道收发器的标准评估板配电网络。此设置使用一个ADP5054四通道稳压器和四个LDO后置稳压器来满足噪声规格,并最大限度地提高收发器的性能。目标是改善该解决方案。
图1显示了ADRV9009双通道收发器的标准PDN。PDN由一个ADP5054四通道开关稳压器和四个线性稳压器组成。这里的目标是了解配电网络的哪些性能参数可以改善,同时产生的噪声不会降低收发器的性能。
如本系列文章所述1,2,为了优化PDN,量化ADRV9009对电源噪声的敏感度是必要的。ADRV9009 6 GHz双通道RF收发器需要如下五个不同的电源轨:
►1.3 V模拟(VDDA1P3_AN)
►1.3 V数字(VDDD1P3_DIG)
►1.8 V发射器和BB (VDDA_1P8)
►2.5 V接口(VDD_INTERFACE)
►3.3 V辅助(VDDA_3P3)
分析
图2显示了模拟电源轨(VDDA1P3_AN、VDDA_1P8和VDDA_3P3)的接收器1端口PSMR结果。对于数字电源轨(VDDD1P3_DIG和VDD_INTERFACE),我们利用信号发生器能够产生的最大注入纹波在输出频谱中未产生杂散,因此我们无需担心最小化这些电源轨上的纹波。调制杂散幅度用dBFS表示,其中最大输出功率(0 dBF)相当于50Ω系统中的7 dBm或1415.89 mV p-p。

图2.ADRV9009收发器的模拟电源轨在接收器1处的PSMR性能
对于VDDA1P3_AN电源轨,测量是在收发器板的两个不同分支上进行。请注意,在图2中,PSMR在<200kHz纹波频率时低于0 dB,表示这些频率下的纹波产生更高的相同幅度调制杂散。这意味着在200 kHz以下,接收器1对VDDA1P3_AN电源轨产生的最小纹波也非常敏感。
VDDA_1P8电源轨在收发器板上分为两个分支:VDDA1P8_TX和VDDA1P8_BB。VDDA1P8_TX电源轨在100 kHz时达到最小PSMR,约为27 dB,对应于100kHz纹波的63.25 mV p-p,产生2.77 mV p-p的调制杂散。VDDA1P8_BB在5 MHz纹波频率时测量约11 dB的最小值,相当于0.136 mV p-p的注入纹波产生的0.038 mV p-p杂散。
VDDA_3P3数据显示,在大约130 kHz及以下,PSMR低于0 dB,表示接收器1处的RF信号对来自VDDA_3P3的噪声非常敏感。该电源轨的PSMR随着频率提高而上升,在5 MHz达到72.5 dB。
总之,PSMR结果表明,在这些电源轨中,VDDA1P3_AN和VDDA_3P3电源轨噪声最令人担忧,贡献了ADRV9009收发器最大部分的耦合到接收器1的纹波量。

图3.ADRV9009收发器的模拟电源轨在接收器1处的PSRR性能
图3显示了ADRV9009模拟电源轨的PSRR性能。VDDA1P3_AN的PSRR在最高 1MHz时保持平坦,约为60 dB;在5 MHz时略有下降,最小值为46 dB。这可以被视为5 MHz的0.127 mV p-p纹波,其产生0.001 mV p-p杂散,该杂散与调制RF信号一起位于LO频率之上。
ADRV9009的VDDA1P8_BB电源轨的PSRR在5 MHz时达到约47 dB的最小值,而VDDA1P8_TX电源轨的PSRR不会低于约80 dB。在1 MHz以下的频谱中,VDDA_3P3的PSRR高于所示的90 dB。测量在90 dB时发生削波,因为最高1 MHz的最大注入纹波为20 mV p-p——这不够高,无法产生高于本振的本底噪声的杂散。该电源轨的PSRR高于所示的1 MHz以下的情况,因为随着频率提高,它在4 MHz时下降到76.8 dB,其最低值在10 kHz至10 MHz范围内。
与PSMR结果类似,PSRR数据表明,耦合到本振频率(特别是高于1 MHz)的大部分噪声来自VDDA1P3_AN和VDDA_3P3电源轨。
为了确定电源是否能够满足噪声要求,测量直流电源的纹波输出,并绘制一个100 Hz至100 MHz频率范围的波形,例如图4所示。在该频谱上增加一个覆盖层:调制信号上将出现边带杂散的阈值。覆盖的数据是通过在几个参考点将正弦纹波注入到指定电源轨而获得的,用以了解什么纹波水平产生边带杂散,如本系列的第1部分所讨论的。
图4至图6中所示的阈值数据是针对收发器最敏感的三个电源轨的。图中显示了不同DC-DC转换器配置、使能/未使能展频(SSFM)、通过LDO稳压器或低通(LC)滤波器进行更多滤波等情况下的电源轨频谱。这些波形是在电源板上测量,并留下了比噪声限值低6 dB甚至更多的裕量。

图4.为VDDA1P3_AN电源轨供电的LTM8063(不同配置)的输出噪声频谱,
以及该电源轨允许的最大纹波。
测试
图4显示了VDDA1P3_AN电源轨的杂散阈值,以及LTM8063 µModule®稳压器不同配置的实测噪声频谱。 如图4所示,在禁用展频(SSFM)的情况下,使用LTM8063为电源轨直接供电,在LTM8063的基波工作频率和谐波频率处产生超过阈值的纹波。具体说来,纹波在1.1 MHz时超过限值0.57 mV,表明需要后置稳压器和滤波器的某种组合来抑制开关稳压器的噪声。
如果仅增加LC滤波器(无LDO稳压器),则开关频率处的纹波刚刚达到最大允许的纹波——可能没有足够的设计裕量来确保收发器性能最佳。增加ADP1764 LDO后置稳压器并开启LTM8063的展频模式,可以降低整个频谱上的基波开关纹波幅度及其谐波,以及SSFM在1/f区域中引起的噪声峰值。 通过开启SSFM并增加LDO稳压器和LC滤波器,可以实现最佳效果,降低开关动作所引起的剩余噪声,给最大允许纹波留下约18 dB的裕量。
展频将噪声扩散到更宽频带上,从而降低开关频率及其谐波处的峰值和平均噪声。这是通过3 kHz三角波上下调制开关频率来做到的。这会在3 kHz处引入新的纹波,LDO稳压器会进行处理。
使能SSFM后,由此产生的低频纹波及其谐波在图5和图6所示的VDDA_1P8和VDDA_3P3输出频谱中显而易见。如图5所示,使能SSFM时LTM8074的噪声频谱为VDDA_1P8电源轨的最大允许纹波提供最小约8 dB的裕量。因此,满足此电源轨的噪声要求不需要后置稳压器滤波。

图5.为VDDA_1P8电源轨供电的LTM8074(SSFM开启)的输出噪声频谱,以及该电源轨允许的最大纹波。

图6.为VDDA_3P3电源轨供电的LTM8074(不同配置)的输出噪声频谱,以及该电源轨允许的最大纹波。
请注意电源轨对低频纹波的敏感性,因为此噪声可能在3.3 V供电的时钟中引起相位抖动。
图6显示了LTM8074 μModule稳压器不同配置的噪声频谱,以及3.3V VDDA_3P3电源轨的最大噪声要求。对于此电源轨,我们使用LTM8074 Silent Switcher®μModule稳压器来分析结果。仅使用LTM8074的配置(无滤波器或LDO后置稳压器)产生的噪声超过限值,无论是否使能展频模式。
两个备选配置的结果符合>6 dB裕量的噪声规格:未使能SSFM的LTM8074加上LC滤波器,以及使能SSFM的LTM8074加上LDO后置稳压器。虽然二者均以充足的裕量满足了要求,但LDO后置稳压器解决方案在此更有优势。这是因为VDDA_3P3电源轨还提供3P3V_CLK1时钟电源,因此1/f噪声的减少相对更重要——如果不予处理,这里的噪声可以转化为本振中的相位抖动。

图7.使用LTM8063和LTM8074 μModule稳压器的ADRV9009收发器优化PDN
优化解决方案
基于上述测试结果,图7显示了一种优化解决方案,当用在ADRV9009收发器板上时,它能提供>6 dB的噪声裕量。
表1显示了优化PDN与标准PDN的对比。组件大小减小29.8%,效率从66.9%提高到69.9%,整体节能0.5 W。
表1.ADRV9009优化PDN与当前PDN的比较

为了验证该优化电源解决方案在系统噪声性能方面的效果,我们执行了相位噪声测量。将图7中的优化解决方案与控制案例——ADRV9009评估板的工程版本,即使用图1所示PDN的AD9378评估板——进行比较。使用相同电路板,但采用图7所示的PDN,比较相位噪声结果。理想情况下,优化解决方案达到或超过数据手册参考曲线所示的性能。

图8.ADP5054与µModule器件的PSU之间的AD9378相位噪声性能比较,
测量条件:LO = 1900 MHz,PLL BW = 425 kHz,稳定性 = 8。
图8比较了使用标准ADP5054电源的AD9378评估板相位噪声结果与使用LTM8063和LTM8074电源的同一评估板的结果。相比于ADP5054电源解决方案,μModule电源解决方案的性能略优,高出大约2 dB。如图8和表2所示,由于外部本振使用了低相位噪声信号发生器,两种电源解决方案的测量结果均显著低于数据手册规格。
表2.相位噪声测量结果,LO = 1900 MHz

采用两种电源解决方案的收发器的SFDR测量结果如表3所示,两种方案的性能相当,除了LO = 3800 MHz,这种情况下ADP5054的开关纹波开始在载波信号输出频谱上产生调制杂散,如图9所示。
表3.ADRV9009收发器SFDR性能


图9.发射器1载波信号和电源开关频率引起的杂散频率。
测量条件:LO = 3800 MHz,Fbb = 7 MHz,–10 dBm。
结论
不同应用有不同要求,评估板的配电网络可能需要进一步改进或改变。量化信号处理IC噪声要求的能力为电源设计或只是优化现有电源解决方案提供了更有效的方式。对于ADRV9009之类的高性能RF收发器,在PDN中设置噪声注入以确定可容许多大电源噪声,有助于我们改进当前PDN的空间需求、效率和至关重要的热性能。请继续关注本电源系统优化系列的后续篇目。
作者简介
Pablo Perez, Jr.于2019年5月加入ADI公司,担任ADEF高级应用工程师。他的工作经验包括修改和评估不同应用领域(工业、电信、医疗、军事)的标准开关模式电源,以及线性稳压器、开关稳压器和电源管理IC的设计验证和样本评估。Pablo毕业于菲律宾奎松省卢塞纳市的Manuel S. Enverga University Foundation, Inc.,获得电子与通信工程学士学位。
John Martin Dela Cruz于2020年10月加入ADI公司,担任电源应用工程师。他主要负责航空航天和防务(ADEF)电源系统。他毕业于菲律宾大学(位于菲律宾奎松市迪里曼),获电子工程学士学位。
史海拾趣
|
CNET英国网站将iPhone(手机上网)评为“全球最差电话” 导读:CNET英国网站今天撰文称,虽然iPhone拥有诸多功能,但其电话功能却存在很多缺陷,甚至可以被称作全球最差的电话。 以下为文章概要: iPhone或许是最棒的手持上网设备 ...… 查看全部问答> |
|
avr通过rs485接收的串口数据错码怎么解决?高手来看下。 用串口调试软件发数据给单片机,单片机再把收到的数据发出去,用串口调试软件查看单片机发送的数据. 结果发现串口调试软件接收到的数据很多和发出去的不一样,搞不清楚是怎么回事了,懂的人指导一下。 波特率1200,无校验,数据位8,停止位1 。 ...… 查看全部问答> |
|
我学习AD的时候用的就是这个视频,AD就是Altium Designer.其实早就想传了,只是没有时间,今天五一假期最后一天,啥也不干,整理学习资料奉献给大家!~因为前几天我在论坛主页看新帖的时候都是 一样的标题,而且每个标题还都只有很小很小的附件 ...… 查看全部问答> |
|
IAR嵌入式工作平台Embedded Workbench为开发不同的目标处理器的项目提供强有力的开发环境,并为每一种目标处理器提供工具的选择。本章给出嵌入式工作平台的Embedded Workbench使用的项目模式简要讨论,并说明用户怎样用它来开发典型的应用程序。 [ ...… 查看全部问答> |
|
一:成本节约现象一:这些拉高/拉低的电阻用多大的阻值关系不大,就选个整数5K吧点评:市场上不存在5K的阻值,最接近的是4.99K(精度1%),其次是5.1K(精度5%),其成本分别比精度为20%的4.7K高4倍和2倍。20%精度的电阻阻值只有1、1.5、2.2、3.3、 ...… 查看全部问答> |
|
我之前发了个帖子:有人想做或者要28335或者28069的TI的开发板吗?https://bbs.eeworld.com.cn/thread-346517-1-2.html有很多人响应,但是问题都很多,都觉得不够详细,我这里发个简单介绍吧,也希望大家多讨论,能完善下我的想法,谢谢! 附件是 ...… 查看全部问答> |




