历史上的今天
今天是:2026年01月09日(星期五)
2023年01月09日 | 温度传感器DS18B20原理,附STM32例程代码
2023-01-09 来源:zhihuDS18B20是一款常用的高精度的单总线数字温度测量芯片。具有体积小,硬件开销低,抗干扰能力强,精度高的特点。 DS18B20原理 传感器参数 测温范围为-55℃到+125℃,在-10
DS18B20是一款常用的高精度的单总线数字温度测量芯片。具有体积小,硬件开销低,抗干扰能力强,精度高的特点。
DS18B20原理
传感器参数
测温范围为-55℃到+125℃,在-10℃到+85℃范围内误差为±0.4°
返回16位二进制温度数值
主机和从机通信使用单总线,即使用单线进行数据的发送和接收
在使用中不需要任何外围元件,独立芯片即可完成工作
掉电保护功能 DS18B20 内部含有 EEPROM ,通过配置寄存器可以设定数字转换精度和报警温度,在系统掉电以后,它仍可保存分辨率及报警温度的设定值
每个DS18B20都有独立唯一的64位-ID,此特性决定了它可以将任意多的DS18b20挂载到一根总线上,通过ROM搜索读取相应DS18B20的温度值
宽电压供电,电压2.5V~5.5V
DS18B20返回的16位二进制数代表此刻探测的温度值,其高五位代表正负。如果高五位全部为1,则代表返回的温度值为负值。如果高五位全部为0,则代表返回的温度值为正值。后面的11位数据代表温度的绝对值,将其转换为十进制数值之后,再乘以0.0625即可获得此时的温度值
传感器引脚及原理图
DS18B20传感器的引脚及封装图如下:

DS18B20一共有三个引脚,分别是:
GND:电源地线
DQ:数字信号输入/输出端
VDD:外接供电电源输入端

单个DS18B20接线方式:VDD接到电源,DQ接单片机引脚,同时外加上拉电阻,GND接地。
注意这个上拉电阻是必须的,就是DQ引脚必须要一个上拉电阻。
DS18B20上拉电阻
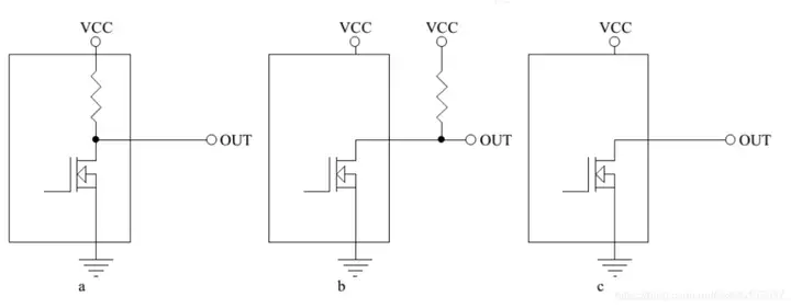
首先来看一下什么是场效应管(MOSFET),如下图。

场效应管是电压控制型元器件,只要对栅极施加一定电压,DS就会导通。
漏极开路:MOS管的栅极G和输入连接,源极S接公共端,漏极D悬空(开路)什么也没有接,直接输出 ,这时只能输出低电平和高阻态,不能输出高电平。
那么这个时候会出现三种情况:
下图a为正常输出(内有上拉电阻):场效应管导通时,输出低电位输出低电位,截止时输出高电位
下图b为漏极开路输出,外接上拉电阻:场效应管导通时,驱动电流是从外部的VCC流经电阻通过MOSFET到GND,输出低电位,截止时输出高电位
下图c为漏极开路输出,无外接上拉电阻:场效应管导通时输出低电位,截止呈高阻态(断开)

总结一下:
开漏输出只能输出低电平,不能输出高电平。漏极开路输出高电平时必须在输出端与正电源(VCC)间外接一个上拉电阻。否则只能输出高阻态。
DS18B20 是单线通信,即接收和发送都是这个通信脚进行的。其接收数据时为高电阻输入,其发送数据时是开漏输出,本身不具有输出高电平的能力,即输出0时通过MOS下拉为低电平,而输出1时,则为高阻,需要外接上拉电阻将其拉为高电平。因此,需要外接上拉电阻,否则无法输出1。
外接上拉电阻阻值:
DS18B20的工作电流约为1mA,VCC一般为5V,则电阻R=5V/1mA=5KΩ,所以正常选择4.7K电阻,或者相近的电阻值。
DS18B20寄生电源
DS18B20的另一个特点是不需要再外部供电下即可工作。当总线高电平时能量由单线上拉电阻经过DQ引脚获得。高电平同时充电一个内部电容,当总线低电平时由此电容供应能量。这种供电方法被称为“寄生电源”。另外一种选择是DSl8B20由接在VDD的外部电源供电。

DS18B20内部构成
主要由以下3部分组成:
64 位ROM
高速暂存器
存储器
64位ROM存储独有的序列号,ROM中的64位序列号是出厂前被光刻好的,它可以看作是该DS18B20的地址序列码,每个DS18B20的64位序列号均不相同。这样就可以实现一根总线上挂接多个DS18B20的目的。
高速暂存器包含:
温度传感器
一个字节的温度上限和温度下限报警触发器(TH和TL)
配置寄存器允许用户设定9位,10位,11位和12位的温度分辨率,分别对应着温度的分辨率为:0.5°C,0.25°C,0.125°C,0.0625°C,默认为12位分辨率
存储器:由一个高速的RAM和一个可擦除的EEPROM组成,EEPROM存储高温和低温触发器(TH和TL)以及配置寄存器的值,(就是存储低温和高温报警值以及温度分辨率)

DS18B20温度读取与计算
DS18B20采用16位补码的形式来存储温度数据,温度是摄氏度。当温度转换命令发布后,经转换所得的温度值以二字节补码形式存放在高速暂存存储器的第0和第1个字节。
高字节的五个S为符号位,温度为正值时S=1,温度为负值时S=0。
剩下的11位为温度数据位,对于12位分辨率,所有位全部有效,对于11位分辨率,位0(bit0)无定义,对于10位分辨率,位0和位1无定义,对于9位分辨率,位0,位1,和位2无定义。

对应的温度计算:
当五个符号位S=0时,温度为正值,直接将后面的11位二进制转换为十进制,再乘以0.0625(12位分辨率),就可以得到温度值。
当五个符号位S=1时,温度为负值,先将后面的11位二进制补码变为原码(符号位不变,数值位取反后加1),再计算十进制值。再乘以0.0625(12位分辨率),就可以得到温度值。
举两个例子:
数字输出07D0(00000111 11010000),转换成10进制是2000,对应摄氏度:0.0625x2000=125°C
数字输出为 FC90,首先取反,然后+1,转换成原码为:11111011 01101111,数值位转换成10进制是870,对应摄氏度:-0.0625x870=-55°C
温度对应表如下:

上述例子,用C语言来实现的代码,如下:
unsigned int Temp1,Temp2,Temperature; //Temp1低八位,Temp2高八位
unsigned char Minus Flag=0; //负温度标志位
if(Temp2&0xFC)//判断符号位是否为1
{
Minus Flag=l; //负温度标志位置1
Temperature=((Temp2<<8)|Temp1); //高八位第八位进行整合
Temperature=((Temperature)+1); //讲补码转换为原码,求反,补1
Temperature*=0.0625;//求出十进制
}
else //温度为正值
{
Minus Flag=0; //负温度标志位置0
Temperature =((Temp2<<8) |Temp1)*0.0625;
}
DS18B20工作步骤
DS18B20的工作步骤可以分为三步:
初始化DS18B20
执行ROM指令
执行DS18B20功能指令
其中第二步执行ROM指令,也就是访问每个DS18B20,搜索64位序列号,读取匹配的序列号值,然后匹配对应的DS18B20,如果我们仅仅使用单个DS18B20,可以直接跳过ROM指令。而跳过ROM指令的字节是0xCC。
初始化DS18B20
任何器件想要使用,首先就是需要初始化,对于DS18B20单总线设备,首先初始化单总线为高电平,然后总线开始也需要检测这条总线上是否存在DS18B20这个器件。如果这条总线上存在DS18B20,总线会根据时序要求返回一个低电平脉冲,如果不存在的话,也就不会返回脉冲,即总线保持为高电平。
初始化具体时序步骤如下:
单片机拉低总线至少480us,产生复位脉冲,然后释放总线(拉高电平)
这时DS8B20检测到请求之后,会拉低信号,大约60~240us表示应答
DS8B20拉低电平的60~240us之间,单片机读取总线的电平,如果是低电平,那么表示初始化成功
DS18B20拉低电平60~240us之后,会释放总线

DS18B20的初始化代码如下:
/*****初始化DS18B20*****/
unsigned int Init_DS18B20(void)
{
unsigned int x=0;
DQ = 1; //DQ复位
delay(4); //稍做延时
DQ = 0; //单片机将DQ拉低
delay(60); //精确延时,大于480us
DQ = 1; //拉高总线
delay(8);
x = DQ; //稍做延时后,如果x=0则初始化成功,x=1则初始化失败
delay(4);
return x;
}
写时序
总线控制器通过控制单总线高低电平持续时间从而把逻辑1或0写DS18B20中。每次只传输1位数据。
单片机想要给DS18B20写入一个0时,需要将单片机引脚拉低,保持低电平时间要在60~120us之间,然后释放总线。
单片机想要给DS18B20写入一个1时,需要将单片机引脚拉低,拉低时间需要大于1us,然后在15us内拉高总线。
在写时序起始后15μs到60μs期间,DS18B20处于采样单总线电平状态。如果在此期间总线为高电平,则向DS18B20写入1;如果总线为低电平,则向DSl8B20写入0。
注意:2次写周期之间至少间隔1us。

DS18B20写时序的代码如下:
/*****写一个字节*****/
void WriteOneChar(unsigned char dat)
{
unsigned char i=0;
for (i=8; i>0; i--)
{
DQ = 0;
DQ = dat&0x01; //与1按位与运算,dat最低位为1时DQ总线为1,dat最低位为0时DQ总线为0
delay(4);
DQ = 1;
dat>>=1;
}
delay(4);
}
采用多个DS18B20时,需要写ROM指令来控制总线上的某个DS18B20。如果是单个DS18B20,直接写跳过ROM指令0xCC即可。DS18B20写入ROM功能指令如下表:

DS18B20的一些RAM功能指令如下表。其中常用的是温度转换指令,开启温度读取转换,读取好的温度会存储在高速暂存器的第0个和第一个字节中。另一个常用的是读取温度指令,读取高速暂存器存储的数据。

读时序
读时隙由主机拉低总线电平至少1μs然后再释放总线,读取DS18B20发送过来的1或者0。
DS18B20在检测到总线被拉低1微秒后,便开始送出数据,若是要送出0就把总线拉为低电平直到读周期结束。若要送出1则释放总线为高电平。

注意:所有读时隙必须至少需要60us,且在两次独立的时隙之间至少需要1ps的恢复时间。
同时注意:主机只有在发送读暂存器命令(0xBE)或读电源类型命令(0xB4)后,立即生成读时隙指令,DS18B20才能向主机传送数据。也就是先发读取指令,再发送读时隙。
最后一点:写时序注意是先写命令的低字节,比如写入跳过ROM指令0xCC(11001100),写的顺序是“零、零、壹、壹、零、零、壹、壹”。
读时序时是先读低字节,在读高字节,也就是先读取高速暂存器的第0个字节(温度的低8位),在读取高速暂存器的第1个字节(温度的高8位) 我们正常使用DS18B20读取温度读取两个温度字节即可。
STM32例程
DS18B20.c代码:
#include "ds18b20.h"
#include "delay.h"
//复位DS18B20
void DS18B20_Rst(void)
{
DS18B20_IO_OUT(); //SET PG11 OUTPUT
DS18B20_DQ_OUT=0; //拉低DQ
delay_us(750); //拉低750us
DS18B20_DQ_OUT=1; //DQ=1
delay_us(15); //15US
}
//等待DS18B20的回应
//返回1:未检测到DS18B20的存在
//返回0:存在
u8 DS18B20_Check(void)
{
u8 retry=0;
DS18B20_IO_IN(); //SET PG11 INPUT
while (DS18B20_DQ_IN&&retry<200)
{
retry++;
delay_us(1);
};
if(retry>=200)return 1;
else retry=0;
while (!DS18B20_DQ_IN&&retry<240)
{
retry++;
delay_us(1);
};
if(retry>=240)return 1;
return 0;
}
//从DS18B20读取一个位
//返回值:1/0
u8 DS18B20_Read_Bit(void)
{
u8 data;
DS18B20_IO_OUT(); //SET PG11 OUTPUT
DS18B20_DQ_OUT=0;
delay_us(2);
DS18B20_DQ_OUT=1;
DS18B20_IO_IN(); //SET PG11 INPUT
delay_us(12);
if(DS18B20_DQ_IN)data=1;
else data=0;
delay_us(50);
return data;
}
//从DS18B20读取一个字节
//返回值:读到的数据
u8 DS18B20_Read_Byte(void)
{
u8 i,j,dat;
dat=0;
for (i=1;i<=8;i++)
{
j=DS18B20_Read_Bit();
dat=(j<<7)|(dat>>1);
}
return dat;
}
//写一个字节到DS18B20
//dat:要写入的字节
void DS18B20_Write_Byte(u8 dat)
{
u8 j;
u8 testb;
DS18B20_IO_OUT(); //SET PG11 OUTPUT;
for (j=1;j<=8;j++)
{
testb=dat&0x01;
dat=dat>>1;
if (testb)
{
DS18B20_DQ_OUT=0; // Write 1
delay_us(2);
DS18B20_DQ_OUT=1;
delay_us(60);
}
else
{
DS18B20_DQ_OUT=0; // Write 0
delay_us(60);
DS18B20_DQ_OUT=1;
delay_us(2);
}
}
}
//开始温度转换
void DS18B20_Start(void)
{
DS18B20_Rst();
DS18B20_Check();
DS18B20_Write_Byte(0xcc); // skip rom
DS18B20_Write_Byte(0x44); // convert
}
//初始化DS18B20的IO口 DQ 同时检测DS的存在
//返回1:不存在
//返回0:存在
u8 DS18B20_Init(void)
{
GPIO_InitTypeDef GPIO_InitStructure;
RCC_APB2PeriphClockCmd(RCC_APB2Periph_GPIOG, ENABLE); //使能PORTG口时钟
GPIO_InitStructure.GPIO_Pin = GPIO_Pin_11; //PORTG.11 推挽输出
GPIO_InitStructure.GPIO_Mode = GPIO_Mode_Out_PP;
GPIO_InitStructure.GPIO_Speed = GPIO_Speed_50MHz;
GPIO_Init(GPIOG, &GPIO_InitStructure);
GPIO_SetBits(GPIOG,GPIO_Pin_11); //输出1
DS18B20_Rst();
return DS18B20_Check();
}
//从ds18b20得到温度值
//精度:0.1C
//返回值:温度值 (-550~1250)
short DS18B20_Get_Temp(void)
{
u8 temp;
u8 TL,TH;
short tem;
DS18B20_Start (); // ds1820 start convert
DS18B20_Rst();
DS18B20_Check();
DS18B20_Write_Byte(0xcc); // skip rom
DS18B20_Write_Byte(0xbe); // convert
TL=DS18B20_Read_Byte(); // LSB
TH=DS18B20_Read_Byte(); // MSB
if(TH>7)
{
TH=~TH;
TL=~TL;
temp=0; //温度为负
}else temp=1; //温度为正
tem=TH; //获得高八位
tem<<=8;
tem+=TL; //获得底八位
tem=(float)tem*0.625; //转换
if(temp)return tem; //返回温度值
else return -tem;
}
DS18B20.h代码:
#ifndef __DS18B20_H
#define __DS18B20_H
#include "sys.h"
//IO方向设置
#define DS18B20_IO_IN() {GPIOG->CRH&=0XFFFF0FFF;GPIOG->CRH|=8<<12;}
#define DS18B20_IO_OUT() {GPIOG->CRH&=0XFFFF0FFF;GPIOG->CRH|=3<<12;}
//IO操作函数
#define DS18B20_DQ_OUT PGout(11) //数据端口 PA0
#define DS18B20_DQ_IN PGin(11) //数据端口 PA0
u8 DS18B20_Init(void);//初始化DS18B20
short DS18B20_Get_Temp(void);//获取温度
void DS18B20_Start(void);//开始温度转换
void DS18B20_Write_Byte(u8 dat);//写入一个字节
u8 DS18B20_Read_Byte(void);//读出一个字节
u8 DS18B20_Read_Bit(void);//读出一个位
u8 DS18B20_Check(void);//检测是否存在DS18B20
void DS18B20_Rst(void);//复位DS18B20
#endif
上一篇:STM32串口通信基本原理
下一篇:STM32的启动模式配置与应用
史海拾趣
|
PIC24系列参考手册部分章节中文翻译 Section 7. Reset http://ww1.microchip.com/downloads/en/DeviceDoc/39712a_cn.pdf Section 8. Interrupts http://ww1.microchip.com/downloads/en/DeviceDoc/39707a_cn.pdf Section 12. I/O Ports http: ...… 查看全部问答> |
|
AN 559: High Definition (HD) Video Reference Design (V1) Introduction The Altera® V-Series of reference designs deliver high-quality up, down, and cross conversion of standard definition (SD), high definition (HD) and 3 gigabits per second (Gbps) video streams in interlaced or pro ...… 查看全部问答> |




