电路图
搜索
X
首页
最能打的中国芯评选
技术
模拟电子
单片机
半导体
电源管理
嵌入式
传感器
应用
汽车电子
工业控制
家用电子
手机便携
安防电子
医疗电子
网络通信
测试测量
物联网
大学堂
首页
直播
专题
TI 培训
论坛
TI 技术论坛
ST MEMS 传感器技术
单片机
电机驱动控制
模拟电子
电源技术
PCB 设计
RF/无线
电子竞赛
DIY/开源硬件专区
颁奖专区
活动中心
直播
发现活动
颁奖区
电子头条
参考设计
下载中心
分类资源
文集
排行榜
Datasheet
语言
中文
EN
X
搜索
首页
555电路专辑
光电技术实用电路
遥控电路
检测电路
控制电路
信号链
基本电路
模拟电路
电子维修
电源电路
微机单片机
消费电子
音频视频电路
通信电路
其他
行业应用
在线工具
首页
>
检测电路
>
测试测量电路
>
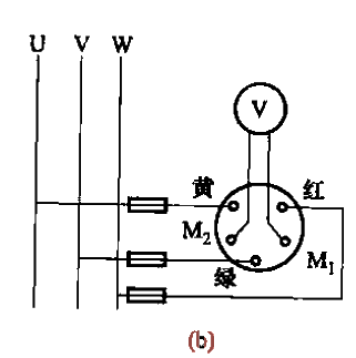
电压表经电压互感器或换相开关接入电路b
电压表经电压互感器或换相开关接入电路b
开关
电压互感器
电压表
2021/03/27
提问/讨论
关闭
这里还没有内容,您有什么问题吗?
我要提问/讨论
可能感兴趣的电路图
互补电压开关型D类功放电路
搭页光电检测电路
纸张张力控制电路
锁存门电路
分相启动式单相感应电动机的地理结构
单脉冲信号产生电路e
单脉冲信号产生电路d
开关振荡电路
DDR内存供电电路
简易的充磁器电路之二
在线工具
全部>
科学计算器
元器件在线计算
RF/射频计算器
经典电路计算器
电阻计算器
电感计算器
其他计算器
可能感兴趣的器件
48L640-I/SN
EDZVFHT2R22B
MB-2C5-037-252-0000
UPJ1V101MPD1TD
TMM-113-01-SM-D-RA-006
GXO-U101HFREQ2
CMF20470R00GKBF88
251-12.000393M-SR-P
C1210Q751K2GAC7210
DW2D405K
推荐帖子
深圳市巴科光电科技有限公司急聘业务、技术等!!!
向soso姐等人道歉
STC单片机PWM波频率计算
【51征文】活动结果公布啦!
STM32串口通信收发不一致,急!
开源数控电源——的设计心得(第一版)
【颁奖礼】LM3S9B96开发套件双节献礼~~
学习 msp430
关于按键扫描的问题
还是VMProcessPageFault Error的问题
【团购总结】团购华天正Real6410开发板总结
51单片机在定时器中断中进入空闲模式就没法换醒了么?
基于msp430g2553定时器详解3
【项目外包】单片机通过压力传感器获取压力变化数据
因为刚用iar for stm8 碰到菜鸟问题,求大神,弄了好久了,网上也查不到资料,没办法
flash
求往届真题
msp430g2553定时器
MSP430+DS1302,在1602上显示
求cortex-m3的ucos ii消息队列、邮箱之类的使用例程-移植代码
应用程序如何调用shell命令啊??
小哥我遇到的打死也想不到的问题
高频电路板(rogers参数)
【Labview】推荐学习Labview的书
C/C++的64位整数[原]by 赤兔
CCS库函数
写评论
评论
收藏
×
已收藏到:
个人中心—电路图—收藏
分享
提问/讨论