首页 > 器件类别 > 嵌入式处理器和控制器 > 微控制器和处理器
 PDF数据手册

ML60851ETB

描述:
USB Bus Controller, CMOS, PQFP44, 10 X 10 MM, 0.80 MM PITCH, PLASTIC, TQFP-44
分类:
文件大小:
388KB,共85页
制造商:
概述
USB Bus Controller, CMOS, PQFP44, 10 X 10 MM, 0.80 MM PITCH, PLASTIC, TQFP-44
器件参数
参数名称
属性值
厂商名称
LAPIS Semiconductor Co Ltd
零件包装代码
QFP
包装说明
TQFP, TQFP44,.47SQ,32
针数
44
Reach Compliance Code
unknow
ECCN代码
3A001.A.3
其他特性
ALSO OPERATES BETWEEN 4.5 TO 5.5 V
地址总线宽度
8
最大时钟频率
48 MHz
最大数据传输速率
12 MBps
外部数据总线宽度
16
JESD-30 代码
S-PQFP-G44
长度
10 mm
端子数量
44
最高工作温度
70 °C
最低工作温度
封装主体材料
PLASTIC/EPOXY
封装代码
TQFP
封装等效代码
TQFP44,.47SQ,32
封装形状
SQUARE
封装形式
FLATPACK, THIN PROFILE
电源
3.3,3.3/5 V
认证状态
Not Qualified
座面最大高度
1.2 mm
最大供电电压
3.6 V
最小供电电压
3 V
标称供电电压
3.3 V
表面贴装
YES
技术
CMOS
温度等级
COMMERCIAL
端子形式
GULL WING
端子节距
0.8 mm
端子位置
QUAD
宽度
10 mm
uPs/uCs/外围集成电路类型
BUS CONTROLLER, UNIVERSAL SERIAL BUS
文档预览
Dear customers,
About the change in the name such as "Oki Electric Industry Co. Ltd." and
"OKI" in documents to OKI Semiconductor Co., Ltd.
The semiconductor business of Oki Electric Industry Co., Ltd. was succeeded to OKI
Semiconductor Co., Ltd. on October 1, 2008.
Therefore, please accept that although
the terms and marks of "Oki Electric Industry Co., Ltd.", “Oki Electric”, and "OKI"
remain in the documents, they all have been changed to "OKI Semiconductor Co., Ltd.".
It is a change of the company name, the company trademark, and the logo, etc. , and
NOT a content change in documents.
October 1, 2008
OKI Semiconductor Co., Ltd.
550-1 Higashiasakawa-cho, Hachioji-shi, Tokyo 193-8550, Japan
http://www.okisemi.com/en/
OKI Semiconductor
ML60851E
USB Device Controller
FEDL60851E-02
Issue Date: Dec. 16, 2002
GENERAL DESCRIPTION
The ML60851E is a general purpose Universal Serial Bus (USB) device controller. The ML60851E provides a
USB interface, control/status block, application interface, and FIFOs. The FIFO interface and two types of
transfer have been optimized for BulkOut devices such as printers and BulkIn devices such as digital still cameras
and image scanners. In addition, Mass Storage devices are also applicable to this device.
FEATURES
USB 2.0 compliant
Built-in USB transceiver circuit
Full-speed (12 Mb/sec) support
Supports printer device class, image device class, and Mass Storage device class
Supports three types of transfer; control transfer, bulk transfer, and interrupt transfer
Built-in FIFOs for control transfer
Two 8-byte FIFOs (one for receive FIFO and the other for transmit FIFO)
Built-in FIFOs for bulk transfer (available for either receive FIFO or transmit FIFO)
One 64-byte FIFO
Two 64-byte FIFOs
Built-in FIFO for interrupt transfer
One 8-byte FIFO
Supports one control endpoint, two bulk endpoint addresses, and one interrupt endpoint address
Two 64-byte FIFOs enable fast BulkOut transfer and BulkIn transfer
Supports 8 bit/16 bit DMA transfer
Supports protocol stall
V
CC
is 3.0 to 3.6 V
Supporting dual power supply enables 5 V application interface
Built-in 48 MHz oscillator circuit
Package options:
44-pin plastic QFP (QFP44-P-910-0.80-2K)(ML60851EGA)
44-pin plastic TQFP (TQFP44-P-1010-0.80-K)(ML60851ETB)
1/84
OKI Semiconductor
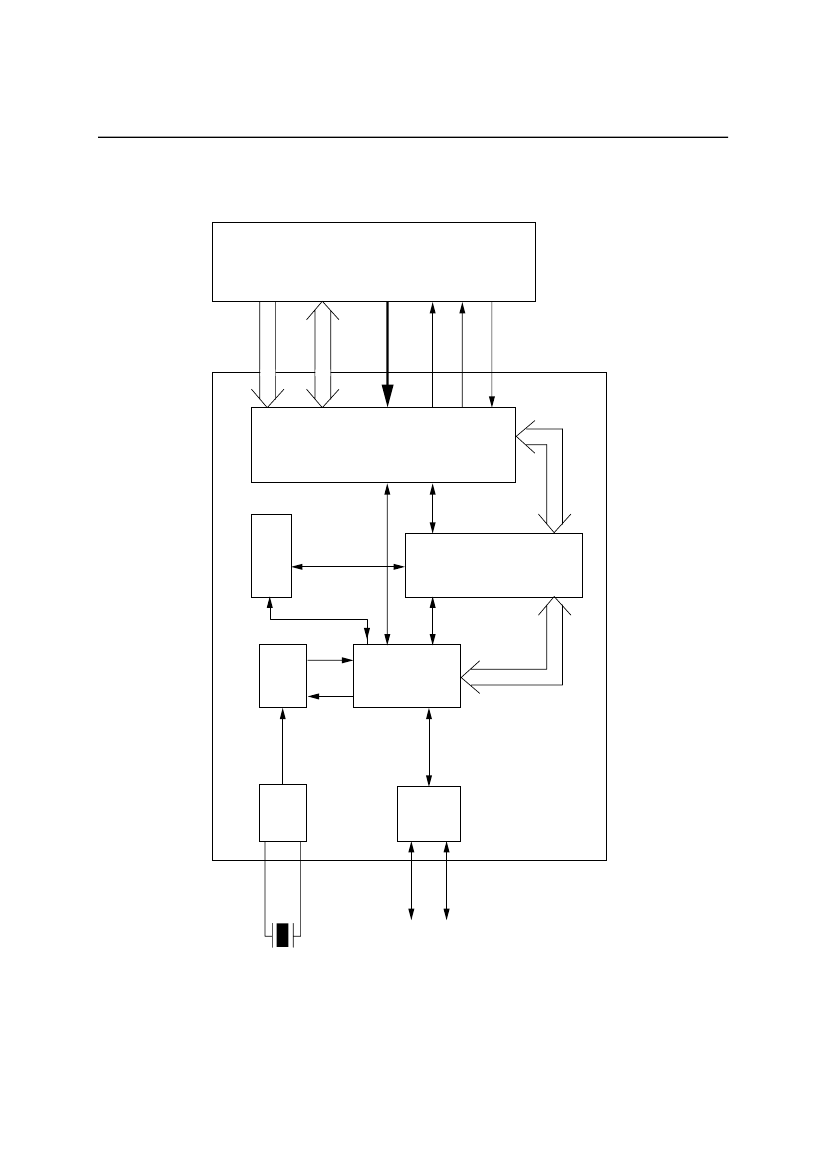
BLOCK DIAGRAM
ML60851E
XIN
Status/Control
DPLL
D15:D0
Application
Interface
CS, WR, RD
RESET
Protocol
Engine
A7:A0
48 MHz
XOUT
Oscillator
Application
Module
(Local MCU)
D+
USB Bus
D–
USB
Transceiver
INTR
DREQ
DACK
Endpoint FIFO/
8-byte Setup Register
FEDL60851E-01
ML60851E
2/84
FEDL60851E-01
OKI Semiconductor
ML60851E
PIN CONFIGURATION (TOP VIEW)
GND
DREQ
34
33
32
31
30
29
28
27
26
25
24
23
12
13
14
15
16
17
19
18
20
21
22
AD0
AD1
AD2
AD3
AD4
AD5
37
AD6
36
44
43
42
41
40
39
38
D+
D–
V
CC3
TEST1
TEST2
XIN
XOUT
CS
RD
WR
RESET
1
2
3
4
5
6
7
8
9
10
11
35
AD7
V
CC5
DACK
A0
A1
A2
A3
A4
A5
A6
A7
ADSEL
ALE
INTR
GND
D15
D14
D13
D12
D11
V
CC5
D10
AD6
36
D9
35
AD7
44-Pin Plastic QFP
DREQ
34
33
32
31
30
29
28
27
26
25
24
23
12
13
14
15
16
17
19
18
20
21
22
AD0
AD1
AD2
AD3
AD4
44
43
42
41
40
39
V
SS
D+
D–
V
CC3
TEST1
TEST2
XIN
XOUT
CS
RD
WR
RESET
1
2
3
4
5
6
7
8
9
10
11
38
37
AD5
V
CC5
D8
DACK
A0
A1
A2
A3
A4
A5
A6
A7
ADSEL
ALE
INTR
V
SS
D15
D14
D13
D12
D11
V
CC5
D10
D9
44-Pin Plastic TQFP
D8
3/84
FEDL60851E-01
OKI Semiconductor
ML60851E
PIN DESCRIPTION
Pin
1, 2
6, 7
4, 5
13 to 16,
19 to 22
35 to 38,
41 to 44
25 to 32
8
9
10
12
34
33
23
24
11
Symbol
D+, D–
XIN, XOUT
TEST1, 2
D15 to D8
AD7 to AD0
A7 to A0
CS
RD
WR
INTR
DREQ
DACK
ALE
ADSEL
RESET
Type
I/O
I
I/O
I/O
I
I
I
I
O
O
I
I
I
I
USB data
Pins for external crystal oscillator
Test pins (normally “L”)
Data bus (MSB)
Data bus (LSB)/address inputs
Address inputs
Chip select signal input pin. LOW active
Read signal input pin. LOW active
Write signal input pin. LOW active
Interrupt request signal output pin
DMA request output pin
DMA acknowledge signal input pin
Address latch enable signal input pin
Address input mode select input pin. “H”: address/data multiplex
System reset signal input pin. LOW active.
Description
4/84
参数对比
与ML60851ETB相近的元器件有:ML60851EGA。描述及对比如下:
型号 ML60851ETB ML60851EGA
描述 USB Bus Controller, CMOS, PQFP44, 10 X 10 MM, 0.80 MM PITCH, PLASTIC, TQFP-44 USB Bus Controller, CMOS, PQFP44, 0.80 MM PITCH, PLASTIC, QFP-44
零件包装代码 QFP QFP
包装说明 TQFP, TQFP44,.47SQ,32 QFP, QFP44,.53X.57,32
针数 44 44
Reach Compliance Code unknow unknown
ECCN代码 3A001.A.3 3A001.A.3
其他特性 ALSO OPERATES BETWEEN 4.5 TO 5.5 V ALSO OPERATES BETWEEN 4.5 TO 5.5 V
地址总线宽度 8 8
最大时钟频率 48 MHz 48 MHz
最大数据传输速率 12 MBps 12 MBps
外部数据总线宽度 16 16
JESD-30 代码 S-PQFP-G44 R-PQFP-G44
长度 10 mm 10.5 mm
端子数量 44 44
最高工作温度 70 °C 70 °C
封装主体材料 PLASTIC/EPOXY PLASTIC/EPOXY
封装代码 TQFP QFP
封装等效代码 TQFP44,.47SQ,32 QFP44,.53X.57,32
封装形状 SQUARE RECTANGULAR
封装形式 FLATPACK, THIN PROFILE FLATPACK
电源 3.3,3.3/5 V 3.3,3.3/5 V
认证状态 Not Qualified Not Qualified
座面最大高度 1.2 mm 2.25 mm
最大供电电压 3.6 V 3.6 V
最小供电电压 3 V 3 V
标称供电电压 3.3 V 3.3 V
表面贴装 YES YES
技术 CMOS CMOS
温度等级 COMMERCIAL COMMERCIAL
端子形式 GULL WING GULL WING
端子节距 0.8 mm 0.8 mm
端子位置 QUAD QUAD
宽度 10 mm 9.5 mm
uPs/uCs/外围集成电路类型 BUS CONTROLLER, UNIVERSAL SERIAL BUS BUS CONTROLLER, UNIVERSAL SERIAL BUS
热门器件
热门资源推荐
器件捷径:
L0 L1 L2 L3 L4 L5 L6 L7 L8 L9 LA LB LC LD LE LF LG LH LI LJ LK LL LM LN LO LP LQ LR LS LT LU LV LW LX LY LZ M0 M1 M2 M3 M4 M5 M6 M7 M8 M9 MA MB MC MD ME MF MG MH MI MJ MK ML MM MN MO MP MQ MR MS MT MU MV MW MX MY MZ N0 N1 N2 N3 N4 N5 N6 N7 N8 NA NB NC ND NE NF NG NH NI NJ NK NL NM NN NO NP NQ NR NS NT NU NV NX NZ O0 O1 O2 O3 OA OB OC OD OE OF OG OH OI OJ OK OL OM ON OP OQ OR OS OT OV OX OY OZ P0 P1 P2 P3 P4 P5 P6 P7 P8 P9 PA PB PC PD PE PF PG PH PI PJ PK PL PM PN PO PP PQ PR PS PT PU PV PW PX PY PZ Q1 Q2 Q3 Q4 Q5 Q6 Q8 Q9 QA QB QC QE QF QG QH QK QL QM QP QR QS QT QV QW QX QY R0 R1 R2 R3 R4 R5 R6 R7 R8 R9 RA RB RC RD RE RF RG RH RI RJ RK RL RM RN RO RP RQ RR RS RT RU RV RW RX RY RZ
索引文件:
1953  1127  1355  1855  853  40  23  28  38  18 
需要登录后才可以下载。
登录取消
下载 PDF 文件