首页 > 器件类别 > 无线/射频/通信 > 电信电路
 PDF数据手册

MSM7507-03GS-K

描述:
PCM Codec, A-Law, 1-Func, CMOS, PDSO24, 0.430 INCH, 1.27 MM PITCH, PLASTIC, SOP-24
分类:
文件大小:
139KB,共18页
制造商:
概述
PCM Codec, A-Law, 1-Func, CMOS, PDSO24, 0.430 INCH, 1.27 MM PITCH, PLASTIC, SOP-24
器件参数
参数名称
属性值
是否Rohs认证
不符合
厂商名称
LAPIS Semiconductor Co Ltd
零件包装代码
SOIC
包装说明
SOP, SOP24,.45
针数
24
Reach Compliance Code
unknown
压伸定律
A-LAW
滤波器
YES
JESD-30 代码
R-PDSO-G24
JESD-609代码
e0
长度
15.95 mm
线性编码
NOT AVAILABLE
功能数量
1
端子数量
24
工作模式
SYNCHRONOUS
最高工作温度
85 °C
最低工作温度
-30 °C
封装主体材料
PLASTIC/EPOXY
封装代码
SOP
封装等效代码
SOP24,.45
封装形状
RECTANGULAR
封装形式
SMALL OUTLINE
峰值回流温度(摄氏度)
NOT SPECIFIED
电源
5 V
认证状态
Not Qualified
座面最大高度
2.5 mm
最大压摆率
0.01 mA
标称供电电压
5 V
表面贴装
YES
技术
CMOS
电信集成电路类型
PCM CODEC
温度等级
OTHER
端子面层
Tin/Lead (Sn/Pb)
端子形式
GULL WING
端子节距
1.27 mm
端子位置
DUAL
处于峰值回流温度下的最长时间
NOT SPECIFIED
宽度
7.9 mm
文档预览
E2U0019-28-81
¡ Semiconductor
MSM7507-01/02/03
¡ Semiconductor
Single Rail CODEC
This version: Aug. 1998
MSM7507-01/02/03
Previous version: Nov. 1996
GENERAL DESCRIPTION
The MSM7507 is a single-channel CODEC CMOS IC for voice signals ranging from 300 to 3400
Hz with filters for A/D and D/A conversion.
Designed especially for a single-power supply and low-power applications, the device is
optimized for ISDN terminals, digital wireless systems, and digital PBX systems.
The device uses the same transmission clocks as those used in the MSM7508B and MSM7509B.
The analog output signal, which is of a differential type and can drive a 600
W
load, can directly
drive a handset receiver.
FEATURES
• Single power supply: +5 V
±5%
• Low power consumption
Operating mode:
20 mW Typ. 40 mW Max. V
DD
= 5 V
Power down mode:
0.03 mW Typ. 0.3 mW Max. V
DD
= 5 V
• ITU-T Companding law
MSM7507-01:
m/A-law
pin selectable
MSM7507-02:
m-law
MSM7507-03: A-law
• Transmission characteristics conforms to ITU-T G.714
• Built-in PLL eliminates a master clock
• Serial data rate: 64/128/256/512/1024/2048 kHz
96/192/384/768/1536/1544/200 kHz
• Adjustable transmit gain
• Adjustable receive gain
• Built-in reference voltage supply
• Analog output can directly drive a 600
W
line transformer
• The 24-Pin SOP package products provide pin compatibility with the MSM7543/7544
• The 20-Pin SSOP package products have 1/3 the foot print of conventional products
• Package options:
24-pin plastic SOP (SOP24-P-430-1.27-K) (Product name : MSM7507-01GS-K)
(Product name : MSM7507-02GS-K)
(Product name : MSM7507-03GS-K)
20-pin plastic SSOP (SSOP20-P-250-0.95-K) (Product name : MSM7507-01MS-K)
(Product name : MSM7507-02MS-K)
(Product name : MSM7507-03MS-K)
1/18
¡ Semiconductor
MSM7507-01/02/03
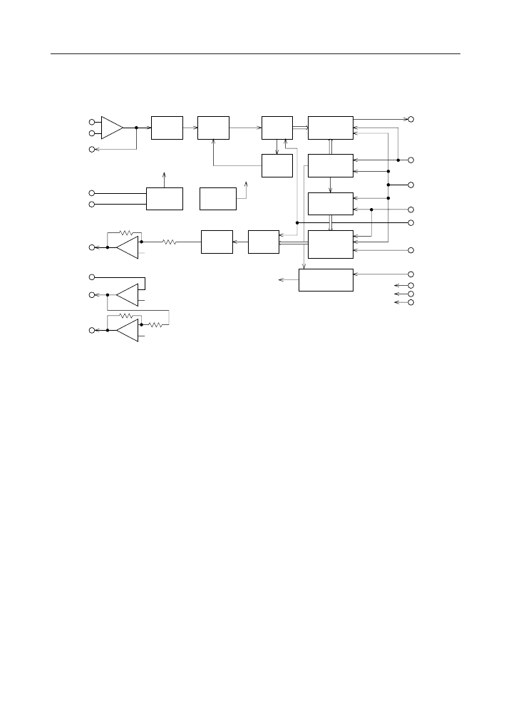
BLOCK DIAGRAM
AIN–
AIN+
GSX
+
RC
LPF
8th
BPF
AD
CONV.
AUTO
ZERO
PCMOUT
TCONT
PLL
XSYNC
BCLK
SGC
SG
SG
GEN
VR
GEN
RTIM
RSYNC
(ALAW)
PCMIN
PDN
V
DD
AG
DG
VFRO
PWI
AOUT–
+
SG
5th
LPF
DA
CONV.
RCONT
PWD
Logic
PWD
+
+
SG
AOUT+
SG
2/18
¡ Semiconductor
MSM7507-01/02/03
PIN CONFIGURATION (TOP VIEW)
SG 1
AOUT+ 2
AOUT– 3
NC 4
PWI 5
VFRO 6
NC 7
V
DD
8
DG 9
PDN 10
RSYNC 11
PCMIN 12
24 SGC
23 AIN+
22 AIN–
21 GSX
20 NC
19 NC
18 (ALAW)*
17 NC
16 AG
15 BCLK
14 XSYNC
13 PCMOUT
SG 1
AOUT+ 2
AOUT– 3
PWI 4
VFRO 5
V
DD
6
DG 7
PDN 8
RSYNC 9
PCMIN 10
20 SGC
19 AIN+
18 AIN–
17 GSX
16 NC
15 (ALAW)*
14 AG
13 BCLK
12 XSYNC
11 PCMOUT
NC : No connect pin
20-Pin Plastic SSOP
NC : No connect pin
24-Pin Plastic SOP
* The ALAW pin is only applied to the MSM7507-01GS-K/MSM7507-01MS-K.
3/18
¡ Semiconductor
MSM7507-01/02/03
PIN AND FUNCTIONAL DESCRIPTIONS
AIN+, AIN–, GSX
Transmit analog input and transmit level adjustment.
AIN+ is a non-inverting input to the op-amp; AIN– is an inverting input to the op-amp; GSX is
connected to the output of the op-amp and is used to adjust the level, as shown below.
When not using AIN– and AIN+, connect AIN– to GSX and AIN+ to SG. During power saving
and power down modes, the GSX output is at AG voltage.
1) Inverting input type
C1
Analog input
R1
GSX
AIN–
AIN+
SG
R1 : variable
R2 > 20 kW
C1 > 1/(2
¥
3.14
¥
30
¥
R1)
Gain = R2/R1
£
10
R2
+
2) Non inverting input type
C2
Analog input
R5
R4
R3
AIN+
AIN–
GSX
SG
+
R3 > 20 kW
R4 > 20 kW
R5 > 50 kW
C2 > 1/ (2
¥
3.14
¥
30
¥
R5)
Gain = 1 + R4 / R3
£
10
AG
Analog signal ground.
VFRO
Receive filter output.
The output signal has an amplitude of 2.4 V
PP
above and below the signal ground voltage (SG)
when the digital signal of +3 dBmO is input to PCMIN and can drive a load of 20 kW or more.
For driving a load of 20 kW or less, connect a resistor of 20 kW or more between the pins VFRO
and PWI.
When adding the frequency characteristics to the receive signal, refer to the application example.
During power saving or power down mode, the output of VFRO is at the voltage level of SG.
4/18
¡ Semiconductor
PWI, AOUT+, AOUT–
MSM7507-01/02/03
PWI is connected to the inverting input of the receive driver. The receive driver output is
connected to the AOUT– pin. Therefore, the receive level can be adjusted with the pins VFRO,
PWI, and AOUT–. When the PWI pin is not used, connect the PWI pin to the AOUT– pin, and
leave open the pins AOUT– and AOUT+. The output of AOUT+ is inverted with respect to the
output of AOUT–. Since the signal from which provides differential drive of an impedance of 1.2
kW, these outputs can directly be connected to a receiver of handset using a piezoelectric
earphone. Refer to the application example.
VI
Receive Filter
VFRO
PWI
R6
R7
R6 > 20 kW
ZL
1.2 kW
Gain = VO/VI = 2
¥
R7/R6
£
2
SG
+
AOUT–
VO
ZL
SG
+
AOUT+
During power saving and power down modes, the outputs of AOUT+ and AOUT– are in a high
impedance state.
The electrical driving capability of the AOUT– pin and AOUT+ pin is
±1.3
V maximum. The
output load resistor has a minimum value of 0.6 kW.
If an output amplitude less than
±1.3
V is allowed, these outputs can drive a load resistance less
than that described above. For more details, refer to SINGLE POWER SUPPLY PCM CODEC
APPLICATION NOTE.
V
DD
Power supply for +5 V.
PCMIN
PCM signal input.
A serial PCM signal input to this pin is converted to an analog signal in synchronization with the
RSYNC signal and BCLK signal.
The data rate of the PCM signal is equal to the frequency of the BCLK signal.
The PCM signal is shifted at a falling edge of the BCLK signal and latched into the internal register
when shifted by eight bits.
The start of the PCM data (MSD) is identified at the rising edge of RSYNC.
BCLK
Shift clock signal input for the PCMIN and PCMOUT signal.
The frequency, equal to the data rate, is 64, 96, 128, 192, 256, 384, 512, 768, 1024, 1536, 1544, 2048,
or 200 kHz. Setting this signal to logic "1" or "0" drives both transmit and receive circuits to the
power saving state.
5/18
参数对比
与MSM7507-03GS-K相近的元器件有:MSM7507-02GS-K、MSM7507-02MS-K。描述及对比如下:
型号 MSM7507-03GS-K MSM7507-02GS-K MSM7507-02MS-K
描述 PCM Codec, A-Law, 1-Func, CMOS, PDSO24, 0.430 INCH, 1.27 MM PITCH, PLASTIC, SOP-24 PCM Codec, MU-Law, 1-Func, CMOS, PDSO24, 0.430 INCH, 1.27 MM PITCH, PLASTIC, SOP-24 PCM Codec, MU-Law, 1-Func, CMOS, PDSO20, 0.250 INCH, 0.95 MM PITCH, PLASTIC, SSOP-20
厂商名称 LAPIS Semiconductor Co Ltd LAPIS Semiconductor Co Ltd LAPIS Semiconductor Co Ltd
零件包装代码 SOIC SOIC SSOP
包装说明 SOP, SOP24,.45 SOP, SOP24,.45 SSOP, SOP20,.25,40
针数 24 24 20
Reach Compliance Code unknown unknown unknown
压伸定律 A-LAW MU-LAW MU-LAW
滤波器 YES YES YES
JESD-30 代码 R-PDSO-G24 R-PDSO-G24 R-PDSO-G20
长度 15.95 mm 15.95 mm 10 mm
线性编码 NOT AVAILABLE NOT AVAILABLE NOT AVAILABLE
功能数量 1 1 1
端子数量 24 24 20
工作模式 SYNCHRONOUS SYNCHRONOUS SYNCHRONOUS
最高工作温度 85 °C 85 °C 85 °C
最低工作温度 -30 °C -30 °C -30 °C
封装主体材料 PLASTIC/EPOXY PLASTIC/EPOXY PLASTIC/EPOXY
封装代码 SOP SOP SSOP
封装等效代码 SOP24,.45 SOP24,.45 SOP20,.25,40
封装形状 RECTANGULAR RECTANGULAR RECTANGULAR
封装形式 SMALL OUTLINE SMALL OUTLINE SMALL OUTLINE, SHRINK PITCH
电源 5 V 5 V 5 V
认证状态 Not Qualified Not Qualified Not Qualified
座面最大高度 2.5 mm 2.5 mm 2 mm
最大压摆率 0.01 mA 0.01 mA 0.01 mA
标称供电电压 5 V 5 V 5 V
表面贴装 YES YES YES
技术 CMOS CMOS CMOS
电信集成电路类型 PCM CODEC PCM CODEC PCM CODEC
温度等级 OTHER OTHER OTHER
端子形式 GULL WING GULL WING GULL WING
端子节距 1.27 mm 1.27 mm 0.95 mm
端子位置 DUAL DUAL DUAL
宽度 7.9 mm 7.9 mm 5 mm
是否Rohs认证 不符合 不符合 -
JESD-609代码 e0 e0 -
峰值回流温度(摄氏度) NOT SPECIFIED NOT SPECIFIED -
端子面层 Tin/Lead (Sn/Pb) Tin/Lead (Sn/Pb) -
处于峰值回流温度下的最长时间 NOT SPECIFIED NOT SPECIFIED -
Wilkinson合成器浅析及其应用
摘 要:全固态大功率发射机中必须采用具有隔离作用的功率合成技术,将中小功放的输出功率合成额定的输 出...
JasonYoo 模拟电子
运放的共模电压超过说明书的参考共模电压会怎么样?
现在是一个共模电压额定4V的运放,单电源3.3V供电,用于检测逆变器下桥低值电阻采集的电流,问题是...
乱世煮酒论天下 模拟电子
变压器相关电路求助
如图,P1火线出来后,为什么要接地?这样后续电路岂不是没用了吗? 变压器相关电路求助 【...
tangbaoovo 电路观察室
一起读《机器学习算法与实现 —— Python编程与应用实例》- 第4章 k最近邻算法
机器学习中有一种最基本的任务,就是分类。指将数据样本映射到一个已事先定义的类别中的学习过程,即生成...
硬核王同学 嵌入式系统
汽车毫米波雷达的规定和标准(2)
本帖最后由 火辣西米秀 于 2024-8-13 09:00 编辑 在我国的汽车毫米波...
火辣西米秀 汽车电子
【2024 DigiKey 创意大赛】开箱贴(ESP32-S3-LCD-EV-BOARD、SEN-21231人在传感器)
大家好,我是郑工,尘世间一个迷途小工程师。 这次特别荣幸能参加得捷创意大赛,这次我做的题目是...
eew_Ya3s2d DigiKey得捷技术专区
热门器件
热门资源推荐
器件捷径:
S0 S1 S2 S3 S4 S5 S6 S7 S8 S9 SA SB SC SD SE SF SG SH SI SJ SK SL SM SN SO SP SQ SR SS ST SU SV SW SX SY SZ T0 T1 T2 T3 T4 T5 T6 T7 T8 T9 TA TB TC TD TE TF TG TH TI TJ TK TL TM TN TO TP TQ TR TS TT TU TV TW TX TY TZ U0 U1 U2 U3 U4 U6 U7 U8 UA UB UC UD UE UF UG UH UI UJ UK UL UM UN UP UQ UR US UT UU UV UW UX UZ V0 V1 V2 V3 V4 V5 V6 V7 V8 V9 VA VB VC VD VE VF VG VH VI VJ VK VL VM VN VO VP VQ VR VS VT VU VV VW VX VY VZ W0 W1 W2 W3 W4 W5 W6 W7 W8 W9 WA WB WC WD WE WF WG WH WI WJ WK WL WM WN WO WP WR WS WT WU WV WW WY X0 X1 X2 X3 X4 X5 X7 X8 X9 XA XB XC XD XE XF XG XH XK XL XM XN XO XP XQ XR XS XT XU XV XW XX XY XZ Y0 Y1 Y2 Y4 Y5 Y6 Y9 YA YB YC YD YE YF YG YH YK YL YM YN YP YQ YR YS YT YX Z0 Z1 Z2 Z3 Z4 Z5 Z6 Z8 ZA ZB ZC ZD ZE ZF ZG ZH ZJ ZL ZM ZN ZP ZR ZS ZT ZU ZV ZW ZX ZY
索引文件:
1143  251  1958  622  2446  24  6  40  13  50 
需要登录后才可以下载。
登录取消
下载 PDF 文件