首页 > 器件类别 > 无线/射频/通信 > 光纤
 PDF数据手册

OL6207L-5B

描述:
Transmitter, 1640nm Min, 1660nm Max, FC/SPC Connector, Through Hole Mount, DIP-14
分类:
文件大小:
28KB,共3页
制造商:
概述
Transmitter, 1640nm Min, 1660nm Max, FC/SPC Connector, Through Hole Mount, DIP-14
器件参数
参数名称
属性值
厂商名称
LAPIS Semiconductor Co Ltd
Reach Compliance Code
unknow
主体宽度
12.7 mm
主体高度
8.9 mm
主体长度或直径
20.83 mm
内置特性
AMPLIFIER, ISOLATOR, TEC
通信标准
SDH
连接类型
FC/SPC CONNECTOR
发射极/检测器类型
LASER DIODE
光纤设备类型
TRANSMITTER
光纤类型
9/125, SMF
安装特点
THROUGH HOLE MOUNT
最高工作温度
65 °C
最低工作温度
-5 °C
最大工作波长
1660 nm
最小工作波长
1640 nm
标称工作波长
1650 nm
标称光功率输出
5 mW
最大供电电压
3 V
表面贴装
NO
传输类型
DIGITAL
文档预览
JOG-00899
OKI
Electronics Components
OLx207L-5 Series
1. DESCRIPTION
OLx207L-5 Series are Laser Diodes in DIL package with single mode fiber.
2. FEATURES
·
·
·
·
·
Single mode fiber output : Po=5mW
Includes monitor PD for power control
Multi-quantum-well (MQW) DFB structure
Thermo -electric cooler
Built-in optical isolator
Rev. 1. [Sep. 2001 ]
5mW Laser Diode DIL Modules with Single Mode Fiber, Built in Cooler, Isolator.
3. APPLICATION
· WDM supervisory channel in SDH system with optical in-line amplifier
4.OPTICAL AND ELECTRICAL CHARACTERISTICS
(T
LD
= 25°C, unless otherwise specified)
Parameter
Threshold Current
Operation current
Forward Voltage
Symbol
Ith
Iop
Vf
λp
∆λ
SMSR
---
τr
τf
I
D
Im
Ct
∆T
Ic
Vc
Rth
Test Conditions
CW
Po=5mW, CW
Po=5mW, CW
OL4207L-5
OL5207L-5A
Po=5mW
OL5207L-5B
, CW
OL6207L-5A
OL6207L-5B
Po=5mW, CW, -20dB
Po=5mW, CW
Tc=-5 to 65ºC
Ibias = Ith
Po=5mW,10-90%
Vr(PD)=5V
Po=5mW,CW,
Vr(PD)=5V
Vr(PD)=5V,f=1MHz
Po=5mW
∆T=40°C,Po=5mW
∆T=40°C,Po=5mW
Tthm = 25 °C
Min.
---
---
---
1470
1505
1505
1615
1640
---
30
20
---
---
---
50
---
40
---
---
9.5
Typ.
---
---
---
1480
1510
1520
1625
1650
---
---
---
---
---
---
---
15
---
---
---
---
Max.
30
100
3
1490
1515
1525
1635
1660
1
---
---
0.5
0.5
1
---
---
---
1.2
2.4
10.5
Unit
mA
mA
V
nm
nm
nm
nm
nm
nm
dB
dB
ns
ns
µA
µA
pF
°C
A
V
kΩ
Peak Wavelength
Spectral width
Side Mode Suppression
Ratio
Isolation
Rise Time
Fall Time
Photodiode Dark Current
Monitor Current
PD Capacitance
Cooler Capacity
Cooler Current
Cooler Voltage
Thermistor Resistance
.
1/3
JOG -00899
OKI
Electronics Components
OLx207L-5 Series
5.ABSOLUTE MAXIMUM RATING
(Tc= 25°C, unless otherwise specified)
Parameter
Fiber Output Power
LD Reverse Voltage
Photodiode Forward Current
Photodiode Reverse Voltage
Cooler Curent
Operating Case
Storage Temperature
Lead Soldering
Symbol
Po
V
R
I
F
Vr(PD)
Ic
Tc
Tstg
-
Rating
6
2
10
20
1.4
-5 to 65
-40 to 85
260 (10sec)
Unit
mW
V
mA
V
A
°C
°C
°C
6. CONNECTOR AND FIBER SPECIFICATIONS
Parameter
Type
Mode Field Diameter
Cladding Diameter
Jacket Diameter
Length
Connector
Specifications
SM
9+/-1
125+/-2
900
1 (Min.)
FC/SPC
Unit
---
µm
µm
µm
m
---
7.ORDERING INFORMATION
OL 5 207 L – 5 A
Wavelength
3: 1.3
µm ,4: 1.48µm,
5: 1.5
µm,
6: 1.6
µm
Package Number
Device Structure
N: FP Laser
Optical Output Power
Laser in mW
Peak Wavelength(Typ.)
1480nm
1510nm
1625nm
1650nm
Oki Part Number
OL4207L-5
OL5207L-5A
OL6207L-5A
OL6207L-5B
L: DFB Laser
.
2/3
JOG -00899
OKI
Electronics Components
OLx207L-5 Series
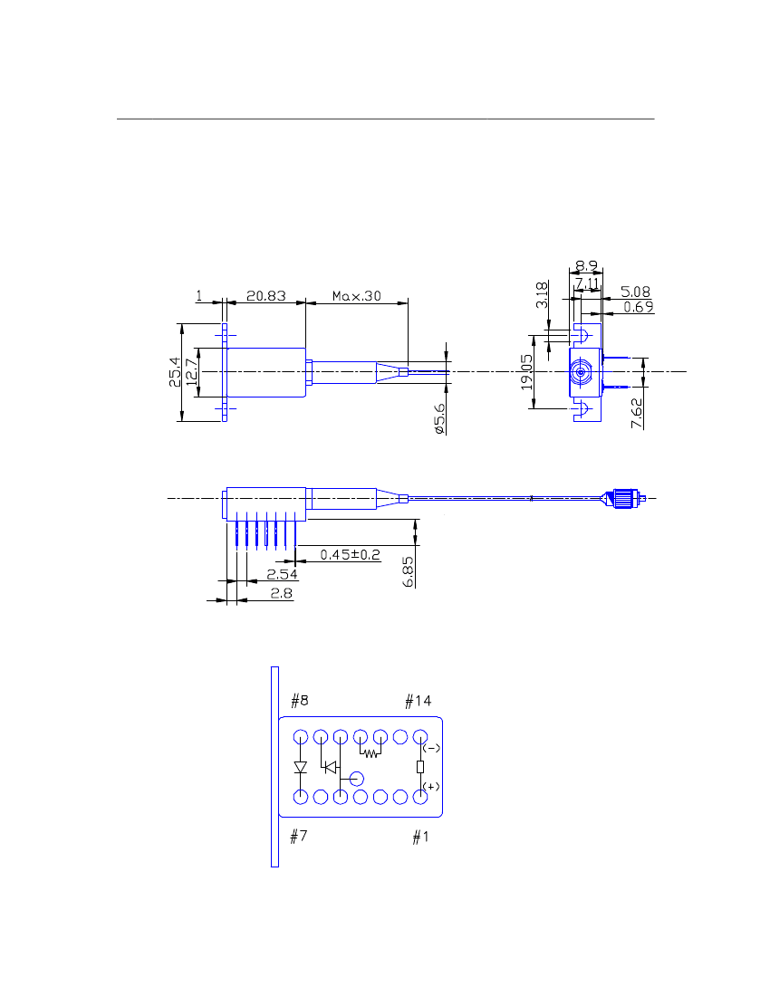
8.OUTLINE DRAWING
All dimensions in millimeters
Tolerances unless noted +/-0.5
Package No. 207(Unit: mm)
TERMINAL CONNECTION
(BOTTOM VIEW)
LD
Thermistor
PD
Case
TEC
Copyright 2001 Oki Electric Industry Co., Ltd
.
3/3
参数对比
与OL6207L-5B相近的元器件有:OL6207L-5A、OL4207L-5、OL5207L-5B。描述及对比如下:
型号 OL6207L-5B OL6207L-5A OL4207L-5 OL5207L-5B
描述 Transmitter, 1640nm Min, 1660nm Max, FC/SPC Connector, Through Hole Mount, DIP-14 Transmitter, 1615nm Min, 1635nm Max, FC/SPC Connector, Through Hole Mount, DIP-14 Transmitter, 1470nm Min, 1490nm Max, FC/SPC Connector, Through Hole Mount, DIP-14 Transmitter, 1505nm Min, 1525nm Max, FC/SPC Connector, Through Hole Mount, DIP-14
厂商名称 LAPIS Semiconductor Co Ltd LAPIS Semiconductor Co Ltd LAPIS Semiconductor Co Ltd LAPIS Semiconductor Co Ltd
Reach Compliance Code unknow unknown unknown unknown
主体宽度 12.7 mm 12.7 mm 12.7 mm 12.7 mm
主体高度 8.9 mm 8.9 mm 8.9 mm 8.9 mm
主体长度或直径 20.83 mm 20.83 mm 20.83 mm 20.83 mm
内置特性 AMPLIFIER, ISOLATOR, TEC AMPLIFIER, ISOLATOR, TEC AMPLIFIER, ISOLATOR, TEC AMPLIFIER, ISOLATOR, TEC
通信标准 SDH SDH SDH SDH
连接类型 FC/SPC CONNECTOR FC/SPC CONNECTOR FC/SPC CONNECTOR FC/SPC CONNECTOR
发射极/检测器类型 LASER DIODE LASER DIODE LASER DIODE LASER DIODE
光纤设备类型 TRANSMITTER TRANSMITTER TRANSMITTER TRANSMITTER
光纤类型 9/125, SMF 9/125, SMF 9/125, SMF 9/125, SMF
安装特点 THROUGH HOLE MOUNT THROUGH HOLE MOUNT THROUGH HOLE MOUNT THROUGH HOLE MOUNT
最高工作温度 65 °C 65 °C 65 °C 65 °C
最低工作温度 -5 °C -5 °C -5 °C -5 °C
最大工作波长 1660 nm 1635 nm 1490 nm 1525 nm
最小工作波长 1640 nm 1615 nm 1470 nm 1505 nm
标称工作波长 1650 nm 1625 nm 1480 nm 1520 nm
标称光功率输出 5 mW 5 mW 5 mW 5 mW
最大供电电压 3 V 3 V 3 V 3 V
表面贴装 NO NO NO NO
传输类型 DIGITAL DIGITAL DIGITAL DIGITAL
热门器件
热门资源推荐
器件捷径:
L0 L1 L2 L3 L4 L5 L6 L7 L8 L9 LA LB LC LD LE LF LG LH LI LJ LK LL LM LN LO LP LQ LR LS LT LU LV LW LX LY LZ M0 M1 M2 M3 M4 M5 M6 M7 M8 M9 MA MB MC MD ME MF MG MH MI MJ MK ML MM MN MO MP MQ MR MS MT MU MV MW MX MY MZ N0 N1 N2 N3 N4 N5 N6 N7 N8 NA NB NC ND NE NF NG NH NI NJ NK NL NM NN NO NP NQ NR NS NT NU NV NX NZ O0 O1 O2 O3 OA OB OC OD OE OF OG OH OI OJ OK OL OM ON OP OQ OR OS OT OV OX OY OZ P0 P1 P2 P3 P4 P5 P6 P7 P8 P9 PA PB PC PD PE PF PG PH PI PJ PK PL PM PN PO PP PQ PR PS PT PU PV PW PX PY PZ Q1 Q2 Q3 Q4 Q5 Q6 Q8 Q9 QA QB QC QE QF QG QH QK QL QM QP QR QS QT QV QW QX QY R0 R1 R2 R3 R4 R5 R6 R7 R8 R9 RA RB RC RD RE RF RG RH RI RJ RK RL RM RN RO RP RQ RR RS RT RU RV RW RX RY RZ
索引文件:
1802  2593  2065  2332  2116  37  53  42  47  43 
需要登录后才可以下载。
登录取消
下载 PDF 文件