历史上的今天
今天是:2025年01月02日(星期四)
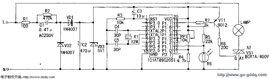
2018年01月02日 | 照明灯智能控制器原理与设计
2018-01-02 来源:eefocus
电路介绍 电路由电源电路、单片机电路、环境照度检测电路和控制输出电路等部分组成。
C1、VDl、VD2、C2、VD3等组成电容降压式稳压电源电路,输出5V的电压作为智能控制器电路的工作电源。AT89C2051、X1、R3、C3等组成单片机电路,R3、C3组成单片机的复位电路,接通电源的瞬间,由于R3对C3的充电过程,单片机AT89C2051的复位端1脚获得一个高电平复位脉冲,使得单片机进入初始状态。
R6、R4、R5、RP1和AT89C2051内部的比较器等组成照度检测电路,为了增加对模拟量的处理功能,AT89C2051在内部构造了一个模拟信号比较器,其输入端连到P.0和P1.1口,P1.0和P1.1口的第二个功能分别为比较器的同相输入端和反相输入端,比较结果存入P3.6口对应的寄存器。P3.6在AT89C2051外部无引脚。R6为光敏电阻,其电阻值随着光线的增强而减小,当照度较小时P1.1口的电位高于P1.0口的电位,P3.6口输出低电平;当照度较大时P1.1口的电位小于P1.0口的电位,P3.6口输出高电平。改变可变电阻RPl的阻值可调整照度的控制阈值。
VTl、R7、R8、VSl等组成输出控制电路,当P1.7口输出高电平时,三极管vT1截止。双向可控硅VSl因没有触发电流处于阻断状态,电灯LAMP关闭;当P1.7口输出低电平时,三极管VT1导通饱和,向双向可控硅VS1提供触发电流使其进入导通状态,电灯LAMP点亮。P1.7口的输出状态由程序控制。
源程序介绍 程序由主程序、定时中断子程序、延时子程序等模块组成。寄存器RO作计时单元,每过6分钟其计数值加1,存储器20H单元用来存储前一天天亮的时间,定时器TO用作定时中断子程序的计时。在智能控制器接通电源后,由于复位电路的作用,程序进入初始状态,这时将定时器TO设置为工作方式1,其定时时间设置为60ms。存储器20H单元初始赋值为100,相当于计时值为10小时(6分钟为一个计时单元),即第一天运行时把天黑后的10小时作为第一天天亮的时间,由于季节的变化这可能不准确,但经过第一天的黑夜后,第一天天亮的时间准确测量后被存入存储器20H单元,以此作为第二天天亮的时间,其准确性就比较高了。
电路的工作过程是这样的:接通电源电路进入初始状态后。P1.7口为高电平,电灯关闭;当傍晚天黑暗渐渐来临时,光敏电阻R6的电阻值逐渐增大,当环境照度达到开灯的设定值时P1.1口的电位高于P1.0口的电位,P3. 6口输出低电平。经程序判断后P1.7口输出高电平,电灯点亮;此后电灯持续点亮4小时后P1.7口输出低电平,电灯关闭;在天亮前1小时P1.7口输出高电平,电灯点亮,天亮时光敏电阻R6的电阻值减小,P1.1口的电位低于P1.0口的电位,P3.6口输出高电平,电灯点亮。为了提高电路抗外界光线干扰的能力,程序中加了抗干扰的措施,照度达标30秒后才能改变电灯的开关状态。
汇编程序清单如下: 调试和安装 ICl用Atmel公司的AT89C2051单片机集成电路。X1用12MHz的石英晶体。R6选用照度为100Iax时电阻值为2—10kΩ的光敏电阻,如MG45—32、MG45—33、MG45—34等。VS1的参数应根据受控制的电灯泡的功率确定,如果电灯泡的功率小于100W,可选用1A400V的小功率双向可控硅。当控制的电灯比较多时也可改变一下控制电路,用继电器和交流接触器作控制开关。C1用0.47μ、AC250V的聚丙烯电容器。其余元器件的参数见图。
安装前用编程器将由汇编程序编译成目标文件即HEX文件用编程器写入AT89C2051芯片。安装时要在外壳上开一个孔让光敏电阻能够检测环境照度的大小,安装完成后的调试工作主要是照度控制阈值的调整,方法是将智能控制器置于刚好需要照明的环境下,调节RP1使P1.0口的电位略低于P1.1口的电位,由于程序中加了抗干扰的措施,要经过30秒后电灯才能点亮。 固定智能控制器时应注意其光敏电阻测试孔的方向,使其能够正确的反映环境照度,减小包括被控制的灯光在内的各种干扰光线的干扰。
史海拾趣
|
目录: 第一篇 模拟电路 实验一 常用电子仪器的使用 实验二 单级低频放大器的设计、安装与调试 实验三 集成运算放大器及其应用 实验四 OTL低频功率放大器 实验五 音频功率放大器的设计、安装与调试 实验六 集成稳压电源 实验七 LC振荡器 ...… 查看全部问答> |
|
电阻是有功率限制的,假若一个50R的电阻是1/8W,那么加在他两端的电压最大不能超过2.5V,此时流过的电流为0.05A,即50mA。那么一个电路要求的输入电阻必须是50R,输入电压却超过了2.5V。而你只能选1/8W电阻,那么可以像下面这样办! ...… 查看全部问答> |
|
谁知道嵌入式精简TCP/IP协议有多大要用多大的flash/ram来存储,是不是单片机上有这个协议就可以实现网络通信了啊? 如果不行还需要什么啊?… 查看全部问答> |
|
本帖最后由 jameswangsynnex 于 2015-3-3 20:04 编辑 当今绚丽多彩的家电市场,产品最受关注的卖点莫过于“智能”、“人性化”、“全自动”等。从用户的角度来看,能配上如此美名的产品,应该是用户只需按触一个“START”开关,不论具体应用的对象 ...… 查看全部问答> |
|
芯片MSP430F47197 SD16_A进行7路采样,32768晶振,OSR256,采样频率fs=32768*32/256=4096/s 采样的交流电压频率为50HZ,我的理解是每秒可采集4096个数据,而交流电每秒有50个周期, 理论上我每个周期的交流电可采集到4096/50=82个数据左右。 &n ...… 查看全部问答> |
|
Push- Pull输出就是一般所说的推挽输出,在CMOS电路里面应该较CMOS输出更合适,因为在CMOS里面的push-pull输出能力不可能做得双极那么大。输出能力看IC内部输出极N管P管的面积。和开漏输出相比,push-pull的高低电平由IC的电源低定,不能简单的做 ...… 查看全部问答> |




