历史上的今天
今天是:2025年02月16日(星期日)
2018年02月16日 | 基于ARM9和μC/OS-II的SD卡文件系统的实现
2018-02-16 来源:eefocus
随着嵌入式式技术的不断发展,ARM处理器凭借其高性能、廉价、耗能低的优质特性而得到广泛应用。文中主要针对货车动态称重系统中大量实时载重数据存取的需求,在ARM9嵌入式处理器和μC/OS-II操作系统基础上,设计实现了一种SD卡文件系统。该系统具有实时性强、存取速率高、易维护,易移植等特点。
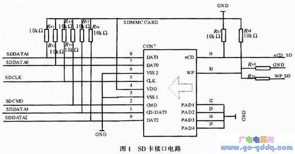
1 硬件接口电路设计
本系统硬件开发平台处理器为S3C2440A,是三星公司推出的16/32位RISC微处理器,ARM920T内核,主频400 MHz,最高可达533 MHz,内部具有丰富的系统外围控制器和多种通信接口。SD卡支持SPI和SD两种通信模式,S3C2440A具有SD卡接口,支持SD总线模式,所以不再像低端的ARM处理器那样采用SPI模式,而是采用SD总线模式,这样可以大大提高SD卡的读写速度。S3C2440A与SD卡读写器的接口电路如图1所示。

SD卡的DAT0~DAT3、CLK(时钟线)和CMD(命令线)分别连接到S3C2440A的SDDATA0~SDDATA3、SDCLK和SDCMD引脚。SD卡支持单线和宽总线的数据传输,宽总线数据一次传4位,数度更快,因此,此设计采用宽总线方式。
2 SD卡文件系统的设计与实现
μC/OS-II是一种可移植的,可植入ROM的,可裁剪的,抢占式的,实时多任务小型的嵌入式操作系统,它采用可剥离式内核实施任务调度,实时性很强,而且每个任务具有唯一的优先级,能够保证就续表中任务优先级最高的任务优先执行。μC/OS-II大部分代码是用移植性很高的C语言编写的,只极少部分与处理器密切相关的部分代码用汇编语言编写,因此只需要做很少的工作就可以很方便地将它移植到各种不同构架的微处理器上。

为了增强软件的可移植性,易维护性,程序设计时采用层次化,模块化设计。模块化结构如图2所示,除了用来进行管理的操作系统外,共分为4个模块,包括SD卡底层驱动,文件系统,API接口,用户应用程序。底层驱动完成SD卡初始化,以及实质上的读写功能;文件系统采用PC机普遍支持的FAT32文件系统规范来设计,完成文件的创建,读写,删除功能;API接口封装文件系统提供的函数,供上层应用使用;用户应用程序通过调用文件系统提供的API函数,完成相应的功能。各个模块的具体实现下面会做以说明。
2.1 底层驱动设计
2.1.1 SD卡初始化
SD卡读写操作都是基于命令的,通过向SD卡发送命令并读取命令的响应来实现对SD卡的控制。在SD卡读写之前,首先要进行初始化操作。这是确保SD卡能进行正常数据读写的前提,SD卡初始化完成了SD卡上电,确认,设置逻辑地址,使其进入传输状态以及设置总线带宽几大主要工作。需要注意的是,在发送使SD卡空闲命令CMD0之前至少等待74个时钟,确保SD卡进入SD总线模式。SD卡初始化代码编写如下:

2.1.2 SD卡读写实现
初始化完戚之后,就可对SD卡进行读写操作,通过设置SDI数据控制寄存器SDIDCON来确定SD卡的读写长度,读操作时数据长度作没有明确限制,写操作时,每次写的长度必须为BLOCK的倍数。SD卡的读写可以一次性读写单块数据,也可以一次性读写多块数据,多块数据的读写结束时,要发送CMD12结束指令。主要实现函数:Write_Card_Block()-写入单块数据;Write_Card_Data()-写入多块数据;Read_Card_Block()-读多块数据;Read_Card-Data()-读多块数据。
2.2 文件系统设计
2.2.1 FAT32文件系统概述
Windows95 OSR2和Windows 98开始支持FAT32文件系统,它是对早期DOS的FAT文件系统的增强,由于文件系统的核心一文件分配表FAT扩充为32位,所以称为FAT32文件系统。FAT32包含DBR、保留扇区、FAT1、FAT2(第一个FAT的备份)、根目录、数据区5部分。DBR(Dos Boot Rec ord)是操作系统引导记录区;保留扇区是为了对DBR作备份或留待以后升级时用;文件分配表区共保存了两个相同的FAT表,文件所占用的存储空间(簇链)及空闲空间的管理都是通过FAT实现的;FAT32根目录区(ROOT区)不再是固定区域、固定大小,可看作是数据区的一部分;数据区用来存放真正要记录的文件数据,本系统定义的一簇为4K个字节。
2.2.2 文件系统初始化
文件系统初始主要是读取SD卡的DBR扇区(0扇区),并分析该扇区内容,从而获取每扇区字节数,每簇扇区数,FAT开始扇区号,根目录开始扇区号等关键信息,为文件的创建,读写等操作做准备,文件系统初始化函数代码如下:

2.2.3 文件创建
SD卡上创建文件或目录的过程就是在文件目录表FDT中申请登记项的过程,为此程序设计时定义了如下结构体:


在文件目录项FDT中申请登记项动作就是通过对上述结构体的操做来完成的,操作流程,也是文件创建流程如图3所示,当把SD卡插入卡插槽时,系统首先初始化SD卡,即读取SD卡的DBR扇区(0扇区)获取相关信息,接下来打开所要创建文件的路径,如果路径不存在,创建该路径,如果存在,搜寻FAT表,找空闲簇。再接下来把要创建的文件的相关信息(文件名,文件大小,创建时间,属性等)填入上述结构体,把该结构体写入文件目录项FDT,相应的扇区写入数据,最后更新FAT链表。文件创建实现函数为FAT32_Creat_File()。

2.2.4 文件读写
文件系统对SD卡上文件的管理都是以簇为单位进行的。要读文件,就要首先找到文件,查找文件就是把文件名和文件目录项FDT中的文件名匹配。如果匹配不成功,说明该文件不存,此时就可以利用函数FAT32_Creat_Flie()创建。如果匹配成功读就找到了该文件,在匹配成功的那个目录登记项中找到该文件的起始簇号,知道了该起始簇号,就可以根据FAT表中的簇链关系找到到第2簇,第3簇,直到最后一簇文件结束。写文件时,由于FAT2是FAT1的备份,要保证两者的一致性,就要对它们做同样的写操作。主要的函数有:FAT32_Open_File()-打开文件;FAT32_Read_File()-读文件;FAT32_Write_File()-写文件;FAT32_Close_File()-关闭文件。
2.2.5 文件删除
FAT32文件系统中所谓的删除实际上只是把文件名称的第一个字母改成一个特殊字符(在文件目录登记项上做一个删除标记),把文件在FAT表中占用的簇标记为空簇,但文件包含的数据仍在磁盘上,下次将新的文件保存到磁盘时,这些簇可能被新的文件使用,从而覆盖原来的数据。因此,只要不保存新的文件,被删除文件的数据实际上仍旧完整无缺地保存在磁盘上。文件删除函数为:FAT32_DeleteFile()。
2.3 API接口设计
API接口模块要是向用户应用程序提供文件的创建读写删除功能,该模块通过调用文件系统的相关函数来实现。主要的借口函数有:OS_ CreateFile()-创建文件;OS_OpenFile()-打开文件;OS_WriteFile()-文件写入数据;OS_WriteFile()-读文件数据;OS_CloseFile()-关闭文件;OS_DeleteFile-删除文件。
2.4 用户应用程序设计
该模块通过直接运用文件系统提供的API接口函数完成对称重数据信息的操作,只需要对μC/OS-II操作系统直接负责,并不需要考虑文件系统的具体实现问题以及底层硬件驱动问题。
3 结束语
本设计作为货车车载动态称重系统的数据存储模块,采用容量大、体积小、性价比高的存储介质SD卡来存储长时间段的测量数据,对FAT32进行了裁剪,并结合SD卡的底层的读写程序,从而实现了嵌入式SD卡文件系统,这样就能很方便通过上位机对SD卡记录货车称重数据进行查询,综合分析以及备份。同时该方法为其它数据采集系统提供了一种非易失性存储器的解决方案,采集到的数据会以标准文件的格式记录到SD卡上,便于文件的统一管理。
史海拾趣
|
大家好,我是一名大三的学生,学的是嵌入式方向的,但我们现在才学嵌入式操作系统,都TMD还是理论,学了等于没学,就上学期还学了个汇编,现在一学期都快过完了,感觉什么关于嵌入式方面的都没学到,如果靠下学期再来学点东西,以后出去就别想混了 ...… 查看全部问答> |
|
先详细解释一下标题的意思。 我的播放器运行在wince5.0中,我编写了各种各样的播放器,有使用WMP的,有使用TCPMP的,有使用用DSHOW的,都会有这么个情况: 我要跳转到视频的某个位置,比如说10s,不能准确的设置到10s,而 ...… 查看全部问答> |
|
用核心板做一款机器,最后做电源管理才发现PWREN给悬空了,且VDDi,VDDiarm和VDDalive一起供电,休眠省电基本不用想了,现在我想仅靠降低CLOCK时钟降低功耗,比如进入SLOW模式,能将2440电流降低到多少?哪位试验过? 另外在wince系统运行时候转换n ...… 查看全部问答> |
|
请教各位帮忙单步跟踪一下下面这个程序 #include \"stdafx.h\" #include #include using namespace &n ...… 查看全部问答> |
|
本公司(知名国企)正在寻求IPCamera(网络摄像机)的技术合作,包括嵌入式开发+硬件设计、中心 管理平台开发。有特色的产品,可提供整机、主板,或者能提供优秀的硬件方案的亦可。 合作方式多种,可技术转让、兼职或者全职。 &nb ...… 查看全部问答> |
|
程序先前一直没问题,后来改程序又加了几条语句,在编译过程中就有一个错误:Code size limit exceeded(4096 code bytes)for this version of the compiler 4212bytes of CODE memory 10bytes of CONST memory(+4bytes shared) 544bytes of DATA me ...… 查看全部问答> |




