历史上的今天
今天是:2025年02月19日(星期三)
2018年02月19日 | 采用ARM9微控制器实现上层控制算法解析方案
2018-02-19 来源:eefocus
引言
在很多嵌入式控制系统中,系统既要完成大量的信息采集和复杂的算法,又要实现精确的控制功能。采用运行有嵌入式Linux操作系统的ARM9微控制器完成信号采集及实现上层控制算法,并向DSP芯片发送上层算法得到控制参数,DSP芯片根据获得的参数和下层控制算法实现精确、可靠的闭环控制。
1 多机系统组成
该多机控制系统以ARM9微控制器s3c2440为核心,采用I2C总线挂载多个DSP芯片TMS320F28015作为协控制器,构成整个控制系统的核心。
1.1 S3C2440及TMS320F28015简介
Samsung公司的处理器S3C2440是内部集成了ARM公司ARM920T处理器内核的32位微控制器,资源丰富,带独立的16 KB的指令Cache和16 KB数据Cache,最高主频可达400 MHz.它拥有130个通用I/O、24个外部中断源以及丰富的外部接口能实现各种功能,包括支持多主功能的I2C总线接口、3路URAT、2路SPI、摄像头接口等。
TMS320F28015(以下简称F28015)是TI公司的32位处理器,它具有强大的控制和信号处理能力,能够实现复杂的控制算法。片上整合了Flash存储器、I2C总线模块、快速的A/D转换器、增强的CAN总线模块、事件管理器、正交编码电路接口及多通道缓冲串口等外设,此种整合能够方便地实现功能的扩展。同时,快速的中断响应使它能够保护关键的寄存器并快速(更小的中断延时)地响应外部异步事件。
1.2 I2C总线接口
I2C总线是一种用于IC器件之间连接的串行总线,采用SDA(数据线)和SCL(时钟线)两线连接每个带有I2C总线接口的器件或模块。串行的8位双向数据传输率在标准模式下可达100 kb/s,快速模式下可达400 kb/s.多个微控制器可以通过I2C总线接口非常方便地连接在一起构成系统,并根据地址识别每个器件。这种总线结构的连线和连接引脚少,器件间总线简单,结构紧凑。因此其构成系统的成本较低,并且在总线上增加器件不会影响系统的正常工作,所有的I2C总线器件共用一套总线,因此其系统修改和可扩展性好。
总线必须由主机(通常为微控制器)控制,主机产生串行时钟( SCL) 控制总线的数据传输,并产生起始和停止条件。SDA 线上的数据状态仅在SCL为低电平的期间才能改变,SCL为高电平的期间,SDA 状态的改变被用来表示起始和停止条件。I2C总线起始和停止时序如图1所示。

图1 I2C总线起始和停止时序
1.3 硬件电路
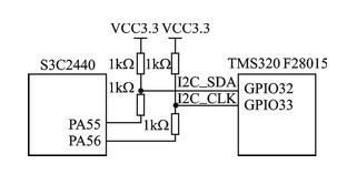
S3C2440和F28015自身均集成了I2C总线模块,支持多主设备I2C总线串行接口,可以方便地挂接到I2C总线上。因此,两者之间的I2C总线接口电路的设计变得十分简单,只要将两者的对应引脚I2C_CLK(对应I2C总线中的SCL线)和I2C_SDA(对应I2C总线中的DATA线)连接起来即可。S3C2440和TMS320F28015的硬件接口电路如图2所示。

图2 S3C2440和TMS320F28015的硬件接口
电路S3C2440的PA55和PA56引脚分别对应I2C_SDA和I2C_CLK,而F28015的GPIO32和GPIO33也可以分别复用为I2C_SDA和I2C_CLK.考虑到阻抗不匹配等因素会影响总线数据传输效果,因此在将两块芯片的I2C_DATA和I2C_CLK引脚直连时,在直连线路上各串联一个小电阻。
I2C_SDA和I2C_CLK是双向电路,必须都通过一个电流源或上拉电阻连接到正电源电压上。由于S3C2440和F28015的输出高电平均为3.3 V,所以在硬件设计时将I2C_SDA和I2C_CLK总线通过上拉电阻连接到了3.3 V的VCC电源上。
2 ARM和DSP通信软件设计
运行Linux操作系统的ARM微控制器作为主控制器,在数据管理及多任务调度等方面有显着优势,可以很好地组织外围器件采集的数据;主要实现对系统的整体控制,并通过总线设备驱动程序控制I2C总线模块,通过主机寻址实现向I2C总线上挂载的下层DSP的数据收发。为保证数据通信的实时性,F28015通过中断响应的方式实现数据接收和发送。
通过配置F28015的I2C模块寄存器,设置I2C模块为从工作方式,同时利用I2C总线中断响应程序实现对总线上数据的接收和发送,进而完成数据通信。F28015产生了I2C总线中断后,就执行中断服务程序,图7为I2C总线中断服务程序流程。
中断服务程序通过查询状态寄存器(I2CSTR)标志位,得出中断类型码,然后调用相应的子程序,完成数据接收发送。代码如下:
interrupt void i2c_int1a_isr(void) {//I2CA的中断响应函数
Uint16 IntSource;// 读取中断码
IntSource=I2caRegs.I2CISRC.bit.INTCODE & 0x7;//I2CA中断源,读后3位
switch(IntSource){//依中断源而确定相关接收和发送策略
case I2C_NO_ISRC://=0
case I2C_ARB_ISRC://=1
case I2C_NACK_ISRC: //=2
case I2C_ARDY_ISRC: //=3
case I2C_SCD_ISRC://=6
case I2C_AAS_ISRC://=7
break;
case I2C_RX_ISRC://=4,接收数据已准备好
DataReceive();//调用数据接收子函数接收数据
break;
case I2C_TX_ISRC://=5,发送数据已准备好
DataTransmit();//调用数据发送子函数接收数据
break;
default:
asm(“ESTOP0”); //无效数据,则停止
}
PieCTRlRegs.PIEACK.all=PIEACK_GROUP8;
}
F28015中的数据接收子程序和数据发送子程序是在I2C总线的中断服务程序中根据不同的状态码进行调用,它们是整个通信程序的核心部分。数据接收子程序和数据发送子程序的流程如图8所示。

图8 数据接收和发送子程序
3 测试结果
通过NFS文件系统将编译成模块的I2C的总线驱动和设备驱动加载到运行Linux操作系统的S3C2440平台上(先加载总线驱动),再将F28015的测试程序烧写到RAM中。运行F28015等待I2C总线上的数据,再执行Linux系统中的I2C总线测试程序。测试结果显示,芯片通过I2C总线接口完成了数据通信,具有良好的实时性和可靠性。
4 结论
该设计利用I2C总线实现了ARM9微控制器与DSP芯片间实时可靠的数据通信。ARM9微控制器结合Linux操作系统作为上层控制核心,DSP芯片实现下层控制算法,可充分发挥ARM9微控制器在数据采集和任务管理等方面的优势以及DSP芯片在算法实现和底层控制的长处。
史海拾趣
|
1>.\\YX_GPS\\port\\c\\yu_port_gui.c(79) : error C2039: \'Release\' : is not a member of \'IDirectDrawSurface\' 1> D:\\Program Files\\Windows CE Tools\\wce500\\STANDARDSDK_500\\include\\ARMV4I\ ...… 查看全部问答> |
|
当我和厂里的师傅们在为了使数控机床提高一级精度而不分白夜进行调试、翻译德文资料时,当我费尽千辛万苦又没有假期和加班费、满身污垢,满手是伤,操作失败了无数次但最终第一次加工制造出精度达到预计的0.0001毫米要求的样品时,我兴奋了一阵子, ...… 查看全部问答> |
|
本人初次接触陀螺仪,读了此陀螺仪datasheet后感到很晕,要做一堆配置…..请大家指点一下该怎么配置,有个范例程序就再好不过了……datasheet 和application note请见附件。… 查看全部问答> |
|
由于很多人总问这个问题,所以这里做一个总结文档供大家参考。这里必须先说明,以下的步骤都是针对Linux系统的,并不面向WinCE。也许你会注意到,现在做嵌入式的人中,做linux研究的人远比做WinCE的人多,很多产家提供的资料也是以linux为主。我一 ...… 查看全部问答> |
|
我现在有套系统,FPGA 驱动AD采样,采样结果想通过VGA来显示出波形,我的做法是将ad结果存入fpga内部DPRAM中(注:没有外扩sdram)。然后让vga从DPRAM中读出数据显示。ad是12位的,我每次采样420个点,想在800*600中间的420*400区域中来显示。我的想 ...… 查看全部问答> |
|
我的想法是,先将0~9十个数和时,分,秒分别录到芯片内,然后取的这些数所在的地址,然后将他们组合,播报出来。但问题是分开都很好,组合在一起有的就播放不出来,老是漏掉一些,是不是忙不过来了,加延时也没用。求解! 还有如 ...… 查看全部问答> |




