历史上的今天
今天是:2025年02月26日(星期三)
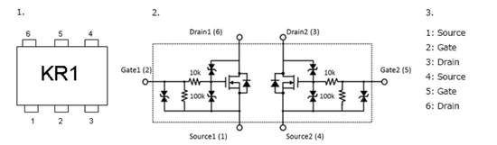
2018年02月26日 | 东芝面向继电器驱动器推出小型双MOSFET
2018-02-26 来源: EEWORLD
东芝电子元件及存储装置株式会社今日宣布推出一款新的MOSFET“SSM6N357R”,该产品在漏极和栅极端子之间设计有内置二极管。该器件适用于驱动机械继电器等感性负载。批量发货即日启动。
SSM6N357R集成有下拉电阻、串联电阻和稳压二极管,有助于减少零部件数量并节省电路板空间。此外,由于该产品是二合一的封装产品,与采用两个SSM3K357R (2.4 x 2.9 x 0.8 mm)单个封装产品的替代方案相比,其安装面积减小42%。
SSM6N357R采用行业标准的TSOP6F级封装,具备3.0V的低工作电压并且通过了AEC-Q101认证,因此适合于汽车和许多其他应用。
应用场合
汽车应用的继电器和螺线管控制
工业应用的继电器和螺线管控制
办公设备离合器控制
特点
节省电路板空间且元器件数量减少(实现了下拉电阻、串联电阻和稳压二极管的集成。)
3.0V的低工作电压
二合一封装
通过AEC-Q101认证
主要规格
等效电路

史海拾趣
|
TE2440-II的VGA是通过CH7026来把LCD信号转换成VGA信号的,我对比了下和阳初的BSP发现个问题,TE2440-II里找不到VGAinit,而且在KERNEL里的CFW.C文件中initdisplay函数中也没有关于VGA的初始化问题,请问TE2440-II的CH7026的控制程序在哪个地方啊(芯 ...… 查看全部问答> |
|
几个弱智问题 1 FLASH是多少位的是跟据地址线的根数来确定吗?FOR EXAMPLE? 2 所有NAND FLASH的结构都一样么?都是8根I/O口?那它是几位的? 3 CPU的位数根据什么确定的?地址线?PXA270 32位的,是32根地址线吧? 谢谢。。。!! ...… 查看全部问答> |
|
11月祥佑PowerPC嵌入式系统开发培训班 开始报名了 开课时间:2008年11月,为期三天。 上课地点:上海 课程教材:《PowerPC嵌入式开发系统实验教材》 收费标准: 4000元/人 注:本次开班7折优惠:2800元/人。(含讲义费,午餐费) 课程特点: ...… 查看全部问答> |
|
各位朋友,本人有一些Windows平台的C++开发经验,现在想做嵌入式,自己也有一块ARM的板子,搞过linux的bootloader和内核移植,但是却没有项目可以去学习。本来想去参加培训,可是没有时间。不知哪位朋友现在是否在开发什么项目,能否带小弟一起学习 ...… 查看全部问答> |
|
本帖最后由 jameswangsynnex 于 2015-3-3 19:57 编辑 最近本人设计了一款AIR MOUSE+PC遥控器,功能如下: 1. 2.4G无线传输:该产品一发一收,采用2.4G跳频技术以免干扰.传输距离:25米 &n ...… 查看全部问答> |
|
【已解决】【有附件】大家来帮忙看看我的程序哪里错了...弄了好久都 这是小弟的毕业设计,做好了之后,总是在数码管那里出问题,也就是有d,e段不亮,导致2,3,5,6,8,9的显示都看不到...... 弄了好久,刷新频率什么的,数码管的电流什么的都改过也出不了结果,可能是小弟哪里没弄好还是什么,所以上来请 ...… 查看全部问答> |
|
As design complexities increase, use of vendor-specific intellectual property (IP) blocks has become a common design methodology. Altera provides parameterizable megafunctions that are optimized for Altera device architectures. ...… 查看全部问答> |
|
最近发现在uhci控制器(6212)与3G数据卡数据交互大流量时会产生TD stall 错误,之后再插拔设备,uhci(6212)发送IRP请求失败,无法再读取设备信息 请教这可能是什么原因,有方法复位uhci吗? 我用的vxworks usb2.0驱动,在线等 ...… 查看全部问答> |




