历史上的今天
返回首页

历史上的今天

今天是:2025年03月05日(星期三)

正在发生

2018年03月05日 | PCF8591与AT89C51单片机的接口程序

2018-03-05 来源:eefocus

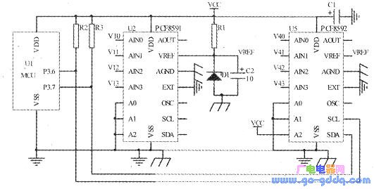
  以AT89C51为主器件.I2C总线上连接4个PCF8591芯片,芯片地址分别为(OOOb、OlOb、020b、400b),89C51的P3.6作为SCL信号.P3.7做为SDA信号,每个芯片的模拟输入采用单端方式输入,参考电压VREF选用4.8V。参考电路如下图所示。下面程序为I2c协议、读取4路A,D转换数据以及写入D/A变换数值的C语言代码。

12547



接口程序

接口程序

接口程序


推荐阅读

史海拾趣

Amplitronix LLC公司的发展小趣事

随着公司的规模不断扩大,Amplitronix LLC开始重视内部管理和企业文化的塑造。他们引进了一系列先进的管理理念和方法,优化了公司的组织结构和管理流程。同时,公司也注重员工的培训和发展,为员工提供了广阔的职业发展空间和良好的福利待遇。这些措施不仅提升了员工的工作积极性和满意度,也为公司的长远发展奠定了坚实的基础。

Crowd Supply公司的发展小趣事

为了适应电子行业的快速发展和变化,Crowd Supply不断投入资源进行技术创新和平台升级。他们推出了一系列新功能,如智能推荐、数据分析等,以帮助项目方更好地了解市场需求和支持者偏好。同时,平台也加强了与供应链和生产商的合作,确保项目的顺利推进和产品的高质量交付。

Bomar公司的发展小趣事

近年来,随着物联网和人工智能技术的快速发展,智能化物流成为了电子行业的新趋势。Bomar公司敏锐地捕捉到了这一市场机遇,开始将业务范围拓展至智能化物流领域。通过与深兰科技等公司的合作,Bomar公司成功推出了智能化物流、仓储装备以及清洁机器人等产品,并成功销往欧洲市场。这些产品的推出不仅提升了Bomar公司的市场竞争力,也为公司的未来发展开辟了新的增长点。

Electro Technik Industries公司的发展小趣事

为了扩大市场份额,ETI开始积极寻求国际合作。公司先后与多家国际知名企业建立了战略合作关系,共同研发新产品、开拓市场。同时,ETI还积极参加国际电子展览会,展示公司的技术实力和产品优势,吸引了众多客户的关注。通过不断努力,ETI的产品逐渐打入国际市场,成为了一家具有全球影响力的电子企业。

EMS GmbH公司的发展小趣事

作为欧洲最领先的生产商之一,EMS GmbH公司与各大国际整车厂建立了长期稳定的合作关系。这些合作不仅为公司带来了稳定的订单和收入来源,还使EMS GmbH能够深入了解市场需求和技术趋势,从而不断优化产品和服务。通过与国际整车厂的紧密合作,EMS GmbH公司在汽车转换器注塑件领域赢得了良好的口碑和声誉。

Dynawave Incorporated公司的发展小趣事

随着技术的成熟,Dynawave开始寻求市场拓展。公司高层决定,将目标市场锁定在智能家居和物联网领域。他们与多家知名厂商合作,将自己的无线传输技术应用到各类智能设备中。通过不断的技术优化和市场推广,Dynawave的产品逐渐得到了市场的认可,销售额稳步增长。

问答坊 | AI 解惑

单片机的应用领域

单片机广泛应用于仪器仪表、家用电器、医用设备、航空航天、专用设备的智能化管理及过程控制等领域,大致可分如下几个范畴:   1.在智能仪器仪表上的应用   单片机具有体积小、功耗低、控制功能强、扩展灵活、微型化和使用方便等优点,广泛应用 ...…

查看全部问答>

no cpu is delected

串口是USB转的 并口是PCI转的 可以连上JTAG 但是烧写程序的时候显示这个错误~!…

查看全部问答>

tinyos能不能移植到CC2430上

我现在做毕业设计,准备将tinyos移植到CC2430上,请问能不能做到,难度有多大?…

查看全部问答>

哪位好心人帮帮我发一个keil软件给我

我的keil 老是出错, 比如: void main(void) { unsigned int w; w=10; } 程序执行到‘}’结束符就出错。 ***   error   65:   access   violation   at   C:0x0A00  &nb ...…

查看全部问答>

vs2005 编写 wince6.0程序问题

小弟这两天碰到一个很诡异的问题。 我在以前写的工程中加入代码调试运行时,新写的代码不运行。具体如下: 假如先前函数代码: [code]OnBnClickedBtnPrint1() {         int a=0;         a++; &nb ...…

查看全部问答>

pxa310开发板

Marvell? PXA310?开发板简要介绍 产品图片 Product Photo PXA310 简介 PXA310 处理器专门为手持设备、GPS 定位系统、无线手持和其他消费类电子设备而设计。基于第三代Intel XScale 技术的这一Marvell PXA3XX 应用处理器系列产品(内部称为Mon ...…

查看全部问答>

请问多个不同的硬件中断号(IRQ)能否关联到同一个逻辑中断(SYSINT)?

还有就是一个硬件中断号是否可以关联多个逻辑中断号? 希望大家讨论讨论!!…

查看全部问答>

纹波电压

  最近在看一本外国的书籍 电子电路分析与设计   刚开始看不久   看到一个纹波电路 纹波电压   好像以前没看过呢   这个纹波电压是做什么呢??   请问   (本人系菜鸟,如果问的问题比较弱智, ...…

查看全部问答>

STM8I2C是400K?4M?

今天看了一下ST的datasheet: RM0016 Reference manual December 2009 I2C  是400K? 4M? 400k.JPG (80.43 KB) 下载次数:2 2010-9-15 22:01 4M.JPG (75. ...…

查看全部问答>