历史上的今天
今天是:2025年03月06日(星期四)
2018年03月06日 | 用单片机I/O端口驱动74LS165
2018-03-06 来源:eefocus
I/O接口的功能是负责实现CPU通过系统总线把I/O电路和外围设备联系在一起,按照电路和设备的复杂程度,I/O接口的硬件主要分为两大类:
(1)I/O接口芯片
这些芯片大都是集成电路,通过CPU输入不同的命令和参数,并控制相关的I/O电路和简单的外设作相应的操作,常见的接口芯片如定时/计数器、中断控制器、DMA控制器、并行接口等。
(2)I/O接口控制卡
有若干个集成电路按一定的逻辑组成为一个部件,或者直接与CPU同在主板上,或是一个插件插在系统总线插槽上。
按照接口的连接对象来分,又可以将他们分为串行接口、并行接口、键盘接口和磁盘接口等。
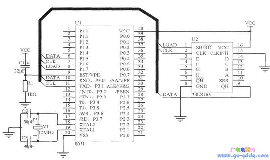
用I/O模拟移位寄存器的时序驱动74LS165,实现并行数据的输入。如下图所示,P1.5被用于串行数据输入,P1.6用于移位时钟输出,P1.7用来控制74LS165的工作状态。

单片机I/O端口驱动74LS165主要包括函数声明管脚定义部分、数据输入函数以及数据输出函数。
(1)函数声明管脚定义。
函数声明管脚定义部分主要完成程序所涉及的库函数的声明及有关引脚的定义,一般置于程序的开头部分,代码如下:

(2)数据输入函数in_simuseri()。
数据输入函数in_simuseri()实现8位数据的从低位到高位的串行输入,程序代码如下所示:


(3)数据输出函数PAs()。
数据输出函数PAs()实现数据的并行输出,程序代码如下:

上一篇:8255A驱动程序的设计
下一篇:用单片机的串口驱动74LS165
史海拾趣
|
前不久见到一位欧洲的朋友,偶然知道他随身携带一部便携式笔记本,由于无线网络问题在中国没有用武之地,听朋友介绍在无线网络相对发达的欧洲,这种便携式笔记本还是很受欢迎的。 同样的情况反映在智能手 ...… 查看全部问答> |
|
主要开发WinCE下类 iPhone(Mutli-touch)技术的输入法 要求如下: 1. 熟悉windows ce或者Symbian下的编程,或熟练掌握 Windows API 编程,3年以上工作经验也可; 2. 精通C/C++语言; 3. 对U ...… 查看全部问答> |
|
Clock jitter analyzed in the time domain Part 1 本帖最后由 dontium 于 2015-1-23 13:39 编辑 IntroductionNewer high-speed ADCs e outfittedwith a large analog-input bandwidth (aboutthree to six times the maximum samplingfrequency) so they can be used in undersamplingapplications. ...… 查看全部问答> |
|
void Read24C64(unsigned int ADDR,unsigned char *s,unsigned char no) { // uchar ddata=0; unsigned char ADDR_L,ADDR_H,i; ADDR_L=ADDR%256; ADDR_H=ADDR/256; IIC_START (); IIC_TX_DATA (0xA0); delay(50); IIC_TX_DATA (ADDR_H) ...… 查看全部问答> |
|
int main(void){ // disable JTAG port DDPCONbits.JTAGEN = 0; //T2 interrupt initialization SEI();//打开总中断 IFS0bits.T2IF=0;//清零中断标志位& ...… 查看全部问答> |




