历史上的今天
今天是:2025年03月13日(星期四)
2018年03月13日 | elmos推出基于E522.90系列芯片的汽车尾灯解决方案
2018-03-13
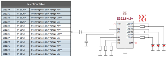
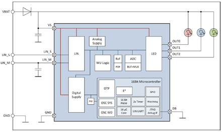
2018年3月9日讯,德国elmos公司日前宣布elmos推出基于E522.90/91/92/93系列芯片用于汽车尾灯LED线性恒流驱动器的系列解决方案,包括车辆尾灯、车内氛围灯和48V电池系统的BLDC电机控制。E522.9x系列的每个通道输出电流为14mA至55mA,并联工作时单颗芯片最高输出165mA,即使在恶劣的散热条件下,这款拥有专利的电源管理芯片也可确保LED的恒流特性。该方案设计有外部分流电阻,可以把额外的功耗通过外部电阻耗散掉,这个方案将功耗成比例的分配到外部器件和PCB上,避免PCB上出现局部过热点。这个独特的方案中,功耗一部分通过芯片本身耗散,另外一部分则由外部器件耗散,减小了芯片自身的温升,为客户带来更多的设计余量。该家族系列产品还具有更高电流和相同特性的芯片(每通道48-151mA或并联工作450mA)E522.8x产品系列,该系列产品已经在汽车照明产品中有多个成功应用案例。
据悉,该系列最新应用解决方案将在2018年慕尼黑上海电子展(3月14日至16日)期间向观众现场展示并做详细说明。

elmos还将带来LIN自动寻址的单芯片RGB驱动方案E521.36,该方案用在车内RGB氛围灯应用中,采用才方案的RGB模块可直接连接到LIN总线上,elmos的 E521.36芯片实现了简单、灵活、经济高效且节省空间的设计。 该器件包括一个基于MSP430的16位微控制器,具有32k字节的NVM,128字节的 EEPROM,带有集成BSM自动寻址(总线分流法)的LIN收发器(符合LIN 2.2规范),四路高达40mA/单通道的恒流源驱动和三个16位PWM发生器。 48MHz PWM时钟确保732Hz刷新频率下提供全面的16位色彩分辨率,实现无闪烁效果,可以满足目前所有的OEM要求。

除此之外,此次展会上您还将看到基于E523.52芯片,elmos可以专门带来了48V电池系统的无刷直流(BLDC)电机单芯片控制器。 该芯片的最大输入电压为72V, 它集成了一个功能强大的16位微控制器,具有特殊的电机控制硬件支持。 该芯片可控制3路半桥NMOS,驱动的电机功率高达约1000W。 集成的DC / DC降压转换器设计用于11V / 100mA的门极驱动和其他负载的驱动。此外,该芯片还具有对MOSFET的各种监视和诊断功能。

史海拾趣
|
德国mandia大功率LED专用荧光粉 一、简介 德国mandia大功率LED荧光粉是(Deutschland Mandia Materials Development Co., Ltd)德国mandia公司应对新世纪的照明工业的发展研制而成,该产品粒径15±0.1mil,适用于450-470NM芯片,亮度与市场上小功率 ...… 查看全部问答> |
|
wince c# 求替代 datagrid 的自定义控件或源码. wince c# 求替代 datagrid 的自定义控件或源码. 平台:wince vs 2008 c# vs自带的datagrid编辑表格真的是非常不好用。 行表头不行,使某列,某格不可编辑,不行。 等等 功能真的是太弱了. 求其替代控件或自定义控件. 不胜感激.… 查看全部问答> |
|
用max712为核心,设计了一个镍氢电池组充电电路,实测充电电流和资料上介绍的计算公式计算值相差很大,另外快速充电指示灯常亮不灭,电路是参考网上的,根据自己的实际情况稍微改动,现具体说明如下: 1,设计充电器支持的电池组为10节5#电池,组 ...… 查看全部问答> |
|
下面是处理电源irp的代码节选,问题是:为什么提高电源级别时使用完成例程,而降低电源级别时直接使用PoSetPowerState( pDevObj, type, newState);?请高手赐教! if (newState < pDevExt->currentPowerState) {& ...… 查看全部问答> |
|
怎么找到一个正数第一个1前面的0的个数的VERILOG 算法 比如 16‘b0001 1011 0的个数是3,怎么用verilog去描述这个算法呢? 其实很简单: 如果是串行输入的,从低到高位,需要一个起始信号,然后用16的计数器,逐个判断即可。 如果并行数据,直接如下判断: i ...… 查看全部问答> |
|
uC/OS-II官方STM32版本修改后在万利的STM32开发板上运行 bh3nvn:您好,学习单片机和ARM也都四五年了,我本身电气工程毕业的,所以操作系统的东西一直没时间琢磨,也一直想 ...… 查看全部问答> |




