历史上的今天
今天是:2025年03月19日(星期三)
2018年03月19日 | 采用8051单片机的变化空调机智能控制的设计与实现
2018-03-19 来源:eefocus
本文阐述了用8051单片机根据环境温度的变化实现空调机智能控制的设计方法。
空调机广泛应用于日常生活中。本文充分挖掘了单片机系统稳定、成本低、适宜于工业控制的特点,实现了用8051单片机根据室温变化,智能控制空气压缩机,以达到调节室温的目的。本系统具有精度高、易于控制、成本低等优点。
系统原理与硬件电路
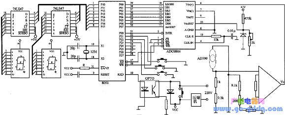
空调机的控制系统由开关键、温度下调键、温度上调键组成。按下开关键后,系统检测环境温度并显示。温度上调键和温度下调键用于设定温度,根据实际需要,温度可调范围为10~35℃,当第一次按下任意设定键时都显示最高温度35℃,按下相应的键可以依次增加或减少1℃,并可以循环显示:如当上调到35℃时,再按一次上调温度键,则返回到最低设定温度10℃。当设定温度低于系统检测到的环境温度时,压缩机开始运转,使室温降低;当室温低于设定温度,压缩机停止运转;当按下温度设定键10秒后,自动解除温度设定模式,回到室温显示模式。采用定时器中断的方式,每隔50ms自动比较室温和设定温度,以决定压缩机的启动或者关闭,系统原理图如下图所示。

本系统采用8051单片机作为核心控制芯片,外围部件由显示设备、石英晶振、键盘电路、模数转换设备、温度传感器、压缩机组成。温度传感器选择AD590集成温度传感器,模数转换设备采用8位CMOS逐次逼近型A/D转换器ADC0804,温度用两个七段BCD数码管显示。P3.0连接压缩机,并通过置位复位控制其开关。各部分连接的电路如下图所示。

1.温度传感器AD590
AD590是美国Analog DevICes公司生产的二端式集成温度-电流传感器,具有体积小、重量轻、线性度好、性能稳定等优点,它的测量范围-55~150℃;线性电流输出±1A/K;线性度好,满刻度范围±O_3℃;电源电压范围4~30V,当电源电压在5-10v之间,电压稳定度为1%时,所产生的误差只有±0.01℃;电阻采用激光修刻产生,使在±25℃(298K),器件输出±298.2μA。
使用时,先调AD590可变电阻R,使其输出电流通过10k电阻,从而获得10mV/K的电压,AD590测量的是绝对温度,为测出摄氏温度,须使AD590输出偏置为2.732V,使基准电压为25V,这样通过两个串联电阻R2=9.1kΩ,R3=1kΩ时,对+25V电压分压,从而获得2.73V的偏置,A为增益可调数据放大器,输出电压VT=10mV/℃,调节放大器增益,可获得所需要的输出电压,AD590简化电路如下图所示。

2.A/D转换器ADG0804
ADC0804是8位CMOS逐次逼近型A/D转换器,转换时间100μs,工作温度0~70℃,完全可以满足系统要求。其中,引脚RD、WR和单片机RD、WR相连,CS直接接地,ADC0804被选中,Vin(+)连接AD590,vin(一)和AGND接地,其他引脚连接情况可参考系统电路图。ADC0804直接和8051的P0口相连,其地址为#OFFH。
3.控制电路
采用8051的P2.1连接开关键,P2.2和P2.3分别连接上调和下调温度键。当某一按键被软件置零时,引发相应动作。
4.显示电路
用8051的P1口连接两个七段BCD共阳极数码管。由于连接的数码管只有两个,因此不用扩展P1口,用两个BcD七段显示译码器74Ls47直接驱动共阳极数码管。因此可以把要显示的数据直接送P1口,作为信号驱动数码管,就可以显示相应字形,使用方便。
软件设计
用单片机内部RAM存储区中#30H存放设定温度,#31H存放环境温度。
1.温度转换及显示原理
由于ADC0804输出最高值为#FFH,本电路实际测量最大温度T=51℃,ADC0804的转换值和温度关系为:FFH*x=51,则x=0.2。环境温度TO的值为:转换值乘以0.2,在实际应用中可用除以5来完成,若余数为3或4,则进位,若余数为0、1或2,则舍去。测量误差≤2/5=0.4℃。
2.中断程序
系统上电复位后,初始化TIMEO,选择定时方式1,并送初值#OE40AH给TO,使TO每隔50ms产生一次中断,通过比较室温和设定温度,以决定P3.0口的通断。
3.系统防止干扰的软件实现
在实际工作中,由于电磁场或电源、机械等干扰,可能使系统发生异常,导致程序在执行过程中“跑飞”,使系统工作出现混乱,后果不堪设想。为防止意外发生,尽量减小由此造成的不良影响,尽快使系统恢复正常工作,本系统采用软件方法,加入程序陷阱。基本原理为:在内部ROM存储空间填满长跳转指令LJMP和空操作指令NOP,一旦程序乱飞到该区,就会重新返回主程序入口,使系统迅速恢复正常工作。主程序和TO中断流程分别如下图所示。

结论
本文用8051系列单片机实现了对空调机的控制,系统稳定可靠,使用方便。用软件实现系统监控,节约成本,易于实现,基本能够满足日常生活需要。
史海拾趣
|
每天都会有超酷超炫的概念电脑被设计师们设计出来,然而这么多的概念也不能阻止设计师对创意的渴望,设计师Hiromi Kiriki为Sony设想了下一代概念电脑,这是一个全新的概念,打破传统电脑的形式,它可以作为手镯一样戴在手腕上,运用柔性OLED触摸式 ...… 查看全部问答> |
|
这个网站里的高手是那么的可爱可敬, 刚注册几天的菜鸟发现在这里有这么多的高手帮忙解决问题,从不嫌弃问题的弱智! 有几个人的名字我都记下来了。 不要对我这么的好哦 我怕我会迷恋哦!!! 嘻嘻嘻… 查看全部问答> |
|
我是一个大四学生,正在做毕设,又在准备研究生复试,有点忙不过来,请教一下各位老师,指点一下毕设思路。 题目是:利用GPRS业务设计一个基于AT89C51及GPRS的远程安防系统,实现警情的及时识别和无线自动报警。主要任务是通过对GPRS协议的分析, ...… 查看全部问答> |
|
想写一个支持4bpp灰度的基于GPE的display driver要怎么做?怎么让OS知道我支持哪16种颜色? 是不是要创建一个调色板,我需要算出这16种灰度颜色对应的RGB值,然后放在调色板里么?还是只要设置成4bpp,OS就默认是灰度颜色?谢谢~~… 查看全部问答> |
|
最近在捣鼓STM32的CAN 模块。虽然算是基本上能够发送接收数据了,但是总觉得对他的发送和接收比较模糊。问题就出在了对过滤器的设置 以及接收中的某些设置上,长话短说。大家看一下代码就明白我的疑问了。代码如下: void CAN_Configuration ...… 查看全部问答> |
|
小功率反激电源作为市场上最为成熟的电源之一,在电力电子行业占据相当大的比重。目前介绍开关电源电磁兼容的文章很多,不过考虑到市场化,小功率反激电源只用一级EMI滤波,无散热片,还有很重要的一点,要考虑可生产性。这与单纯的电磁兼容研究有 ...… 查看全部问答> |




