历史上的今天
今天是:2025年07月25日(星期五)
2018年07月25日 | 解决新能源汽车电源问题
2018-07-25
由于锂电池在混合动力汽车和纯电动汽车领域的出色电能和功率特性,汽车行业目前普遍采用锂电池作为新能源汽车的解决方案。对于插电式混合动力或纯电动汽车,通常需要几百伏电压的电池组,锂电池正是理想之选。
尽管电池组尺寸不同,但各种锂电池动力系统在以下几方面具有类似的要求:
1. 具备监控功能
2. 在苛刻的环境下能够保持良好的性能
3. 提供可靠、安全的电量管理
4. 降低系统的整体成本
为了最大限度的利用锂电池的电能,并且充分保证使用寿命,
必须引入复杂的电池监控电路。这些电子电路能够监控电池单元的电压与温度,监控由多个电池单元串联而成的电池组的电压与电流,平衡电池单元之间的电压,并跨越势垒传输数据信号,其目的在于确保电池在驱动和充电时高效、安全地工作,
并能延长电池的使用时间。

在高共模电压和高达数百安培开关瞬变的情况下,电池管理系统(BMS)必须对不同的电池单元进行精确的测量。系统的精度必须达到mV级,采样必须在严格的延迟时间范围内保持同步。采样速度和精度都会影响整个系统的效率。
Tips
可靠性是关键要求之一。系统必须提供安全机制,以便检测电池单元、电缆、监控电路和通信总线等的故障。数据保护机制也有助于进行错误检测。随着对功能安全的重视,系统渐渐要满足功能安全的需求。
系统还要求BMS具备较低功耗以减少对电池电量的消耗,同时避免加剧电池不平衡,所以监控器IC和隔离电路的功耗应尽可能低。而且未来趋势是需要主动平衡方案。
ADI 最新解决方案
自2008年起,ADI (LTC)锂电池监控IC产品已经发展到第四代。安全性,精度和功能已经不断提高,始终是业界最佳选择。
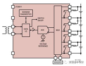
ADI 的最新的第四代锂电池主监控 IC 产品 LTC6811 分别能够 对12个通道的电压和温度进行监测(未来产品提供更灵活的通道 数),极限精度优于1.2 mV。多个 LTC6811 可采用菊花链连接。该 IC提供业界最快的转换速度和最佳数据保护。可在290 μs内检 测12个通道的数据。此外,IC还提供被动式电池单元平衡控制功能。

ADI 的隔离式产品
ADI 的数字隔离器iCoupler®为汽车应用而优化,可在高数据 速率下实现最低功耗。其封装尺寸小、通道选项多,因此,它所需组件量和占用电路板面积都最小;此外,该系列在整个使 用周期内提供其高可靠性和质量保证。该系列被广泛用做高电 压电路与低电压电路之间的SPI/GPIO/时钟隔离器。isoPower®是 ADI 独特的集成电源数字隔离器解决方案,它提供隔离电源和多通道数字隔离功能;与分立式dc至dc隔离器加数字隔离器的方案相比,isoPower的成本更低、占用面积更小。ADI 提供多样的集成方案,产品种类仍在不断扩展。
BMS解决方案框图

隔离 SPI 架构

史海拾趣
|
多年来,人们一直预测低压差线性调整器(LDO)要退出在汽车领域的应用。但是,LDO调整器持续生存着甚至茁壮成长,因为它们的价格便宜且使用方便。本文中,我将阐述LDO调整器的复杂性,考察市场上的最新进展(确实有一些进展),并分析随着汽车电源需求 ...… 查看全部问答> |
|
选用热继电器一般以电机额定电流为准.如电机额定电流为3A,而选择热继电器为1.5~3.5间.设定时以电机的负载为准.如负载比较稳定时,热继电器设定的电流为电机额定电流.如负载波动比较大时可稍微加大些. 如果是电机直接启动开关设备热继电器电流应选 ...… 查看全部问答> |
|
我在PB5.0中调试单一的工程可以么?就是我不想每次都生成新的系统镜像。就像在VS2005中调试一样,修改代码、F5就开始编译链接、部署、断点,这样就方便多了阿,要不我不是在PB中每次都得从新生成系统镜像了?多麻烦… 查看全部问答> |
|
103K作为从属, 另外一块CPU作为主控, 时钟频率大概200HZ 在103K这边经常会收到错误的地址 但使用逻辑分析仪看波形是正确的 可能是哪里出错了呢?… 查看全部问答> |
|
本帖最后由 paulhyde 于 2014-9-15 03:19 编辑 这是我用OP07构成的简单恒流源,第一个运放是隔离输入端对恒流源的影响,但是发现当负载端接上电阻,无论输入端电压 怎么调,J4端电压都没改变,而且负载电阻变化时,J4端电压变化,达不到恒流源 ...… 查看全部问答> |




