历史上的今天
今天是:2024年10月30日(星期三)
2018年10月30日 | MPS业绩大增的背后原因探寻——MPS 4.0战略
2018-10-30 来源:EEWORLD
日前,高性能模拟和电源解决方案供应商MPS(芯源系统有限公司Monolithic Power Systems)公布了2018财年三季度业绩,总收入为1.6亿美元,环比增长14.5%,同比增长24.1%。同时,2018财年预计总营收将达到5.6亿美元。
公司预计2021年营收超过10亿,成为又一家迈入10亿美元俱乐部的芯片公司,而且还是专门从事电源芯片行业的公司,这是以前并不多见的。
这家做电源管理的公司为何能够连续多年保持增长,股票更是翻了十几倍,这其中的奥秘何在,我们可以通过不久前MPS召开的公司年度分析师会议上一探究竟。
会议上共分为计算机电源、电池管理、汽车、马达驱动、电子商务等具体议程进行探讨,具体阐述了MPS 4.0战略究竟要如何发展,我们也能从中看到未来电源管理应用的前景究竟在哪里。
从MPS的历史来看
Monolithic Power Systems由现任首席执行官Michael Hsing(邢正人)与当时模拟行业的大师级人物Jim Moyer先生共同创建。在新公司中,Michael负责开发工艺技术,Jim Moyer则负责IC设计,在成立公司之前,Michael曾在多家模拟集成电路公司担任技术开发人员。
Monolithic的英文本意就是单晶圆,公司最擅长的也是高集成度的电源产品。
1998年5月,该公司推出了一款单芯片解决方案,用于为笔记本电脑中的CCFL背光供电。该产品大大降低了总体解决方案成本和设计复杂性,并显着提高了功率转换率。
该公司随后开启了多元化市场之路,通过大力发展DC/DC等产品,再次重新设定行业标准。 2004年11月,MPS上市。至今,公司已有十余条产品线,近2000种产品。

主要产品分类

如图所示,MPS可分为四个阶段,尤其是MPS 3.0时代,通过专注于汽车、工业、服务器以及通信等高增长及高附加值的电源领域,实现了年均21.2%的增长,远远超过模拟行业平均10.9%的增长率。
MPS的增长完全基于其4.0战略的提出,通过均衡发展,找寻更大的市场机会。均衡发展就包括电子商务、马达控制、计算机电源管理及电池管理等各方面。

目前MPS所涉及到的产业,涵盖了计算、汽车、工业、基础设施及消费全类型,包括了GPU、云计算、存储、人工智能、汽车电池管理、ADAS、机器人、5G、IoT等几乎所有热门领域。

目前,MPS的供应的产品都采用了5代BCD,但是不同类型工艺,涵盖从5V-1000V,最高支持80A的电源产品。
提到工艺,Michael此前接受访问时曾表示:“建立一个大型Fabless模拟电路设计公司是很困难的。然而,我们与晶圆代工合作伙伴之间的合作模式是非常新颖的。与没有自己工艺技术的数字电路设计公司不同,我们在代工厂中导入我们自己的专有制造工艺,甚至也安装一些我们购买的专有设备,我们的一些技术人员也在代工合作伙伴的工厂中工作。我总是告诉华尔街,我们的商业模式不是纯粹的Fabless模式。我们只是没有自己的生产线和流水线上的工人而已,但我们有自己的专有制造工艺技术,与此同时,我们也做一切除了拥有生产线以外的事情。MPS是第一个采取这种“Semi-fabless(半Fabless)”模式的模拟芯片企业。”

MPS收入,可以看到在汽车、存储计算、工业等领域进展神速。

当然,MPS这几年的发展和市场需求不断增加不无关系,如图所示,几大市场的电源管理需求三年累计增加额接近了50%。
计算能源革命
MPS就是靠计算机起家,现如今,计算产业借助服务器、云计算、人工智能等应用大幅增长,计算体系正在发生着革命,基于此,MPS也在积极探寻相关领域的机会。
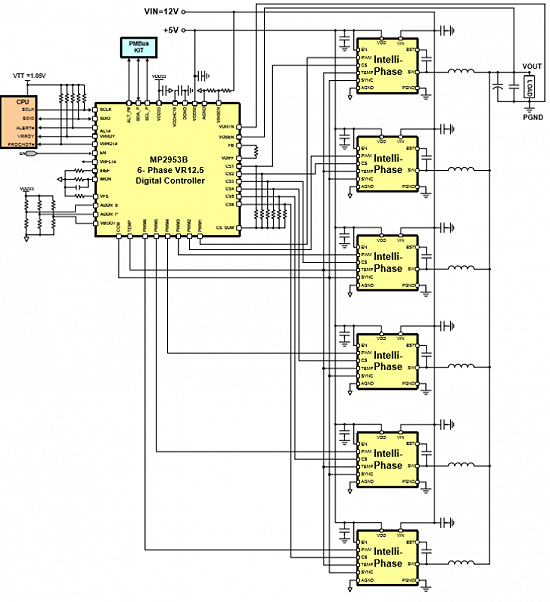
MPS几年前就已经在做好这方面的准备,包括2010年开发了Intelli-phase技术,这是全球首个单晶圆高精度电源解决方案。
此外,在2012年发明了QSMOD,Quantum State Modulation,基于最精细的数字步骤调制以确定实时输出电压。
2014年6月,MPS首次为英特尔Grantley服务器平台提供核心供电方案。

这是一个典型的QSMOD+Intelli Phase结构框图,通过精准控制的QSMOD控制器以及Intelli Phase驱动器,实现了完整的12.5V电压轨。

如图,Intelli-Phase相比传统MOS驱动,通过单芯片集成方式使得转换更快,而QSMOD则是通过数字电源控制原理,使得转换更精准,从而达到整体性能更优。
随着处理器的性能不断提升,功耗和电流不断增加,但与此同时,CPU更多IO,更多内存插槽,不断压缩主板上的电源空间,同时为了降低PCB损耗以及提高电源管理响应时间,电压轨要越来越靠近处理器。这正是MPS所作的努力。对于GPU和AI处理器来说则更甚。

和竞争对手发布的蓝图参数相比,MPS拥有更小的尺寸和更高的工作频率。
正因此,48V系统越来越得到处理器及系统厂商重视。包括48V-5V-1V 或者直接48V-1V,MPS都有应对方案。此外,包括基础设施,5G甚至未来自动驾驶等应用,MPS都在做着准备。
电池管理系统
MPS的电池管理系统涵盖了传统的消费电子以及包括手持终端及电动车等领域,产品则涵盖了线形充电、boost、buck-boost、buck以及BMS芯片等,其中BMS将是MPS未来营收增长的主要看点,未来包括电动工具、电动汽车、电动自行车、工厂机器人、基站及家庭储能装置等领域,对BMS的需求都将爆发。

相比传统的分立器件所搭出来的电池充电及管理系统,MPS的高整合方案极具竞争力。
另外,对于USB Type-C及USB PD充电方面,MPS也将下大力度发展。
汽车
正如数字技术公司关注汽车一样,实际上在模拟和电源领域的玩家同样在关注汽车市场。MPS公司汽车业务部收入从2013年的800万美元左右成长至2017年的5300万美元,

如图所示,根据统计资料显示,MPS汽车领域尽管目前收入与其他主要电源供应商相比还差得很远,但增速很快,前景依然可期。
目前,MPS汽车产品有50%来自长尾的中小型客户,遍布欧美、中国、日本及韩国等汽车大国,已经和一半以上的Tier1有了合作。

目前同MPS合作的Tier1厂商以及间接合作的OEM商
MPS表示,公司主要关注无人驾驶、车联网以及电动汽车三大领域,市场总容量预计2023年将达到130亿美元。
MPS已布局的领域及目标应用包括了智能驾驶座舱,照明,车身电子化,电池管理及ADAS系统等。
在汽车级市场中,虽然MPS相对还很小,但也有其核心竞争力,包括提供全球首家车规级FLIP-CHIP电源封装方案并通过了主流Tier1厂商认证,拥有更高功率密度,累计出货量达10亿级。同时在LED领域,拥有全球最紧凑的LED驱动模块,仅相当于对手的1/4。

如图所示,在车载USB Type-C充电管理系统中,MPS拥有更集成化更紧凑的单芯片及模组方案。
MPS给汽车电子定下的任务目标是从2013年至2021年,年平均成长率达40%-50%,至少目前来看,早已超过了这一增长率。
马达驱动
随着工业制造的需求不断增加,对于精准控制需求与日俱增,MPS的e.Motion平台通过结合MPS的磁位置传感器、马达驱动以及独特的算法处理器,可以实现集成化,小型化,简单化,为客户创造更多价值。
2014年,MPS通过收购Sensima,从而获得了3D磁传感器技术,同时也构建了完整的e.Motion平台

如图所示,MPS现在可构建完整的一套超小型化的电机驱动解决方案。

传统上,马达驱动系统要包括驱动器、数字信号处理及通信、传感器、光学编码器等等,而通过e.Motion平台,无需额外的霍尔传感器、DSP、编码器、传动装置等,尤其是对于小于150W功率产品来说,MPS已经可以集成额外的相关驱动。MPS高集成度的整合方案,可以满足驱动客户一站式服务要求。
MPS的Spinaxis角度传感检测技术是独一无二的,通过集成角度传感器,可以很简单的进行相位检测。对于客户来说,可以替换掉传统的光编码器,同时获得更低功耗、更快响应速度、更小尺寸器件、更具鲁棒性的设置及更有竞争力的价格。目前该系列产品已经应用于包括消费、工业、汽车及医疗等20多个产品上。
目前MPS的马达驱动及控制产品广泛应用在包括步进器、有刷/无刷直流马达等领域,包括消费、工业以及汽车都有所应用。
未来,DC马达的技术需求挑战主要来自效率、空间、噪音、转矩脉冲及成本。

传统的BLDC应用,成本高,体积大。

而采用e.Motion的话,集成了传感器、处理器和驱动,同时自带FOC算法,尺寸仅为4*4mm2,极大地方便了用户开发。

如图所示,MPS未来马达驱动、位置传感器和e.Motion高集成度方案,都将会保持超高增长率。
MPS强调,除了传统方案之外,公司还将扩展更多的交叉领域方案,比如将MPS的电源与马达驱动用在同一个方案中,这样将极大增强MPS的销售业绩。
加大电子商务力度
正如其他芯片公司一样,MPS正在积极尝试利用电子商务增加与更多用户沟通的渠道。

只不过,MPS的电子商务有一点点不一样,就是利用其灵活强大的控制器,提供在线可编程电源模块,客户可以在网站上设置好参数,直接交付到用户手中的就是可直接使用的模块,用户无需额外再设置电压等参数,或者从新设计电路板。并且也可支持客户现场可编程,这种概念类似于FPGA(现场可编程逻辑阵列),而叫做Field Programmable Modules,现场可编程模组。

如图所示,随着在线功能越来越全,网站用户越来越丰富。

电源模块在线可编程界面
不断创新,不断追逐新兴市场,不断持续的为下一代产品投入,是MPS的制胜法宝,这篇总结只能大概对MPS有个了解,只有深入了解每个产品,你才会发掘MPS的真正魅力。
史海拾趣
|
我们经常在电路中见到0欧的电阻,对于新手来说,往往会很迷惑:既然是0欧的电阻,那就是导线,为何要装上它呢?还有这样的电阻市场上有卖吗? 其实0欧的电阻还是蛮有用的。大概有以下几个功能:①做为跳线使用。这样既美观,安装也方便。②在数字和 ...… 查看全部问答> |
|
我用EVC创建的工程,编译成X86(evc自带的SDK和WINCE5 SDK都试过) Realse 可执行文件放到 装有 wince5系统的开发板上运行,提示不是有效的WINCE程序~这是为什么呢?… 查看全部问答> |
|
上次我在这问过相关问题。现在我送一个脉冲进单片机具有中断使能的一个脚,计算此脉冲个数。上升沿触发中断然后A++,等到脉冲个数。但现在我想问问单片机不能及时响应吧?能反应过来吗单片机。单片机是8M的,脉冲是1M的。谢谢… 查看全部问答> |
|
请问目前大家的平台上,Linux从启动到运行自己的图形程序,需要大概多少秒?我们要想优化一个系统的启动时间,首先我们需要知道这个系统都把启动时间花在哪里了!其次就是你的目标,是让系统在多少秒之内完成启动?那要如何才能知道,系统在启动过 ...… 查看全部问答> |
|
中断问题,执行NVIC_Init(&NVIC_InitStructure)使执行不下去 程序如下:void NVIC_Configuration(void){#ifdef VECT_TAB_RAM /* Set the Vector Table base location at 0x20000000 */ NVIC_SetVectorTable(NVIC_VectTab_RAM, 0x0); #else /* VECT_ ...… 查看全部问答> |
|
电源工程师职业考试的25道单选题,看你能答对几道(征集答案啦) 出自《工业和信息化部教育考试中心电源工程师职业技术考试试题卷》 1 ) 滤波电路中,滤波电容放电常数愈大,输出滤波电压( ),滤波效果愈好; A 愈低、 B 愈高、&n ...… 查看全部问答> |
|
我用的是CCS6,按照自己的使用习惯设置了代码和注释等的字体和颜色。 但是碰到过CCS莫名就恢复成了默认的设置项,搞得我又得全部重新设置一遍。 想问下,CCS有没有保存当前设置项,然后直接导入的功能 ...… 查看全部问答> |




