历史上的今天
今天是:2024年11月26日(星期二)
2018年11月26日 | 让您的设计更高效,安森美半导体的宽禁带方案
2018-11-26
市场趋势和更严格的行业标准推动电子产品向更高能效和更紧凑的方向发展。宽禁带产品有出色的性能优势,有助于高频应用实现高能效、高功率密度。安森美半导体作为顶尖的功率器件半导体供应商,除了提供适合全功率范围的高性能硅方案,也处于实现宽禁带的前沿,具备全面的宽禁带阵容,产品涵盖碳化硅(SiC)、氮化镓(GaN)分立器件、模块乃至围绕宽禁带方案的独一无二的生态系统,为设计人员提供针对不同应用需求的更多的选择。
宽禁带应用趋势
据市场调研机构IHS,从2016年到2027年SiC和GaN应用将激增,包括电动/混动汽车及充电桩基础设施、太阳能逆变器、电源、工业电机驱动、不间断电源(UPS)、军事/航空等应用领域,其中电动/混动汽车、太阳能逆变器、电源将是主要的应用市场。
图1直观地表示了各功率器件的频率、输出功率及汽车宽禁带应用。Si的功率覆盖范围较广,但频率不上去。超级结(SJ)的产品可以提高工作频率,使用的范围更广一点。SiC相对具有高频、高功率的能力,但频率范围比GaN低一点,而GaN有最高频率范围,功率却相对低一点。
以汽车应用为例,在汽车功能电子化的趋势下,为实现更高的能效,要提高电池电压,这就需要考虑宽禁带方案。如SiC可用于要求小型化、高功率的应用,如牵引逆变器,采用400 V电池的逆变器能效增加65%,采用800 V电池的逆变器能效提升则可达80%。
GaN则在车载充电(OBC)方面更有优势,因为OBC的可用空间有限,而GaN频率范围更高,可缩减系统体积,降低开关损耗,实现更高能效。
封装将是市场上宽禁带产品用于汽车的关键:高功率模块用于逆变器以优化散热,减小尺寸;为支持高能效的高频开关,需采用极低电感的封装或模块用于OBC。

图1:各类功率器件的频率、输出功率范围及汽车宽禁带应用
当然,还有很多系统采用Si技术就可以满足需求,宽禁带器件的成本比硅器件要高,所以需要根据应用需求和成本去综合考量具体使用哪一种技术,以优化设计。安森美半导体的优势在于拥有全系列Si、SJ、SiC和GaN技术以支持客户。
安森美半导体的SiC二极管具有同类最佳的性能和可靠性
SiC二极管没有反向恢复电流,开关性能与温度无关,这比硅二极管大大降低了开关损耗,具有更佳的热性能,从而实现更高能效。更快的开关还支持设计人员减少磁性线圈和相关的无源器件的尺寸,从而增加功率密度,降低物料单(BOM)成本。SiC产品能稳定的开关于宽温度范围,零电压恢复消除了电压过冲也有助于SiC的高性能。
安森美半导体的SiC技术具有独特的专利终端结构,进一步加强可靠性并提升稳定性和耐用性,提供更高的雪崩能量、业界最高的非钳位感应开关(UIS)能力和最低的漏电流。安森美半导体的650 V和1200 V SiC技术结合优越的开关性能、更高可靠性和低电磁干扰(EMI),非常适合下一代电源转换应用,如太阳能逆变器、电源、电动汽车和工业自动化。其中,650 V、1200 V SiC 二极管系列分别提供6 A到50 A、5 A到50 A的额定电流,都提供表面贴装和通孔封装,包括TO-247、TO-220、D2PAK、DPAK和易于以现有的电路板制造能力整合的裸片/晶圆,且都具有零反向恢复、比同类最佳的竞争器件更低的正向电压、不受温度影响的电流稳定性、承受更高的浪涌电流和正温度系数,从而实现极佳的强固性。
例如,安森美半导体1200 V、15 A的一款SiC二极管,雪崩电流接近200 A (3500 A/cm2),8.2 ms 脉冲可以承受158 A (>10倍 额定值) 非破坏性的浪涌电流,33 µs 脉冲可以承受740 A更高的浪涌电流,而小很多的电流将会使一个平面肖特基二极管发生故障。我们在85C/85% RH的高温度/湿度/偏置VCE=960V的测试条件下进行了对比测试,结果显示,竞争SiC器件(1200V、8A)在168小时后发生故障,而安森美半导体SiC器件(1200V, 10A)通过了1000小时的测试,可见安森美半导体的SiC二极管的可靠性更高。

表1. 安森美半导体的650 V SiC二极管

表2. 安森美半导体的1200 V SiC二极管
其中,FFSHx0120和FFSHx065是符合AEC-Q101车规的汽车级SiC二极管,能在恶劣的电气环境中可靠地工作,为汽车应用带来能效、性能、功率密度等多方面的显著优势。
SiC MOSFET门极驱动器用于高性能的工业逆变器和电机驱动器
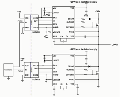
SiC MOSFET有独特的门极驱动要求。安森美半导体的NCP51705 是经优化的SiC MOSFET门极驱动器,具备高度的灵活性和集成度,能高效、可靠地驱动市场上任何SiC MOSFET。峰值输出电流高达6 A,正额定电压可扩展,集成负压充电泵,能提供-5 V驱动电压,可调的欠压保护(UVLO),退饱和(DESAT)检测短路保护,过热关断保护。NCP51705支持设计人员根据需求进行调试,具有简单的BoM,无需额外的DC-DC电路,提供负压实现快速关断,采用4 mm x 4 mm QFN24的极小封装,适用于工业逆变器、电机驱动、高性能功率因数校正(PFC)、AC-DC及DC-DC转换器。图2所示为SiC MOSFET门极驱动器NCP51705的典型线路图。

图2:典型的半桥隔离门极驱动电路
SiC MOSFET门极驱动器要点包括:
类似于传统的硅MOSFET驱动器, 在开关时提供高峰值电流,以对CGS和CGD电容快速充放电
为实现最低的RDS(ON,在导通时间内需要提供20V至22V 门极驱动电压
为实现最快的关断速度和在关态期间不受dV/dt 影响,在关断期内驱动器应将门极拉至 约-5V
通过使用低电感封装或共同封装来减轻驱动或开关时源电感的负反馈效应,如漏感引起的振荡、干扰等
安森美半导体提供宽禁带生态系统
为加速设计,安森美半导体提供一个重点围绕宽禁带方案的独一无二的生态系统,包括SiC、GaN、门极驱动、创新的封装和先进的仿真工具SPICE模型。该SPICE模型直观、准确、具预测性,支持系统级仿真,设计人员可有把握地仿真数据表中未涵盖的工作条件,从而提前在仿真过程进行评估,加快开发流程。该SPICE模型还可连接到多种行业标准的仿真平台端口。
总结
宽禁带产品提供卓越的性能优势,将越来越多地用于太阳能逆变器、电动汽车、数据中心等高压电源应用,但目前成本压力较大,而有些系统其实用硅方案就可满足需求,所以硅方案也是有很大的使用空间,并且超级结技术可延展硅的使用场景。安森美半导体作为全球第二大电源半导体供应商,提供适合全功率范围的高性能硅方案、650 V和1200 V SiC二极管,并即将推出1200V SiC MOSFET和650V GaN MOSFET,配以先进的封装技术和直观、准确的SPICE模型,有助于提供一个完整的生态系统,帮助设计人员以适当的成本实现最适合应用所需的优化的设计,并加快设计进程。
史海拾趣
|
本来有个2440的源码可以改的,以为SD卡部分可以不用改,轻松了.结果发现2440和我的2416在SD卡支持方面差别比较大. 大家帮忙讲讲SD卡读写方面的知识(SD设备,不是SPI也不是MMC).就当是复习吧,也可以告诉我哪有SD卡方面的资料看,这些资料网上比较少.… 查看全部问答> |
|
求教: 本人做了一个16*16的LED屏,它是由89C52+74HC154控制 P0和P2口控制行(LED的阳级) P1口连接74HC154控制列(LED阴级) 现在问题是输出的字是看不懂,求高手指点. uchar code hanzi[]={ 0x00,0x01,0x01,0x01,0x01,0x01,0x01,0x01,0x01,0x01,0x ...… 查看全部问答> |
|
想请教大神,MSP430 存储器有boot memory :地址0xc000h ~ 0x0fffh, 这段memory用户可以进行读写么?… 查看全部问答> |




