历史上的今天
今天是:2024年12月11日(星期三)
2018年12月11日 | stm32按键中断点灯
2018-12-11 来源:eefocus
原理学习:
中断总结:
1.中断是由硬件产生的 2.中断要有中断服务程 3.
中断理解:
郭工正在上课(cpu正在运行)→有人来敲门(EXIT外部中断)→郭工把正在执行的程序放下保存现在的现场(cpu记住程序执行到哪,执行到exti了,记住现场)→郭工去开门(执行中断处理程序→返回现场(返回中断之前的代码执行)
中断分级理解:
有很多个门。1号门敲门,在执行开1号门途中,2号门VIP敲门,停止1号门处理程序,去开2号门;3号门超级VIP敲门,停止2号门处理程序,去开3号门;处理完3号门回去开2号门,开完2号门回去开1号门,再返回课堂现场。
Stack_Size EQU 0x00000200 ;//定义堆栈大小
AREA STACK, NOINIT, READWRITE, ALIGN=3 ;//定义一个数据段 按8字节对齐
Stack_Mem SPACE Stack_Size ;//保留Stack_Size大小的堆栈空间
__initial_sp ;//标号,代表堆栈顶部地址,后面有用
;//
;//
;//
Heap_Size EQU 0x00000020 ;//定义堆空间大小
AREA HEAP, NOINIT, READWRITE, ALIGN=3 ;//定义一个数据段,8字节对齐
__heap_base
Heap_Mem SPACE Heap_Size ;//保留Heap_Size的堆空间
__heap_limit ;//标号,代表堆末尾地址,后面有用
PRESERVE8 ;//指示编译器8字节对齐
THUMB ;//指示编译器为THUMB指令
; Vector Table Mapped to Address 0 at Reset
AREA RESET, DATA, READONLY ;//定义只读数据段,其实放在CODE区,位于0地址
EXTERN NMIException
EXTERN HardFaultException
EXTERN MemManageException
EXTERN BusFaultException
EXTERN UsageFaultException
EXTERN SVCHandler
EXTERN DebugMonitor
EXTERN PendSVC
EXTERN SysTickHandler ;//声明这些符号在外部定义,同C
;//在××it.c中实现这些函数 ,中断就能自动调用了
EXPORT __Vectors
__Vectors DCD __initial_sp ;//Cotex-M要求此处为堆栈顶部地址 0X0000 0000
DCD Reset_Handler ;//一上电就产生复位信号 0X0000 0004
DCD NMIException ;//不可屏蔽中断 0X0000 0008
DCD HardFaultException ;//硬件失效 0X0000 000C
DCD MemManageException ;//存储管理 0X0000 0010
DCD BusFaultException ;//总线错误 0X0000 0014
DCD UsageFaultException ;//错误应用 0X0000 0018
DCD 0 ;//保留位
DCD 0 ;
DCD 0 ;
DCD 0 ;//保留位
DCD SVCHandler ;// SWT指令的系统服务调用0X0000 002B
DCD DebugMonitor ;//调试监控器 0X0000 002C
DCD 0 ;//保留位
DCD PendSVC ;//PendSV Handler
DCD SysTickHandler ; //系统滴答定时器
; External Interrupts //一大堆的异常处理函数地址
EXTERN WWDG_IRQHandler //窗口定时器中断
EXTERN PVD_IRQHandler //连到EXTI电源电压检测中断
EXTERN TAMPER_IRQHandler //侵入检测中断
EXTERN RTC_IRQHandler //实时时钟全局中断
EXTERN FLASH_IRQHandler //闪存全局终端
EXTERN RCC_IRQHandler //复位和时钟控制RCC中断
EXTERN EXTI0_IRQHandler //EXTI线0中断
EXTERN EXTI1_IRQHandler //EXTI线1中断
EXTERN EXTI2_IRQHandler //EXTI线2中断
EXTERN EXTI3_IRQHandler //EXTI线3中断
EXTERN EXTI4_IRQHandler //EXTI线4中断(一共五组外部中断)
EXTERN DMAChannel1_IRQHandler
EXTERN DMAChannel2_IRQHandler
EXTERN DMAChannel3_IRQHandler
EXTERN DMAChannel4_IRQHandler
EXTERN DMAChannel5_IRQHandler
EXTERN DMAChannel6_IRQHandler
EXTERN DMAChannel7_IRQHandler
EXTERN ADC_IRQHandler
EXTERN USB_HP_CAN_TX_IRQHandler
EXTERN USB_LP_CAN_RX0_IRQHandler
EXTERN CAN_RX1_IRQHandler
EXTERN CAN_SCE_IRQHandler
EXTERN EXTI9_5_IRQHandler
EXTERN TIM1_BRK_IRQHandler
EXTERN TIM1_UP_IRQHandler
EXTERN TIM1_TRG_COM_IRQHandler
EXTERN TIM1_CC_IRQHandler
EXTERN TIM2_IRQHandler
EXTERN TIM3_IRQHandler
EXTERN TIM4_IRQHandler
EXTERN I2C1_EV_IRQHandler
EXTERN I2C1_ER_IRQHandler
EXTERN I2C2_EV_IRQHandler
EXTERN I2C2_ER_IRQHandler
EXTERN SPI1_IRQHandler
EXTERN SPI2_IRQHandler
EXTERN USART1_IRQHandler
EXTERN USART2_IRQHandler
EXTERN USART3_IRQHandler
EXTERN EXTI15_10_IRQHandler
EXTERN RTCAlarm_IRQHandler
EXTERN USBWakeUp_IRQHandler ;//同上,
DCD WWDG_IRQHandler ; Window Watchdog
DCD PVD_IRQHandler ; PVD through EXTI Line detect
DCD TAMPER_IRQHandler ; Tamper
DCD RTC_IRQHandler ; RTC
DCD FLASH_IRQHandler ; Flash
DCD RCC_IRQHandler ; RCC
DCD EXTI0_IRQHandler ; EXTI Line 0
DCD EXTI1_IRQHandler ; EXTI Line 1
DCD EXTI2_IRQHandler ; EXTI Line 2
DCD EXTI3_IRQHandler ; EXTI Line 3
DCD EXTI4_IRQHandler ; EXTI Line 4
DCD DMAChannel1_IRQHandler ; DMA Channel 1
DCD DMAChannel2_IRQHandler ; DMA Channel 2
DCD DMAChannel3_IRQHandler ; DMA Channel 3
DCD DMAChannel4_IRQHandler ; DMA Channel 4
DCD DMAChannel5_IRQHandler ; DMA Channel 5
DCD DMAChannel6_IRQHandler ; DMA Channel 6
DCD DMAChannel7_IRQHandler ; DMA Channel 7
DCD ADC_IRQHandler ; ADC
DCD USB_HP_CAN_TX_IRQHandler ; USB High Priority or CAN TX
DCD USB_LP_CAN_RX0_IRQHandler ; USB Low Priority or CAN RX0
DCD CAN_RX1_IRQHandler ; CAN RX1
DCD CAN_SCE_IRQHandler ; CAN SCE
DCD EXTI9_5_IRQHandler ; EXTI Line 9..5
DCD TIM1_BRK_IRQHandler ; TIM1 Break
DCD TIM1_UP_IRQHandler ; TIM1 Update
DCD TIM1_TRG_COM_IRQHandler ; TIM1 Trigger and Commutation
DCD TIM1_CC_IRQHandler ; TIM1 Capture Compare
DCD TIM2_IRQHandler ; TIM2
DCD TIM3_IRQHandler ; TIM3
DCD TIM4_IRQHandler ; TIM4
DCD I2C1_EV_IRQHandler ; I2C1 Event
DCD I2C1_ER_IRQHandler ; I2C1 Error
DCD I2C2_EV_IRQHandler ; I2C2 Event
DCD I2C2_ER_IRQHandler ; I2C2 Error
DCD SPI1_IRQHandler ; SPI1
DCD SPI2_IRQHandler ; SPI2
DCD USART1_IRQHandler ; USART1
DCD USART2_IRQHandler ; USART2
DCD USART3_IRQHandler ; USART3
DCD EXTI15_10_IRQHandler ; EXTI Line 15..10
DCD RTCAlarm_IRQHandler ; RTC Alarm through EXTI Line
DCD USBWakeUp_IRQHandler ; USB Wakeup from suspend ;//同上
AREA |.text|, CODE, READONLY ;//定义代码段
; Reset Handler
Reset_Handler PROC ;//Rset_Handler的实现
EXPORT Reset_Handler [WEAK] ;//在外部没有定义该符号时导出该符号,见HELP中[WEAK]
IMPORT __main ;//导入符号,__main为 运行时库提供的函数;完成堆栈,堆的初始话
LDR R0, =__main ;//等工作,会调用下面定义的__user_initial_stackheap;
BX R0 ;//跳到__main,进入C的世界
ENDP
ALIGN
; User Initial Stack & Heap
IF :DEF:__MICROLIB ;//如果使用micro lib,micro lib 描述见armlib.chm
EXPORT __initial_sp
EXPORT __heap_base
EXPORT __heap_limit ;//只导出几个定义
ELSE ;//如果使用默认C运行时库
IMPORT __use_two_region_memory
EXPORT __user_initial_stackheap
__user_initial_stackheap ;//则进行堆栈和堆的赋值,在__main函数执行过程中调用。
LDR R0, = Heap_Mem
LDR R1, =(Stack_Mem + Stack_Size)
LDR R2, = (Heap_Mem + Heap_Size)
LDR R3, = Stack_Mem
BX LR
ALIGN
ENDIF
END
EXTERN EXTI0_IRQHandler //EXTI线0中断
EXTERN EXTI1_IRQHandler //EXTI线1中断
EXTERN EXTI2_IRQHandler //EXTI线2中断
EXTERN EXTI3_IRQHandler //EXTI线3中断
EXTERN EXTI4_IRQHandler //EXTI线4中断(一共五组外部中断)
EXTERN DMAChannel1_IRQHandler
EXTERN DMAChannel2_IRQHandler
EXTERN DMAChannel3_IRQHandler
EXTERN DMAChannel4_IRQHandler
EXTERN DMAChannel5_IRQHandler
EXTERN DMAChannel6_IRQHandler
EXTERN DMAChannel7_IRQHandler
EXTERN ADC_IRQHandler
EXTERN USB_HP_CAN_TX_IRQHandler
EXTERN USB_LP_CAN_RX0_IRQHandler
EXTERN CAN_RX1_IRQHandler
EXTERN CAN_SCE_IRQHandler
EXTERN EXTI9_5_IRQHandler
EXTERN TIM1_BRK_IRQHandler
EXTERN TIM1_UP_IRQHandler
EXTERN TIM1_TRG_COM_IRQHandler
EXTERN TIM1_CC_IRQHandler
EXTERN TIM2_IRQHandler
EXTERN TIM3_IRQHandler
EXTERN TIM4_IRQHandler
EXTERN I2C1_EV_IRQHandler
EXTERN I2C1_ER_IRQHandler
EXTERN I2C2_EV_IRQHandler
EXTERN I2C2_ER_IRQHandler
EXTERN SPI1_IRQHandler
EXTERN SPI2_IRQHandler
EXTERN USART1_IRQHandler
EXTERN USART2_IRQHandler
EXTERN USART3_IRQHandler
EXTERN EXTI15_10_IRQHandler
EXTERN RTCAlarm_IRQHandler
EXTERN USBWakeUp_IRQHandler ;//同上,
DCD WWDG_IRQHandler ; Window Watchdog
DCD PVD_IRQHandler ; PVD through EXTI Line detect
DCD TAMPER_IRQHandler ; Tamper
DCD RTC_IRQHandler ; RTC
DCD FLASH_IRQHandler ; Flash
DCD RCC_IRQHandler ; RCC
DCD EXTI0_IRQHandler ; EXTI Line 0
DCD EXTI1_IRQHandler ; EXTI Line 1
DCD EXTI2_IRQHandler ; EXTI Line 2
DCD EXTI3_IRQHandler ; EXTI Line 3
DCD EXTI4_IRQHandler ; EXTI Line 4
DCD DMAChannel1_IRQHandler ; DMA Channel 1
DCD DMAChannel2_IRQHandler ; DMA Channel 2
DCD DMAChannel3_IRQHandler ; DMA Channel 3
DCD DMAChannel4_IRQHandler ; DMA Channel 4
DCD DMAChannel5_IRQHandler ; DMA Channel 5
DCD DMAChannel6_IRQHandler ; DMA Channel 6
DCD DMAChannel7_IRQHandler ; DMA Channel 7
DCD ADC_IRQHandler ; ADC
DCD USB_HP_CAN_TX_IRQHandler ; USB High Priority or CAN TX
DCD USB_LP_CAN_RX0_IRQHandler ; USB Low Priority or CAN RX0
DCD CAN_RX1_IRQHandler ; CAN RX1
DCD CAN_SCE_IRQHandler ; CAN SCE
DCD EXTI9_5_IRQHandler ; EXTI Line 9..5
DCD TIM1_BRK_IRQHandler ; TIM1 Break
DCD TIM1_UP_IRQHandler ; TIM1 Update
DCD TIM1_TRG_COM_IRQHandler ; TIM1 Trigger and Commutation
DCD TIM1_CC_IRQHandler ; TIM1 Capture Compare
DCD TIM2_IRQHandler ; TIM2
DCD TIM3_IRQHandler ; TIM3
DCD TIM4_IRQHandler ; TIM4
DCD I2C1_EV_IRQHandler ; I2C1 Event
DCD I2C1_ER_IRQHandler ; I2C1 Error
DCD I2C2_EV_IRQHandler ; I2C2 Event
DCD I2C2_ER_IRQHandler ; I2C2 Error
DCD SPI1_IRQHandler ; SPI1
DCD SPI2_IRQHandler ; SPI2
DCD USART1_IRQHandler ; USART1
DCD USART2_IRQHandler ; USART2
DCD USART3_IRQHandler ; USART3
DCD EXTI15_10_IRQHandler ; EXTI Line 15..10
DCD RTCAlarm_IRQHandler ; RTC Alarm through EXTI Line
DCD USBWakeUp_IRQHandler ; USB Wakeup from suspend ;//同上
AREA |.text|, CODE, READONLY ;//定义代码段
; Reset Handler
Reset_Handler PROC ;//Rset_Handler的实现
EXPORT Reset_Handler [WEAK] ;//在外部没有定义该符号时导出该符号,见HELP中[WEAK]
IMPORT __main ;//导入符号,__main为 运行时库提供的函数;完成堆栈,堆的初始话
LDR R0, =__main ;//等工作,会调用下面定义的__user_initial_stackheap;
BX R0 ;//跳到__main,进入C的世界
ENDP
ALIGN
; User Initial Stack & Heap
IF :DEF:__MICROLIB ;//如果使用micro lib,micro lib 描述见armlib.chm
EXPORT __initial_sp
EXPORT __heap_base
EXPORT __heap_limit ;//只导出几个定义
ELSE ;//如果使用默认C运行时库
IMPORT __use_two_region_memory
EXPORT __user_initial_stackheap
__user_initial_stackheap ;//则进行堆栈和堆的赋值,在__main函数执行过程中调用。
LDR R0, = Heap_Mem
LDR R1, =(Stack_Mem + Stack_Size)
LDR R2, = (Heap_Mem + Heap_Size)
LDR R3, = Stack_Mem
BX LR
ALIGN
ENDIF
END

EXTI16(0-15)组外部中断:EXTI 0-4 有独立的中断服务处理程序

EXTI5-9用的是一个中断服务处理程序

EXTI10-15用的是一个中断服务处理程序
举例:



清除中断标志位的意思是:关中断。
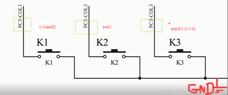
【EXIT与GPIO连接图】
注意:一个中断只能同时被一个引脚使用,eg:对于EXTI0,PA0、PB0引脚不能同时作为中断的输入模式,因为他们的中断向量号都一样,都是EXTI0,无法判断优先级。就不知道是哪个管脚产生中断啦。

...
...

【电路图】

【中断有4种触发方式】
1.电平触发 :高电平触发:电平=1,产生中断 ; 低电平触发:电平=0,产生中断
2.沿触发:上升沿触发:电平0->1,产生中断; 下降沿触发:电平1->0,产生中断
【分析:涉及按键KEY,应该选择哪种触发呢?】
1.高电平触发,没按按键时,上拉电阻拉为高电平,一直产生中断×
2.低电平触发,按下按键,接GND,变为低电平,一直产生中断×
3.上升沿触发,按键释放时,0->1,此时产生中断,按键已经释放,就无法消抖了。×
4.下降沿触发默认高电平,当按键按下,1->0与GND连通变低电平,产生中断(下降沿触发)√
下一篇:STM32中断方式检测按键
史海拾趣
|
本帖最后由 paulhyde 于 2014-9-15 09:00 编辑 http://v.youku.com/v_show/id_XMTA3NTQ3Njky.html … 查看全部问答> |
|
刚好身边有两个号码需要充值,一个联通,一个移动。 直接登录联通网站,输入号码后,就可以直接充值,基本操作需要(算上仔细检查的时间)5分钟吧! 登录移动网站,也许是移动业务太多的缘故,一下子迷失在里面,经过几番周折,进了充值页面,跳 ...… 查看全部问答> |
|
在用户手册上没有针对User Leds的一些定义, 只有一个LED的ADS工程,但是编译好以后将bin下载到板子上运行,User Leds似乎没反应,所以我判断工程有问题. 现在想自己编写代码操作User Leds,大家是怎么做的?… 查看全部问答> |
|
*((volatile unsigned *)i)=0xEA000000+0x1FFE; *((volatile unsigned *)i)=0xEA000000+0x1FFE; 上面的这段代码一直看不懂是什么意思: 在启动文件里面,将中断的地址映射到了_ISR_STARTADDRESS为起始地址处。 在C语言的主程序里面也是将中断服务程序定义到了_ISR_STARTADDRESS处。如 #define ...… 查看全部问答> |
|
我想问问大家,我用jtag烧录好bootloader后,然后串口更新应用程序,但是应用程序就是不能运行,全部用的是例程里面的程序,也不知道为什么就不是不运行。应用程序起始地址为0x00001000,网上说bl.sct 这个文件也要配置,这个我不知道,我没改过, ...… 查看全部问答> |
|
详细可联系 QQ:348075293 手机:13732189922 [local]1[/local]参考价550(包含仿真器、串口转接、串口扩展,如不需这些配件,价格可议)… 查看全部问答> |
|
新年的假期结束了,大家开始回到工作岗位或者回到学校,又要回到往常的忙碌的工作和生活中了。在春节期间,咱们都忙着吃吃喝喝玩玩,现在得振作起来了,打到节后综合症。我们版块也要活跃起来,新年新气象,咱们一起来学习430,开展新一轮的活动, ...… 查看全部问答> |




