历史上的今天
今天是:2024年12月26日(星期四)
2018年12月26日 | STM32—RCC时钟
2018-12-26 来源:eefocus
前言:
最近在调试STM32L152芯片,本文总结下STM32L152的RCC时钟配置方法。
硬件平台:STM32L152
软件平台:keil v5+cubeMX
函数库:HAL库
内容:
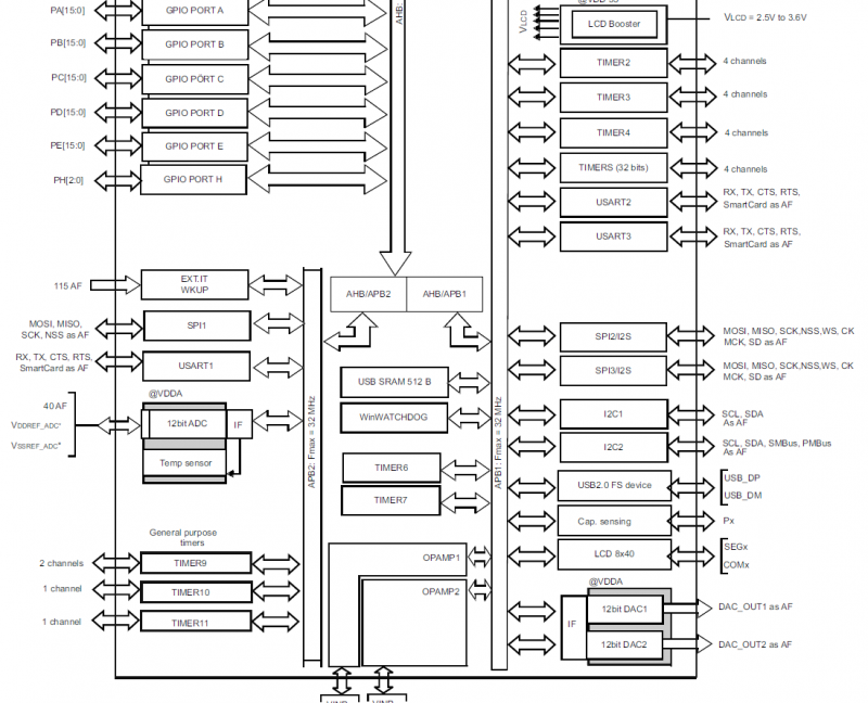
RCC:Reset and Clock Control,复位与时钟控制系统。系统复位有三种:系统复位、电源复位、RTC domain复位。复位内容本文暂不详解,本文重点详解Clock Control部分。下面看下STM32L152芯片的时钟框图和cubeMX软件中的时钟框图。



如上图所示,在STM32中,有五个时钟源,为HSI、HSE、LSI、LSE、PLL。
①HSI:High Speed Internal,高速内部时钟,RC振荡器;
②HSE:High Speed External,高速外部时钟,可接石英/陶瓷谐振器,或者接外部时钟源;
③LSI:Low Speed Internal,低速内部时钟,RC振荡器,频率为37kHz;
④LSE:Low Speed External,低速外部时钟,接频率为32.768kHz的石英晶体;
⑤PLL:Phase Locked Loop,锁相环倍频分频输出。
另外,STM32还具有双时钟机制,即时钟安全系统CSS(Clock Security System)。在外部晶振不工作时,转而使用内部RC振荡器作为自己时钟心跳保证系统正常运行。当外部晶振恢复正常后,重新使用外部晶振。
上图中也提到3种时钟,FCLK、HCLK和PCLK。简单介绍下三种时钟。
(1)FCLK:Free Running Clock,为CPU提供时钟信号,平时说的CPU主频,就是这个时钟信号,1/Fclk即为CPU时钟周期;
(2)HCLK:为AHB bus peripherals提供时钟信号,AHB:advanced high-performance bus;HCLK是高速外设时钟,一般给内存、flash提供时钟。
(3)PCLK:为APB bus peripherals供给时钟信号,APB:advanced peripherals bus;PCLK是低速外设时钟,一般给CAN、USB、I2C、USART、SPI、Timer、ADC和DAC提供时钟信号。下面结合Cubemx生成的系统时钟原程序进行分析。
void SystemClock_Config(void)
{
RCC_OscInitTypeDef RCC_OscInitStruct;
RCC_ClkInitTypeDef RCC_ClkInitStruct;
RCC_PeriphCLKInitTypeDef PeriphClkInit;
/**Configure the main internal regulator output voltage
*/
__HAL_PWR_VOLTAGESCALING_CONFIG(PWR_REGULATOR_VOLTAGE_SCALE1);//设置调压器输出电压级别1,用来设置调压器输出电压级别,器件未以最大 频率工作,达到性能和功耗平衡
/**Initializes the CPU, AHB and APB busses clocks
*/
RCC_OscInitStruct.OscillatorType = RCC_OSCILLATORTYPE_HSI|RCC_OSCILLATORTYPE_LSI
|RCC_OSCILLATORTYPE_HSE;
RCC_OscInitStruct.HSEState = RCC_HSE_ON;
RCC_OscInitStruct.HSIState = RCC_HSI_ON;
RCC_OscInitStruct.HSICalibrationValue = 16;//HSI时钟16M
RCC_OscInitStruct.LSIState = RCC_LSI_ON;
RCC_OscInitStruct.PLL.PLLState = RCC_PLL_ON;
RCC_OscInitStruct.PLL.PLLSource = RCC_PLLSOURCE_HSE;//PLL时钟源为HSE
RCC_OscInitStruct.PLL.PLLMUL = RCC_PLL_MUL8;//8倍频
RCC_OscInitStruct.PLL.PLLDIV = RCC_PLL_DIV2;//2分频
if (HAL_RCC_OscConfig(&RCC_OscInitStruct) != HAL_OK)//初始化
{
_Error_Handler(__FILE__, __LINE__);
}
/**Initializes the CPU, AHB and APB busses clocks
*/
RCC_ClkInitStruct.ClockType = RCC_CLOCKTYPE_HCLK|RCC_CLOCKTYPE_SYSCLK
|RCC_CLOCKTYPE_PCLK1|RCC_CLOCKTYPE_PCLK2;
RCC_ClkInitStruct.SYSCLKSource = RCC_SYSCLKSOURCE_PLLCLK;
RCC_ClkInitStruct.AHBCLKDivider = RCC_SYSCLK_DIV1;//AHB 1分频
RCC_ClkInitStruct.APB1CLKDivider = RCC_HCLK_DIV1;//APB1 1分频
RCC_ClkInitStruct.APB2CLKDivider = RCC_HCLK_DIV1;//APB2 1分频
if (HAL_RCC_ClockConfig(&RCC_ClkInitStruct, FLASH_LATENCY_1) != HAL_OK)//初始化
{
_Error_Handler(__FILE__, __LINE__);
}
PeriphClkInit.PeriphClockSelection = RCC_PERIPHCLK_RTC;
PeriphClkInit.RTCClockSelection = RCC_RTCCLKSOURCE_LSI;//RTC时钟选择LSI
if (HAL_RCCEx_PeriphCLKConfig(&PeriphClkInit) != HAL_OK)
{
_Error_Handler(__FILE__, __LINE__);
}
/**Configure the Systick interrupt time
*/
HAL_SYSTICK_Config(HAL_RCC_GetHCLKFreq()/1000);//滴答定时器配置
/**Configure the Systick
*/
HAL_SYSTICK_CLKSourceConfig(SYSTICK_CLKSOURCE_HCLK);//滴答定时器选择HCLK 不分频
/* SysTick_IRQn interrupt configuration */
HAL_NVIC_SetPriority(SysTick_IRQn, 0, 0);//滴答定时器中断优先级
}
上一篇:STM323中低功耗模式
史海拾趣
|
引用:原帖由 soso 于 2009-2-27 14:57 发表 能否将图列出来 再放一些技术参数呢,这样可以更直接看到 按SOSO所说,我分两个主题发,因为跟贴后面没有找到附件按钮 … 查看全部问答> |
|
在Ardence RTX 8.1(一个windows下的实时平台,www.ardence.com)开发环境下, intel 82566 mm网卡的驱动程序,能收到数据,但是发送失败 据说是AMT的影响,但是我们明明在BIOS里禁用了这个东西。 而且windows下和linux下的驱动程序都是工作的好 ...… 查看全部问答> |
|
vc2005开发的智能设备ocx使用哪个命令能在pda上注册? 注册时这个ocx是不是必须在windows目录下? vc2005开发的智能设备ocx使用哪个命令能在pda上注册? 注册时这个ocx是不是必须在windows目录下?… 查看全部问答> |
|
各位高手快来看看啊,现在在做一个网口芯片的驱动设计,但是调过后发现只能发送数据,接收端接收不到数据是什么原因呢? 目前在调DM9000快速以太网网口芯片,按照硬件手册,编写驱动程序,但是上板子上调了以后,发现只可以发送数据,却不能够接收到数据,请问有没有哪位高手做过这个,可不可以给我说说这会是什么样的原因,可能是硬件的原因,还是我编写的软件程序有问 ...… 查看全部问答> |
|
arm-linux-gcc -D__KERNEL__ -I/friendly-arm/kernel/include -Wall -Wstrict-prototypes -Wno-trigraphs -Os -mapcs -fno-strict-aliasing -fno-common -fno-common -pipe -mapcs-32 -march=armv4 -mtune=arm9tdmi -mshort-load-bytes -msoft-floa ...… 查看全部问答> |
|
EG3关于嵌入式开发的站点,提供非常多关于嵌入式开发的资料。包括开发公司,技术文档,免费资源等等。版面包括busses & boards,embedded software,dsp,embedded systems,open source,rtos,embedded chips,system-on-a-chip 等等。强烈推荐http:// ...… 查看全部问答> |




