历史上的今天
今天是:2024年12月29日(星期日)
2018年12月29日 | 更灵敏的手势之别——微芯科技MGC3130
2018-12-29
GestIC技术:
类似于电容式触摸感应,GestIC 技术采用电子场 (E-field) 感应来检测手势。 电极隐藏于器件外壳,能够实现美观的工业设计,而无需安装孔或其它基于摄像头或红外感应型系统所常见的各种开口。 其它优势包括:
完整的表面覆盖范围,无盲点
内置自适应噪声滤波
低成本
唯一具有内置自动唤醒/睡眠功能的手势解决方案,<100 µA 休眠电流
降低了系统复杂性
MGC3030/MGC3130/MGC3140介绍:
集成片上执行的手势识别 GestIC 技术,它降低了复杂性,无需额外的处理,从而缩短产品上市时间。手势套件使 MGC3030/MGC3130 控制器即使在系统其余部分断电或处于省电模式时仍能够识别手势。该器件可现场升级,以确保系统在将来可容纳和使用更多的手势算法。与语音和语言一样,每个人的手势具有独特的时间、幅度和其它不同度量。集成的GestIC Technology Colibri Suite 利用隐马尔可夫模型实现各种不同的手势高速率识别。它可探测故意手势和一般手部动作之间的细微差异,以避免响应意外手势。作为低功耗混合信号片上系统 (SoC),MGC3x30 控制器提供了丰富的智能功能特性如下:
0(触摸)至 10 cm 处检测范围
高达 200 Hz (5 ms) 的快速报告速率
现场可升级的板载手势套件
数字接口 (I2C) 和可配置的 GPIO

MGC3030/MGC3130/MGC3140内部框图:

GestIC技术3D手势识别原理:

•运用电近场传感
•电极检测用户操作
•GestIC技术将信号处理为位置和手势
•主机使用手势数据控制用户界面
MGC3030/MGC3130/MGC3140 能够实现的手势识别:


PCB硬件上电极设计:
•框架形电极
•1个发送电极Tx
•4-5个接收电极Rx
•双层叠加
•可选GND层


MGC3130 软件架构 :
MGC3130 系统可从两个软件层访问:
• 通过GestIC 库消息接口的I2C 直接访问(直接接口)
• 通过作为消息抽象层的GestIC API (管理接口)

直接接口是访问MGC3130 的最简单方式,但它需要用户接收和解码所有I2C 消息,并验证接收到的数据。如果应用程序采用缩减的传感器数据集(如仅手势和仅位置),则推荐直接访问。通过GestIC API 的管理接口提供已解码和已验证的传感器数据,这些数据可由应用程序直接采用。通常, GestIC API 运行在PC 应用程序或操作系统驱动程序中,这些程序将数据提供给应用软件。
GestIC 软件库 :
GestIC 库是存储在MGC3130 内部闪存中的嵌入式固件。它包含:
• Colibri Suite,涵盖实现GestIC 功能的数字信号处理算法(GestIC 的核心功能有:接近检测、位置跟踪和手势识别)
• 系统控制模块,提供对主机接口、参数存储和AFE 访问的完全控制
• 用于GestIC 库更新的库加载程序
GestIC 库包含一个基于消息的接口,可用于配置芯片并将传感器数据传输给主机应用
程序。

桥接器 :
如果应用主机不支持本地I2C 接口,则需要附加硬件桥接器。桥接器将I2C 硬件协议
转换成USB/UART。如果引入桥接器硬件,则应用主机需要一个附加设备驱动程序,以注册接口并提供操作系统内的MGC3130数据。
例如:
• Windows CDC 驱动程序将MGC3130数据发送给一个虚拟COM 端口。在这种情况下,驱动程序不了解MGC3130数据格式。
• HID驱动程序直接将MGC3130数据作为操作系统中的USB HID 类使用。此类驱动程序必须解码MGC3130消息,因此建议将GestIC API 参考代码作为其一部分。

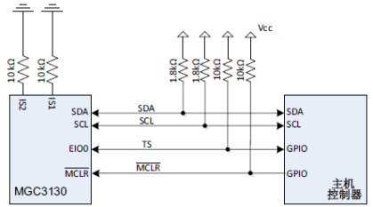
MGC3130硬件接口 :
通过一个双线I2C 兼容串口来实现与MGC3130 的通信,该串口支持用户读取传感器数据并将控制消息发送给芯片。它通过串行接口与主控制器通信,工作速度高达400 kHz。一个引脚(IS2)用于地址选择,使用户能够在同一条总线上连接最多两个MGC3130器件,而不会发生地址冲突。另外,MGC3130 需要一条专用的能提供数据传输状态的传输状态线(TS)。它由I2C主从器件使用来控制数据流。I2C SCL、I2C SDA 和TS 线要求在MGC3130 和连接的主机控制器上采用漏极开路连接。为了正常工作,需要在I2C SCL 和VCC 以及I2CSDA 和VCC 之间连接1.8 kΩ 的上拉电阻,在TS 线和VCC 之间连接10 kΩ 的上拉电阻。

为了实现MGC3130 的控制选项,建议主机控制器控制MGC3130 MCLR 线。尤其是硬件复位对于GestIC 库更新过程很必要。
AUREA图形用户界面:
上位机软件Aurea主要用来配置MGC3130和烧录配置文件,

下载链接:http://ww1.microchip.com/downloads/cn/DeviceDoc/cn606076.zip
演示视频:
可以点击以下链接观看,https://v.youku.com/v_show/id_XNTg2ODUzNjc2.html?spm=a2h0k.11417342.soresults.dtitle
结束语:
基于Microchip GestIC 3D手势识别的MGC3X30,可以应用于人机交互的各种产品上,汽车电子,智能家居,等领域;各位读者可以集思广益,做出具有科技感的产品。
史海拾趣
|
SETUP: MOV R3,#8; MOV A,#80H; AA: JB ACC.7, DD; SJMP GG; DD: RLC A; EE: RLC A; ...… 查看全部问答> |
|
汽车基本知识问答 1).SOHC于DOHC两者有什么优劣点? DOHC的设计是能使活瓣的角度更切合燃烧室的形状,因此整体活瓣面积可增大,每个活瓣轻一点,惯性质量减少,进汽效率因而可提高.相反SOHC只有一枝凸轮轴,局限了活瓣的角 ...… 查看全部问答> |
|
给大家推荐一个不错的硬件开发论坛,特别ic设计,前后端都有,很多资料可以下载。有兴趣可以去转转 给大家推荐一个不错的硬件开发论坛,特别ic设计,前后端都有,很多资料可以下载。有兴趣可以去转转 http://www.eetop.cn/bbs/?fromuid=645085… 查看全部问答> |
|
求高手点拨:ARMulator 中如何使用定时器? 我按照《ADS_DEBUGTARGETGUIDE_D.PDF》写了 Timer1 的初始化函数,但是不知道怎样关联中断处理函数了。请高手点拨,呵呵: #define CLK & ...… 查看全部问答> |
|
正在搞MSP430的触摸按键,我用的是MSP430G2553的板子,说明上有说管脚有pinosc的功能,但是我找不到设置为pinosc的寄存器,哪位大侠知道怎样设置使能管脚为pinosc的功能,PxSEL2 PxSEL怎样设置才适合!高手进来回答下,万分感谢… 查看全部问答> |
|
全新 库存品 上面是实拍图,低价促销OK6410B开发板,350 RMB 全新,配件齐全,可以享受保修 不议价 总共8 个,先到先得! 淘宝链接如下: http://item.taobao.com/item.htm?id=10936878798 先到先得啊,难得的机会! &nb ...… 查看全部问答> |




