历史上的今天
今天是:2025年01月30日(星期四)
2019年01月30日 | 关于STM32F4 USART6 1200波特率乱码问题
2019-01-30 来源:eefocus
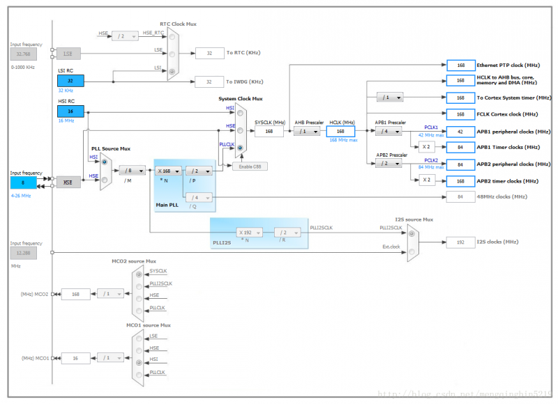
STM32F4的USART1和USART6都是挂在RCC_APB2Periph_USART1时钟下,168MHZ下,USART1和USART6挂的APB2主频是84MHZ,uart3等挂的是APB1主频是48MHZ。默认情况下的时钟树如下图

所以在默认情况下,UART2 ~ UART5波特率在1200可以正常,USART1和USART6会通信失败。
解决方法:
我们将APB2的频率降到48Mhz,调用void RCC_PCLK2Config(uint32_t RCC_HCLK)该函数,如下图

函数传入参数

结合之前的时钟树,将APB2的主频降低。
测试结果显示将APB2主频降到48MHZ以后,1200波特率可稳定工作。
史海拾趣
|
调了一两天了,还是什么都不亮…… 有没有人用过阿?编程的时候是不是有哪些地方比较特别,需要注意的,比如哪些时序要求等……SOS~~~~~~… 查看全部问答> |
|
http://product.dangdang.com/product.aspx?product_id=20016589&;ref=search-1-A 集成电路设计技术与工具(附光盘) 作 者: 王志功 等编著 出 版 社: 东南大学出版社 * 出版时间: 2007-7-1 * 字 数: 648 ...… 查看全部问答> |
|
求助EVC4.0如何开发具有声音特效(如回声、混响、均衡、和声)的播放器?播放器暂时可以播mp3但没特效 有个evc4.0开发的播放器下到FS9315板上(wince系统)可以播mp3,但没特效,如要开发特效(如回声、混响、均衡、和声等),有什么SDK之类的东西,,,directshow? 有谁做过这方面开发,请执教.谢谢… 查看全部问答> |
|
eeworld上可用分怎么计算的,回复一个贴子就有10分可用分?回复自己的贴子有没可用分?戴红花什么意思?奖牌表示什么?eeworld上游戏规则是什么? eeworld上可用分怎么计算的,回复一个贴子就有10分可用分?回复自己的贴子有没可用分?戴红花什么意思?奖牌表示什么?eeworld上游戏规则是什么?… 查看全部问答> |
|
怎样用汇编语言实现辛普森数字积分? 下面是C程序,哪位能帮忙搞个汇编版本的?只要有辛普森函数那部分就可以 /*-------复化辛普森求积公式---------*/ #include #include #include #define N 100 /*-------将要被求积的函数------*/ doubl ...… 查看全部问答> |
|
fsdb文件貌似不能超过2g,问题是我现在有一个数据量很大的仿真case,我又想看看出错的波形,怎么办呢?有没有什么办法把fsdb分成若干小的文件(我用的是modelsim)。请大虾指教!!!!!!!!!!!!!!!!!!!!!!!!!!!!!!!!! ...… 查看全部问答> |
|
1.无功功率的影响 (1)无功功率的增加,会导致电流增大和视在功率增加,从而使发电机、变压器及其他电气设备容量和导线容量增加。 。同时,电力用户的起动及控制设备、测量仪表的尺寸和规格也要加大。 (2)无功功率的增加,使总电流增大 ...… 查看全部问答> |
|
目前PCB绘制完成,板子也回来了 在JLC做的3天九完成了不算贵100元 上传原理图和PCB效果图 PCB是周六到公司画的,只有半天时间 所以比较粗糙,板子上元件不多。 & ...… 查看全部问答> |
|
断电之后,启动时会报错...重装也没办法...这是为什么呢?如何处理? invalid command name\"xxxx\" while executing \"LibraryGetMappings $new_ini\" (procedure \"InitializeINIFile\"line 28) invoked from within \"InitialINIFile quie ...… 查看全部问答> |




