历史上的今天
今天是:2025年01月30日(星期四)
2019年01月30日 | 车载以太网部署的进度
2019-01-30 来源:eefocus
车载以太网的发展速度比较惊人,自从BMW在2008年在第一个车型上搭载以太网的,10年以来很多车企都在入局。
在2013年得以实现,BMW牵头创建了一对非屏蔽双绞线的以太网物理层(IEEE 100base-T1),这里也是透过一些车型平台来看这个以太网的实际部署速度快速从局部网络阶段、子网络阶段,开始往多子网络阶段走。

2008-2013年:局部网络阶段,单独在某个子系统上应用车载以太网技术,实现子系统功能,如基于 DoIP 协议的 OBD 诊断、使用 IP 协议的摄像头等;
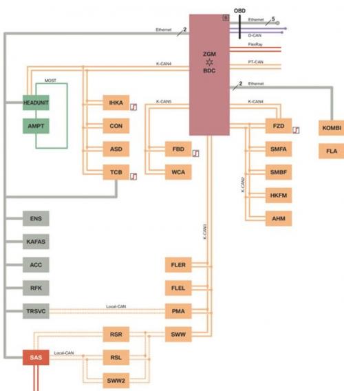
2015-2018年:子网络阶段,开始将某娱乐、安全和通信子系统进行整合,构建车载以太网子系统,实系统的功能;

1)2008-2013

2)2015,这个是从G01的X3开始的

The following ECU are connected to the vehicle electrical system via two-wire OABR Ethernet
Active Cruise Control (ACC)
Camera-based driver support systems (KAFAS)
Top Rear Side View Camera (TRSVC)
Rear view camera (RFK)
The following ECU are additionally connected via two-wire OABR Ethernet
Head unit
Optional equipment system (SAS)
Telematic Communication Box
Ethernet topology without Ethernet switch on vehicles with Headunit Basic

Ethernet topology with Ethernet switch on vehicles with Headunit Basic

Ethernet topology on vehicles with Headunit High

3)2018年的G15的8系
从G15的主体的连接对之前的G01,差异其实挺大的,开关模块没有了

The following control units are connected to the vehicle electrical system via OABR Ethernet:
• Driver Camera System (DCS)
• Top Rear Side View Camera (TRSVC)
• Rear view camera (RFK)
• Camera-based driver support systems (KAFAS)
• Front radar sensor long range (FRSF).
The following control units are, aside from a further bus system, connected to the vehicle electrical system via OABR Ethernet:
• Head Unit High (HU-H)
• Telematic Communication Box (TCB)
• Receiver Audio Module (RAM)
• Optional equipment system (SAS).

小结:从一个个车型的迭代和变化来看,以太网的渗入速度好快,也就是说之前说的SOA随着物理层部署完毕,在娱乐和ADAS这块会带动整个车辆的速度量的传输过程,也就助推了软件开发模式和域控制器的导入。我们站在EV的角度来看,软件这块是存在延迟的
史海拾趣
|
在设计一个9b92的板子,请问之前有人用过别的型号的usb 接口的功能么. 但作为usb device用时,是否一定要把vbus上拉。 我的板不从usb去电,是否可以通过软件在上电后启动usb口进行枚举? 因为我想省下vbus那个脚做io :-),LM的脚的复用的也太 ...… 查看全部问答> |
|
那里可以下到魅族M8和宇龙酷派N90手机的原理图啊?想知道他们用的什么手机基带芯片,他们的GSM协议栈怎么实现的。 那里可以下到魅族M8和宇龙酷派N90手机的原理图啊?想知道他们用的什么手机基带芯片,他们的GSM协议栈怎么实现的。… 查看全部问答> |
|
TCHAR *szver=NULL; dwlen=GetFileVersionInfoSize(szpath[k],&dwtemp); szver=new TCHAR[dwlen]; rt1=GetFileVersionInfo(szpath[k],0,dwlen +1,szver);//这里rt1==1了 DWORD cbTranslate = 0; VerQueryValue(szver, TEXT(\"\\\\VarFileInfo\ ...… 查看全部问答> |
|
我刚上大二,对IC设计和嵌入式系统开发都有一定的兴趣,我是读电子的,同时对软件也很感兴趣,所以为了避免茫然,我想定一个长远的目标,从而更好的努力。所以我想知道这两者哪个更有前景呢,说白了就是以后出来哪个薪水相对来说会更高呢。我该如何 ...… 查看全部问答> |
|
锅炉房的plc300系列有个触摸屏,现在出现个现象,有三个高压泵,2#一直运行中,1#3#备用,现在启动1#泵触摸屏会显示气压极高,导致锅炉停炉,但是起3#就没这种现象,高手们都来分析下,存在干扰?… 查看全部问答> |
|
速度性能的应用示例方案——传统的GPIB配置与经过优化的开关-源表配置 吉时利707B型开关主机和2636A型源表的优化配置时获得的速度性能的应用实例方案,有如下2个介绍: 方案1:传统的GPIB配置 此配置如图1所示。与黄色阴影部分的任务相关的时间进行了吞吐能力对比。蓝色阴影部分的执行任务的时间未进行吞吐能力对比 ...… 查看全部问答> |




